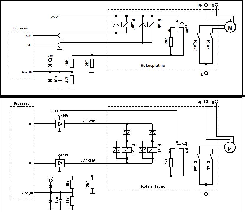
Ich möchte mir eine Rolladensteuerung bauen. Hierzu habe ich bereits Steuerleitungen 2x2x0,8 sternförmig von zentraler Stelle zu allen Rolladenschalter unter Putz verlegen lassen. Die längste Leitungslänge beträgt ca. 20m. Die Steuerleitung ist geschirmt, jedoch hat der Elektriker zum Teil den Beidraht der Schirmung an den Enden der Leitungen abgeschnitten. Am Rolladenschalter ist eine spezielle UP-Dose vom Hersteller Kaiser vorhanden, in die die Relais zum Schalten des Motors sollen. Der Jalousieschalter bei der Dose soll von der Rolladensteuerung ausgewertet werden. Daß zu den Rolläden nur eine 4-adrige Leitung verlegt ist, ist etwas unpraktisch. Habe mir folgendes ausgedacht (Bild oben): * je eine Steuerleitung pro Relais * eine 24V-Leitung zur Versorgung der Relais und Versorgung der Schalterauswertung * Schalterstellung wird analog über die 4. Ader eingelesen. Die Relaisplatine liefert mit einem Spannungsteiler je nach Schalterstellung folgende Spannungen an die Steuerung, die dort auf 5V-Pegel herunter geteilt werden: - Schalter offen: 0V - Schalter AB: 12V - Schalter AUF: 24V ~~~~~~~~~~~~~~~~~~~~~~~~~~~~~~~~~~~~~~~~~~~~~~~~~~~~~~~~~~~~~~~~~~ Nun habe ich Bedenken, ob das mit der gemeinsamen 24V-Ader für Relais und analoge Spannung überhaupt gut funktioniert. Habe mir daher eine zweite Variante ausgedacht, wo je nach Polung der Ader "A" und "B" das Relais "AUF" oder "AB" anzieht (Bild unten). Theoretisch müßte es funktionieren. Hat jemand Erfahrungen mit solchen Schaltungen? Gibt es einen Treiber, der einen 5V-Eingang hat und je nach Eingangspegel satte 0V und satte 24V ausgibt?
uups, die Freilaufdiode am Relais K_AB war falsch. Anbei der korrigierte Plan.
die Transistorschaltung ist im Plan nur angedeutet. Natürlich kommt ein Vorwiderstand rein und ein Widerstand zwischen B und E.... Aber trotzdem danke für die Anmerkung.
Hallo Martin, ich würde die zweite Variante nehmen, mit folgender Änderung: Beide (12V) Relais zusammen an +12V, je nach Ansteuerung mit 0V oder 24V zieht das entsprechende Relais an. Die vorhandene +12V kannst du dann noch über die Taster und jetzt ja zwei Adern zum µC schicken. Dort würde ich auch noch zwei Optokoppler zur Störsicherheit spendieren. Gruß Jürgen
Hallo Jürgen, kannst Du mir mal einen Schaltplan schicken, wie das aussieht? Kann ich mir gerade nicht so ganz vorstellen...
Könnte man nicht die 2.Variante mit den Motoren auch auf den Schalter anwenden? Man legt eine Wechselspannung (selbst erzeugt per µC) an die beiden anderen Leitungen und misst den Strom. Wenn kein Strom fliesst ist entweder der Taster nicht betätigt, oder es liegt ein Leitungsbruch vor. Fliesst der Strom in die eine Richtung, so wurde bspw. die Aufwärtsrichtung gewählt. Fliest der Strom in die andere Richtung, so wurde die andere Richtung gewählt. Das sind 2 Portpins, die man ständig zwischen Ein- und Ausgang umschaltet. Einen galvanische Trennung stellt sich etwas komplizierter dar...
Hallo Jürgen, die Idee ist nicht schlecht. Allerdings müßte ich 12V generieren. Aber einen Treiber bräuchte ich trotzdem, mit dem ich vom Prozessor 0V oder +12V schalte (ein weiteres Relais will ich nicht zum Schalten nehmen - habe 14 Rolläden, die ich ansteuern muß). Gibts denn irgend einen Treiber, mit dem ich 0V/12V oder sogar 0V/24V vom Prozessor aus schalten kann?
Noch ne Idee: Wenn man beide Relais-Steuereingänge konstant mit 24V betut, dann schalten die Relais ja nicht, weil sie auf beiden Seiten das gleiche Potential haben. Mit jeweils einer Diode in der Steuerleitung (1-Punktgleichrichter; vielleicht noch einen Kondensator vorsehen), wird die Spannung auf den Schalter gegeben. Dann folgt die Auswertung wie bei Jürgen mit Optokopplern. Braucht nur 4 Leitungen und keinen 12V-Wandler. Ausserdem würden die Relais ja in Jürgens Fall nur mit 12V betrieben. Im Anhang was zusammengekritzeltes...
Hallo Rahul, die Idee ist auch nicht schlecht. Das Schalter einlesen (ob mit A/D-Wandler oder mit Optokoppler) ist eigentlich nicht das Problem, sondern einen Treiber zu finden, der satte 24V und satte 0V für die Relais ausgibt (High-Side / Low-Side switch). Es müßte doch irgend so ein Bauteil geben... Dual wäre optimal (2 Eingänge / 2 Ausgänge)
@Martin um zwischen 0V und 24V umzuschalten brauchst du einen Treiber mit Gegentaktausgang und TTL Eingang, wie z.B den L6374 (4 Treiber)von www.st.com. Gruß Jürgen
da würden sich ja High-Side-Driver (IRF...) anbieten, mit denen man wiederum MOSFETs ansteuert. Die müssen sogar wegen der Bootstrap-Schaltung konstant H-Pegel bekommen.
Den Nachteil an der Relaisverschaltung merkst du, wenn ein Relais kleben
bleibt! Besser ist's wenn du die Relais in Reihe schaltest, dabei muß
eins dann ein UM-Relais (Wechsler) sein. Ich male nur den
Leistungsteil. Die Ansteuerung kann ganz normal über 2 getrennte
Portpins erfolgen.
/ /o---------o L(ab)
L o-----/ o-------/ o---------o L(auf)
Versorungs- Richtungs-
relais relais
Selbst wenn jetzt ein Relais kleben bleibt, kann nix passieren. Zudem
kannst du so die Abnutzung des Richtungsrelais deutlich reduzieren,
wenn du dieses nur schaltest, wenn das Vorsorgungsrelais nicht
angezogen ist (also Richtungsrelais nie unter Last schalten).
Hallo Martin! Mir persönlich gefällt die erste Schaltung am Besten. Die Ansteuerung mit NPN Transistoren ist am einfachsten. ( Rolladen_03.GIF oberes Bild.) Die Relais werden ja keinen so großen Spulenstrom haben. <100mA. Dann würde ich auch 24V Relais nehmen. Kleinerer Strom wegen der Leitungslängen. Zwischen Port und der Basis des Transistors einen Widerstand von ca. 2k bis 4k ohm. fertig. Das der Schirm weg ist, ist natürlich ärgerlich. Aber dennoch kein Problem. Du hast einen Kondensator am AD Eingang gelegt. Den so groß wie möglich. Dann geht das. Du mußt ja keine Präzisionsmessung machen sondern nur 3 Pegel unterscheiden. Wenn du doch die zweite Schaltung vorziehen möchtest, dann kannst du das von meinem Bild die Schaltung nehmen. Viel spaß.
@and_ref dem kann ich auch nur zustimmen. Habe bei mir auch ein Relais für Power und aber jeweils ein Relais für auf und ab. Gesteuert wird die ganze Sache über AS-i Gruß Jürgen
Die erste Schaltung ist doch gar nicht so schlecht. Einfach, primitiv und zuverlässig. Ich würde evtl. die Widerstände um den Faktor 2 (ca.) größer wählen. Denn bei bei Taster-Stellung "Auf" hat der 2,7 Kiloohm Widerstand 213 Millwatt zu verbraten. Das muss nicht sein. Die Hälfte tut es auch. Was auf jeden Fall größer sein sollte, ist der Kondensator zur Entstörung. Bei Deinen Widerstandsdimensionen ca. 4,7 uF, bei doppelt so großen Widerständen 2,2 uF. Als weitere Entstörungsmaßname könntest Du zum kleinem Elko noch einen 100 nF Kondesator parallelschalten und die beiden Kondensatoren durch ca. 100 Ohm trennen. Also vom Spannungsteiler aus 18 und 4,7 Kiloohm auf den 100 nF Kondensator, dann ein 100 Ohm Widerstand, dann auf einen kleinen Elko mit 4,7 uF danach die Schutzdioden und dann auf den ADC-Eingang. Dann ist Ruhe in der Kiste.
> Habe bei mir auch ein Relais für Power und aber jeweils ein > Relais für auf und ab. Wie ist da die Anordnung? Fängst du dir da nicht wieder die Probleme bei Relaisklebenbleiben ein?
Ich habe bei mir in etwa die zweite Variante umgesetzt, allerdings habe ich statt einem Schalter (und Widerstand, Diode o.ä.) nur einen Taster. Der funktioniert ähnlich wie bei einem Garagentor: 1x drücken -> Rollo runter das nächste Mal drücken -> Rollo hoch während der Fahrt drücken -> Rolle hält an nächster Tastendruck -> geht wieder in die andere Richtung Klingt kompliziert, ist es aber nicht. Die ganze Familie kommt mit klar. Vorteile: - einfacher Taster kein Schalter mit 3 Stellungen - man muss nicht drücken bis das Rollo in Endlage ist - man kann eine Zeitsteuerung implementieren was schlecht möglich ist, wenn man einen Schalter nimmt, der in seiner Schaltposition bleibt -> sonst geht das Rollo automat. hoch und gleich wieder runter, weil der Schalter noch auf "Runter" steht Gruss Fred
@ Fred: Die Idee ist genial. Darauf bin ich gar nicht gekommen. Leider habe ich schon seit mehreren Monaten Jalousieschalter von Jung gekauft, Die Motoren werden derzeit direkt mit dem Schalter geschaltet. Die Schalter möchte ich nicht wechseln (waren ziemlich teuer). @ alle: wieviel Strom sollte man über den Jalousieschalter mindestens fließen lassen? Ich denke weniger als 10mA könnte zu Problemen führen (wegen Oxidschicht). @ alle: Die Sache mit dem Wechler-Relais für die Richtung finde ich auch gut, allerdings ist es fatal, wenn man das Richtungsrelais während der Fahrt schaltet (z.B. wenn ein Wackler drauf ist). Der Hersteller der Rohrmotoren schreibt eine Totzeit von 200ms beim Umschalten vor. Die Zeit habe ich bisher mit dem µC realisiert (bisher Variante mit einem AUF- und einem Ab-Relais). Daß das Auf- und Ab-Relais nicht gleichzeitig schalten kann (falls die Software spinnt), hätte ich mit Gattern verriegelt. Weiß jemand, wie das Ganze bei "profesionellen" Rolladensteuerungen gemacht ist? Ein Relais für Richtung und eines für Freigabem oder je ein Richtungsrelais?
> Ich denke weniger als 10mA könnte zu Problemen führen (wegen > Oxidschicht) Ja, wurde mir von der Firma Jung auch so auf Anfrage mitgeteilt. Freibrennstrom ist da das Stichwort. > allerdings ist es fatal, wenn man das Richtungsrelais während der > Fahrt schaltet Naja, wird wohl nicht so schlimm sein, wie wenn beide Wicklungen bestromt werden ;-) Und nochmal was zum Klebenbleiben. Ich hatte das in meiner früheren Installation schonmal. Kein RC-Snubber überm Relais und nach wenigen Monaten wars dann soweit... die Motoren hatten gewaltig gebrummt. Klang nicht gut, habens aber überlebt.
@ Fred:
> Ich habe bei mir in etwa die zweite Variante umgesetzt
Wie hast Du die Relaisansteuerung realisiert?
Ich habe die Rolläden mit einer SPS gesteuert. Am Rolladenschalter habe ich 230V von der nächsten Steckdose und ein 3 pol. NYM Kabel in den Keller zur SPS: Schalter gibt L1 über einen Widerstand auf den SPS-Eingang. Die Relaisausgänge der SPS steuern mit L1 über die beiden anderen Adern des Kabels direkt den Motor. Leider nur Softwaremässig verriegelt. Gruss Fred
Bei meiner Mischersteuerung für die Heizung habe ich aus Sicherheitsgründen ( Software ist ja nie fehlerfrei ) den Ruhekontakt einen Relais als Eingang des anderen Relais benutzt, so ist garantiert dass nicht beide Wicklungen gleichzeitig Strom bekommen.
Bitte melde dich an um einen Beitrag zu schreiben. Anmeldung ist kostenlos und dauert nur eine Minute.
Bestehender Account
Schon ein Account bei Google/GoogleMail? Keine Anmeldung erforderlich!
Mit Google-Account einloggen
Mit Google-Account einloggen
Noch kein Account? Hier anmelden.




