Hallo, ich habe vor langer zeit mal diesen LED weihnachtsbaum gesehen, und mir gedacht dass es cool wäre das mit viel mehr leds zu machen, welche einzeln adressierbar sind. (ein weihnachtsbaum mit laufschrift!?) hier mal das ursprüngliche projekt: http://batronix.com/elektronik/bauanleitungen/led-baum.shtml wenn man 3mm leds nimmt müsste man damit eine brauchbare auflösung hinbekommen...
ACHSO: nun meine frage: hat jemand interesse das ganze mitzuprogrammieren/entwickeln? ich werde nen mega128 und bascom nehmen.
Hi Bob, interessantes Projekt! Mein Vorschlag: LED´s im Multiplex ansteuern. Hab mal eine LED Anzeige mit 50 Led´s gebaut (auch mit Bascom+Assembler). Auf der Anzeige werden Zeichen mittels einer Punktmatrix angezeigt, mit einer Änderung müßte aber auch jede einzelne LED ansprechbar sein. Ich bastele gerade an der Soundausgabe für das Display, werde also bis Weihnachten wenig Zeit für ein Weihnachtsbäumchen haben. Helfe aber gerne weiter, wenn Fragen hast. lg Ralf
Ich mach das Projekt auch, benutze aber ein ARM mit 208 Pins, 1Megabyte Flash und 512 Kilobyte SRAM.
mmhh, da kannst de ja fast alle leds direkt ansprechen. frage mich gerade, wie man die schrift darstellen kann... die ist ja dann eher unsymetrisch, oder?
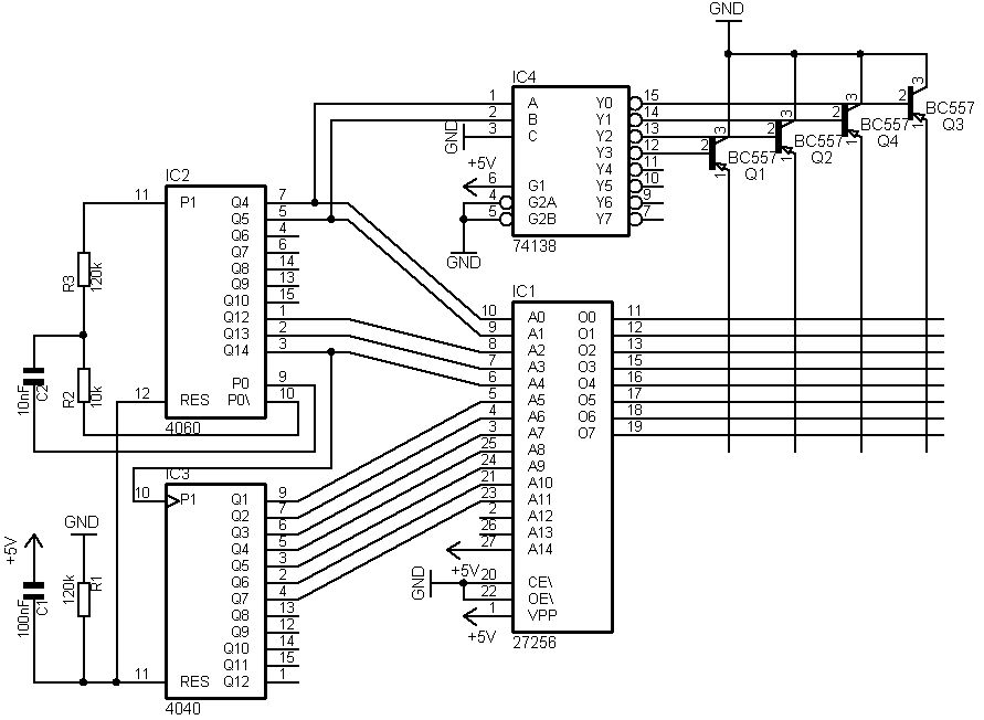
Ich habe sowas ähnliches mal mit einem Stern gemacht: Dieser hatte 32 LEDs die gemultiplexed einzeln ansteuerbar waren. Die "Programme" dazu waren in einem EEPROM untergebracht, das mit ein paar Adresszählern direkt die LEDs gesteuert hat.
hey hast du n bild davon? lief das ganze ausschließlich aus dem eeprom?
Hier ist die Schaltung: Die noch freien Adressleitungen dienen zur Auswahl des Programms. Der 4060 erzeugt den Takt für den Multiplex, der 4040 dient als Programmzähler. An jedem Kreuzungspunkt liegt eine LED. Ob man das ganze als Stern oder sonst was macht ist egal, die Schaltung kann man für vieles verwenden.
mmhh.. wenn man ein eeprom mit 16 datenbits hätte könnte man ja 128 LEDS multiplex ansteuern... ich würde noch irgendwie sowas wie ein parallel/parallel puffer mit reinbauen, der zum richtigen zeitpunkt mit je 8 bit geladen wird, und dann die ganze zeit die led leuchten lässt. dann nimmt man die taktfrequenz auf 4hz oder so und man kann prima laufschrift machen. und ein atmega kommt auch noch drauf, wo man über die serielle den eeprom beschreiben kann. dann kann man das ganze per handy oder modem neu beschreiben.. ein sternsche ist auch ganz cool. aber wenn dann smd mit layout und platinsche eine software für pc wäre dann noch geil mit der man files für das eeprom erstellen kann..
Na dann melde ich mich auch bei den Verrückten: ich habe meinen Balkon mit einem Lichternetz von 16 x 32 Glühlampen incl.512 Entkoppeldioden (1N4148) mit einem Mega16 angesteuert. Am PC konnte man Bitmaps malen und die zum Balkon übertragen. Ging prima. War aber ne scheiss Löterei. Das Programm war einfach. noch einfacher gehts jedoch mit nem MAX7219. Der kann schon von Hause aus 8x8 LEDs. Gruß Axel
das ist hart... ich will aber irgendwie dieses multiplex geflacker unterdrücken und so ein netz ist ja ne prima antenne, grins...
@bob Bist du ein Insekt ? Ich sehe bei einigen 100Hz Multiplexfrequenz zumindest kein Flackern...
Anstiegsgeschwindigkeit begrenzen hilft (di/dt) und gibt interessante "Nachzieheffekte"
@benedikt: nee bin ich ned. aber ich habe in letzterzeit immerwieder die überlegung, was so an strahlung von einem multiplexdisplay ausgeht. meinst du 16x32 ist zuviel?
Wenn es nicht unbedingt sein muss, dann würde ich die mux Rate so nieidrig wie möglich halten. Bis etwa 100mA (Mux 1/8) ist das ganze kein Problem. Bis etwa Mux 1/32 ist möglich, aber macht etwas aufwand (dicke Leitungen, hohe Ströme usw.) 16x32 ist schon etwas viel, vor allem wenn es hell sein soll. 8x64 klingt da besser, vor allem wenn die Kabel lang sind. 512 LEDs sind echt eine sch... Arbeit. Habe ich bei meinem 32x16 LED Display gemerkt, und da musste ich die LEDs nur einlöten. Jede LED an ein Kabel und alle Kabel verbinden würde ich mir nicht antun.
Es waren am Balkon keine LED's, sondern ein geschlachtetes Lichternetz. Hiess also, jede Lampe abschneiden ,abisloieren - einen kurz, einen lang, Diode drann. das waren dann die senkrechten Leitungen. an die Dioden kamen dann quer rüber schwarzer 0.5mm². da die Lichterkette für draussen war, wurde das ganze im Original mit 24Volt betrieben und recht merkwürdig mit 1.5Volt Birnchen verdrahtet. Über eine Zwischenplatine, wo die P und N KanalMOSFETs drauf waren, ging es dann über kabel ans LichterNetz. Hier war eigentlich das Hauptproblem. So ein Kabelbaum wiegt dann ganz schön. Die Übergänge vom Netz aufs Kabel habe ich dann mit ner Leiterplatte gemacht. Ziemlich frickelig alles. Jetzt bin ich umgezogen (schon wieder ein Jahr her) und ich habe nur noch ein paar Lampen übrig und die Steuerplatine mit den Mosfets... Gruß AxelR.
mmhh, ich dachte so an 1206er leds... erstmal zum testen auf lp... aber selbst mit nem mega128 bräuchte man ne porterweiterung... 1/16 ist schon ganz schön wenig. da hast du recht. deshalb hatte ich die überlegung es in ne art latch zu schieben, der dann den rest der takte die leds hält. wenn man smd macht könnte man auf einer seite die led und auf der anderen die ics bauen..
bin mittlerweile am überlegen, das ganze multiplex zu machen aber mit nem SRAM der vom AVR gelaen wird und dann selbstständig multiplext...
bin auch dabei ned led anzeige für ne laufschirft zu bauen mit 12*32 leds die 12 brauch ich um unter und überlängen für sonderzeichen darzustellen hab nur das problem das ich die leds nicht einzeln ansteuern kann und wen ich sie reihenweise schalte dan ist mein USB PIO anscheinend zu langsam da das reset einer leitung 15 ms zeit benötigt habts ihr hilfe für mich!!
Bitte melde dich an um einen Beitrag zu schreiben. Anmeldung ist kostenlos und dauert nur eine Minute.
Bestehender Account
Schon ein Account bei Google/GoogleMail? Keine Anmeldung erforderlich!
Mit Google-Account einloggen
Mit Google-Account einloggen
Noch kein Account? Hier anmelden.
