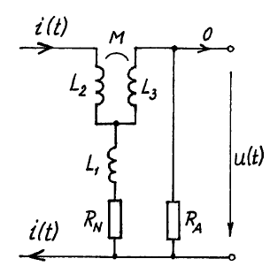
Hier die AUfgabenstellung Welche allgemeine Beziehung sollte zwischen den Induktivitäten und Widerständen bestehen, damit das Spannungssignal unabhängig von der Signalform möglichst proportional zum darstellenden Stromsignal verläuft? Meine Idee: Ich verstehe nicht wie ich die Bedingungen setzen soll. Kommt es nicht auch auf die Frequenzen an? Ich habe echt keinen Plan und kann gerade keinen mathematischen Zusammenhang zwischen der AUfgabenstellung und der Schaltung finden. Bitte helft mir!
Hallo, Wie man allgemein vorgehen könnte: Gekoppelte Spulen durch Trafo-ESB ersetzen Komplexer Zeiger der Ausgangsspannung als Funktion des Eingangsstroms im Frequenzbereich berechnen. Ausgangsspannung soll Form wie Eingangsstrom haben => Zeiger darf nicht von der Frequenz abhängen. Fall hier: Da ein negatives L1 für eine Kompensation nicht physikalisch ist, darf durch den Zweig L1 und RN kein zeitabhängiger Strom fließen, um die geforderte Bedingung perfekt zu erfüllen. Das wird für L1 oder RN gegen unendlich erreicht bzw. bei "möglichst proportional" RN >> RA oder L1 >> L2 und L3
Wenn die Spannung proportional zum Strom sein soll, dann muss sie ein "ohmsches" Verhalten haben. Der Spannungsabfall an L1 ist induktiv und muss deshalb durch L3 entsprechend kompensiert werden, so dass nur noch der ohmsche Anteil übrig bleibt. Da der Stom in L1 auch durch L2 fließt, kann man durch einen negativen Kopplungsfaktor erreichen, dass sich die Spannungen gegenseitig auslöschen. Zusätzlich fließt durch RA auch noch ein Strom. Da solltest du dir überlegen, wie der sich auf die Ausgangsspannung auswirkt.
Bitte melde dich an um einen Beitrag zu schreiben. Anmeldung ist kostenlos und dauert nur eine Minute.
Bestehender Account
Schon ein Account bei Google/GoogleMail? Keine Anmeldung erforderlich!
Mit Google-Account einloggen
Mit Google-Account einloggen
Noch kein Account? Hier anmelden.
