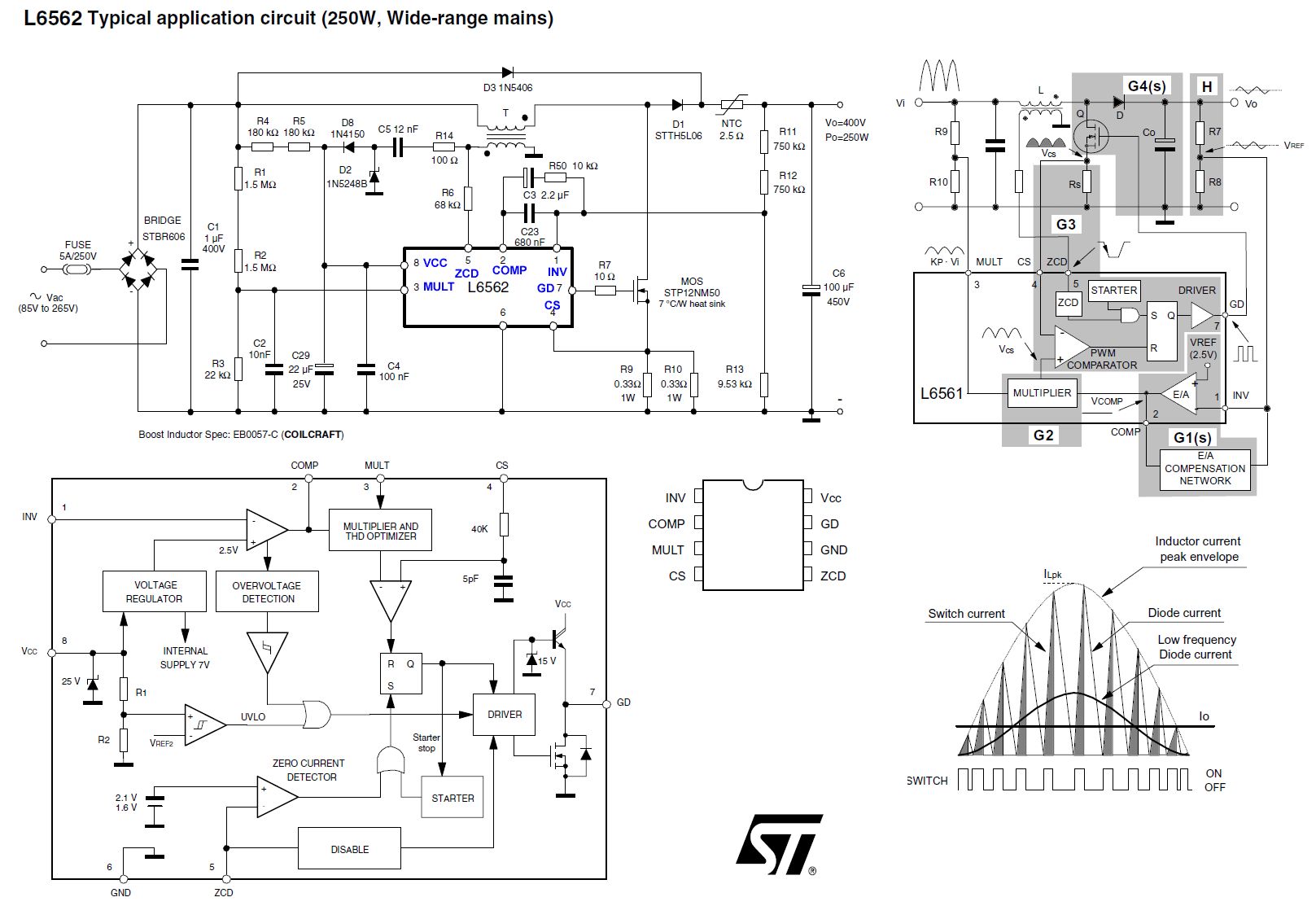
Spricht etwas dagegen einen PFC Controller (z.B. L6562A ) anstelle eines "normalen" Controllers wie z.B. MC34063 in einer Stepup bzw. Flyback Topologie zu verwenden? Ein PFC Controller hat naturgemäss ja keinen Speicherkondensator am Eingang. Damit könnte man sich hinter Trafo und Brückengleichrichter den grossen Siebkondensator sparen und bräuchte nur einen Filterkondensator am Ausgang des PFC. Man hätte dadurch auch eine bessere Ausnutzung des Trafos (kontinuierlicher Sinus Strom vs. Spitzenstrom im Scheitelpunkt) bzw. geringere Verlustleistung. Oder übersehe ich da etwas Wesentliches (z.B. schlechter Regeleigenschaften)?
Bitte melde dich an um einen Beitrag zu schreiben. Anmeldung ist kostenlos und dauert nur eine Minute.
Bestehender Account
Schon ein Account bei Google/GoogleMail? Keine Anmeldung erforderlich!
Mit Google-Account einloggen
Mit Google-Account einloggen
Noch kein Account? Hier anmelden.
