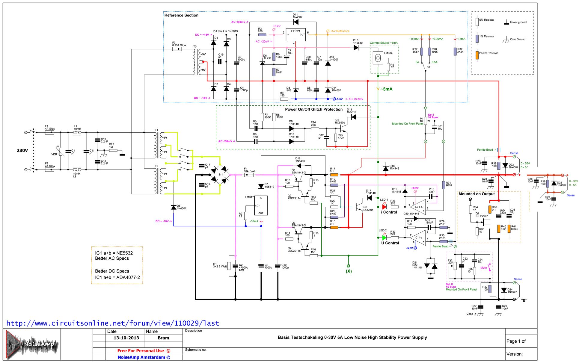
Hi am alle, welche fundierte Grundlagen mit mir teilen möchten und alle welche noch dazulernen möchten. Seit einigen Jahren habe ich hier einen Trafo, welcher nicht ganz so impotent ist. Stammt dieser doch aus einem recht leistungsfähigen NF-Verstärker. War damals ein Bieropfer. Der Trafo ist mit einigen Wicklungen ausgerüstet welche die gewöhnlichen Spannungen einer NF-PA bereitstellt. als da wären: 5,7V 500 mA T 9,6V - 0 - 9,6V / 20,8V 2x1500 mA TT 42V - 27V - 0 - 27V - 42V 2x 5500mA TT 2x 8000mA TT (2,5 mm CU) mit Messschieber abgeschätzt. So hatte ich mir das damals notiert und noch mal zur Sicherheit nachgemessen, B250C3200-2200 + 2x 8200µF 58V + 320 Ohm Last, gemessen mit Fluke 8860A. Da liegt es doch recht nahe, einen Längsregler aufzubauen, jedoch mit dem mitteln der Zeit. Das soll bedeuten das ich hier über moderne Bauteile nachgedacht habe, wie LT1021 und Tl 431 NE5532 in der Steuerung, so wie 2sc4278 (TO247 10A 100V) oder vergleichbar und darüber, für die Endstufe. Diese Chips kosten nicht die Welt und bieten unschlagbare Vorteile im Vergleich zu einer komplett diskreten Schaltung. Der Leser hat sicher shon bemerkt, das mit diesem Trafo Spannungen bis hin zu 84V bei mindestens 5A möglich sind. Doch ist es auch sinnvoll eine Spannungsumschaltung per Hand zu bedienen? Die Namhaften von Damals wie Philips und Siemens haben das schon vor langer zeit automatisiert. Aber auch dazu hätte ich gern einige neue Gedanken, so Ihr diese mit mir teilen möchtet. Allerdings habe ich nicht die notwendigen Kenntnisse und Hardware um einen PIC oder ATmega mit einem Programm zu versorgen. Könnte mir aber vorstellen das sich hier wohl doch jemand dazu bereit erklären möchte. Ich bin in der gegend von Bielefeld ansässig. Viele Bauteile habe ich im Hause, wie passendes Gehäuse, verschiedene Kühler, Kondensatoren und Kleinkram aus der Schrottkiste. Ebenso habe ich im Netz einen recht ansprechendes Schaltbild gefunden, jedoch die Diskussion ist in Hollandisch gehalten, das ich leider nicht lesen kann. Jedoch kann ich Bilder deuten und Oszillogramme auswerten. Ich stelle hier den Link zu der Diskussion, das Schaltbild und noch einige Bilder von meinen Bauteilen zur Ansicht ein. +++++http://www.circuitsonline.net/forum/view/110029/10++++++ Ich bin mit dem Aufbau der Schaltung eigentlich recht zu Frieden, jedoch fehlt es mir in den speziellen Feinheiten an Entwicklungserfahrung. Was mir als erstes aufgefallen ist, das in der Endstufe PNP-Transistoren verbaut sind. Genau das Gegenteil hatte ich erwartet. Aber ich möchte der Kreativität in diesem Forum den ganz freien Lauf lassen, so wie schon etliche hundert mal, wenn es hier um Netzteile gegangen ist. Ich bin mal gespannt,ob es möglich ist mit eurer Hilfe eine PSU ans Laufen zu bekommen. Bitte begründet eure Vorschläge so, das ich diese auch nachvollziehen kann. Also mit der Mathematik a la Tietze&Schenk. Ahoi von hier aus Lemgo Leon
Sie entspricht im groben der ELV Schaltung. Und da diese Schaltung zum schwingen neigte, wird es diese wohl auch machen. Also murks. Suche im Forum bemühen, da findest du jede menge dazu.
Gibt es auch eine begründung zu deiner Vermutung? Längsregler sind häufig recht Ähnlich, das bringt die Natur dieser Schaltung einfach so mit sich. Gerne mehr kritik, aber bitte nicht so Platt. Ahoi von hier aus.
Auf eine Schwingneigung weist das recht groß dimensionierte Dämpfungsglied am Ausgang hin. Interessant in den Griff zu bekommen dürfte die Regelgeschwindigkeit dieser Schaltung sein. Die Leistungsstufe mit PNP und NPN ist nichts besonderes. Hast du vor, die 42V - Wicklung deines Trafos auszunutzen? 250-300W Verlustleistung müssen im Kurzschlußfall weggekühlt werden. Es könnte sinnvoll sein, die 2 Leistungsstufen auf 3 oder 4 zu erweitern.
Leon K. schrieb: > Hi am alle, welche fundierte Grundlagen mit mir teilen möchten... Wird jetzt schon lustig. Ich hole schon mal Popcorn & Cola. > Was mir als erstes aufgefallen ist, das in der Endstufe PNP- > Transistoren verbaut sind. Genau das Gegenteil hatte ich erwartet Das machen wir in jedem LDO so. Seit 30 Jahren. Also ist das old-school .-) Aber wirklich als ERSTES auffallen sollte Dir, dass man mit 2 Transstorgruppen die von Dir avisierten 84V/5A kaum bändigen kann; und eine Automatisierte Trafo-Spannungsumschaltung ein absolutes "must have" ist - aber auch dann werden die 42V/5A mit 2 T-Gruppen etwas "heftig". Spätestens wenn das geschmolzene Silizium rausläuft, weißt was ich Dir damit sagen will. Und nein, ein propellergekühlter PC-Kühlkörper kann einfach die Grenzen des SOA nicht physikalisch überwinden - einfach um Deinem nächsten Einwand zuvorzukommen. Helge A. schrieb: > > Die Leistungsstufe mit PNP und NPN ist nichts besonderes. Genau richtig erkannt. > > Hast du vor, die 42V - Wicklung deines Trafos auszunutzen? 250-300W > Verlustleistung müssen im Kurzschlußfall weggekühlt werden. Es könnte > sinnvoll sein, die 2 Leistungsstufen auf 3 oder 4 zu erweitern. Sagen wir ruhig korrekt: Nicht könnte, es muß. Sofern man was Zuverlässiges bauen möchte .-)
...es ist unglaublich wieviel hier geschrieben wird und wie wenig Gehalt
darin steckt.
Was willst du überhaupt machen, bzw. was ist das Ziel? Hier werden
Messgerätenamen, Fotos, Bieropfer, Impotenz, das Vorhandensein vieler
Bauteile (!?), Pic Programme, Bilder auf Hollandisch uvm. genannt und
beschrieben dass einem sich die Windungen im Hirn gerade ziehen...
Und der Hammer:
>>Bitte begründet eure Vorschläge so, das ich diese auch nachvollziehen
kann...
Bitte mal kurz aufschreiben was du überhaupt willst.
Altes Netzteil umbauen? In welcher Form, wie ist der Stand? Wohin solls
gehen, kann doch nicht so schwer sein.
JJ
> Ich stelle hier den Link zu der Diskussion, Die übliche Labornetzteileschaltung mit getrennter Versorgung des Regelteils, aber nicht elegant umgesetzt. Immerhin mit current sink. Vermutlich hat er verbaut, was gerade rumlagt, und kam daher zu einigen uneleganten Lösungen. 2 2SA1943 schaffen niemals 10A, die sind bei 45 eher für 3A pro Stück gut, und das nur bei unrealistzsichen 25 GradC Gehäusetemperatur (Wasserkühlung?). Und wer will schon durchlegierende Transistoren im Linearnetzteiln? Aber als Verwendung des Inhalts eines alten Verstärkers ist das schon ok, dein Trafo (42V/11A) wäre eh eher für 0-40V/0-6A passend und vermutlich hast du auch ganz andere Transsopren, von denen man auch 4 parallel nehmen könnte.
Zunächst erst mal herzlichen Dank für Eure Antworten. Kurzschluss? Wie soll sich dieser gestalten? So sich ein sehr niederohmiger Verbraucher am den Ausgangsklemmen befindet, ist der maximale Strom 5A. Nicht mehr. Die hierbei entstehende Verlustleistung beträgt, P= U*I, 42V * 5A = 210W in der Summe. Teilt sich in den Hauptteilen auf die Transistoren und die Vorwiederstände noch auf. R66 + R67 sind mit 0,1 Ohm 25 Watt bemessen. Wen ich jedoch vom Kurzschlussstrom des Trafos ausgehe... Das kann aber nicht der Fall sein. Die zustande kommende Verlustleistung ist ein Kniffliges Thema, ins besondere die Wärmeleitfähigkeit der einzelnen Kontaktübergänge. So ebenfalls das Isoliermaterial welches den Kollektor vom Kühler Elektrisch Trennen jedoch Thermisch so gut wie möglich koppeln soll. Dämpfungsglied! Mir ist es nicht unbekannt, das ein Emitterfolger gern zum schwingen neigt. Jedoch ist die Aussage das sich dort in der Schaltung eines befindet, ist doch an sich Kappes, genauso wie Groß. Es stellt sich doch nur die Frage, wozu ein Bauteil eingefügt ist (nur zur Sicherheit, wenn .....) und kann dieses die Ihm gestellt Aufgabe in der Summe erfüllen. Es wäre mir eine Lust die tatsächlichen Eigenschaften dieser Komponente mit deinen nachvollziehbaren Kommentaren zu vergleichen. Kausalität? Meines Erachtens nach hat der Autor dieser Schaltung die richtigen Ideen in Sinnvolle Ergebnisse umgesetzt. Ob das Ziel des Autors damit erreicht worden ist, Kann hier nicht weiter Thema sein. Wichtiger ist doch, können meine Ziele: 0V - 27V - 40V 5A noch mit dieser Schaltung umgesetzt werden und wenn Ja, Dann kann Sie so bleiben oder nur bedingt, was wären sinnvolle Verbesserungen? Ach ja, das wir gerade vom Desing sprechen, Ich kann kaum noch eine Ähnlichkeit zum ElV feststellen. Ich behaupte nicht das der Autor mit diesem keine Erfahrung gesammelt hat. Solle es tatsächlich so sein, das Jemand ein Projekt kennt, welches auf meine Bedingungen 42V 5A mit automatischer Wicklungsumschaltung passen könnte, .......... Postet doch den Link dazu. Ich schaue es mir gern an. Allerdings Sollten schon einige Argumente nicht fehlen. @MaWin (Gast) Vermutlich ist das auch genau so geschehen. Ich füge mal das Datenblatt hinzu, welches ich mir angesehen habe. 40V bei 5A ist doch ein erstrebenswertes Ziel. Was wäre deine Wahl in der Endstufe? Die 2SA1943 sind ein Anhaltspunkt. Vorschläge sind hier willkommen. Ahoi von hier aus Lemgo
Liest Du eigentlich was man Dir schreibt? Verstehst du es auch auch? Wenn ja, würde dir aufgefallen sein das MaWin Dir riet, 4 Transistoren parallel zu schalten. Statt 2. Andere gaben Dir den gleichen Rat. Möchtest du eine Planskizze, oder geht es so? > Kurzschluss? > Wie soll sich dieser gestalten? Ich würde mal sagen: Niederohmig. > Ach ja, das wir gerade vom Desing sprechen, Ich kann kaum noch eine > Ähnlichkeit zum ElV* feststellen. Wir schon. Aber wir entwickeln und fertigen erst seit 3 Jahrzehnten LAbornetzteile. Mag also sein, das wir da eine etwas detailliertere und verständigere Sichtweise haben. -)
Hier noch der Link zum PC-Kühler mit Propeller http://www.zalman.com/eng/product/Product_Read.php?Idx=277 Dimensions: 85(L) x 112(W) x 125(H) mm Weight: 530g Base Material: Pure Copper Dissipation Area: 3,698㎠ Thermal Resistance: 0.12 ~ 0.16°C/W Eine Wasserkühlung? Ich mach mir mal gedanken, Das hätte nun wirklich nicht Jeder. Ahoi von hier aus Lemgo
Man merkt an seinen Posts gleich doch gleich, dass die Schulferien wieder begonnen haben ...
@ Andrew Taylor
>>Aber wir entwickeln und fertigen erst seit 3 Jahrzehnten
LAbornetzteile.
Dann zeig mal die Ergebnisse, welche in dieser Zeitspanne wirklich
marktreif geworden sind.
Und ich liebe es wirklich sehr, ein ABER am anfang des Saztes zu lesen.
Ok, du stellst also die Vorgabe nun zeig uns allen was Du zu bieten
hast.
Ich jedoch rechne in deiner Antwort, so es noch eine gibt, mit eniner
Ausrede. Ich lass mich jedoch gern überraschen.
Ahoi von hier aus Lemgo
Leon, fein gemacht. Sicher kannst Du auch Deinen Namen tanzen. Und hier ist Dein Fisch. http://www.dse-faq.elektronik-kompendium.de/dse-faq.htm#F.9.1 Die marktreifen Ergebnisse findest du gleich im ersten dort verzeichneten Link bzw. jetzt beginnt der Name der Firma mit einem großen A. Viel Spaß dabei!
@ Andrew Taylor 48 Seiten durchzuarbeiten braucht doch ein wenig Zeit, welche ich mir gern nehemn werde. Jedoch aus 1967? ist es nicht ein klein wenig überholt? Alle mal taugt diese Refferenz um sich in die Materie genauer einzulesen und daraus Schlüsse zu ziehen. Das ist mal ganz sicher. Ich möchte Dich dennoch ersuchen, auf die von mir zur Diskusion gestellte Zeichnung etwas genauer einzugehen. Denn ich möchte doch gern mit den mir zur Verfügung stehenden Mitteln ein vorzeigbares Ergebniss erzielen. Was ist hier an der Schaltung nicht schlüssig, und was ist benutzbar? Gerade diese Argumente gegenüberzustellen ist doch für Dich Routine. Und genau so einen Gesprächspartner kann ich mir nur wünschen. Was kann tun oder lassen um Dich zu motivieren? Um das Du mir ein wenig Angeln beibringen möchtest. Und ebenso allen Weiteren welche hier gern mit lesen. Fische kann ich mir kaufen, Angeln möchte ich selbst. Gern in deiner Gesellschaft. Ahoi von hier aus Lemgo
Ich sehe schon, du bist ein Werkrealschüler. Transferdenken ist bei dir nicht. Ebenso bist Du nicht fähig die direkt folgendne Antworten auf von Dir gestellte Fragen zu verarbeiten. Deshalb nochmal ganz langsam, so wie Steinersche Pädagogik es fordert: Exakt auf Seite 1 ist daher der Name der (im übrigen marktfähigen) Firma deutlich sichtbar. Vermutlich ist es auch etwas viel verlangt, wenn Du Dir mal den Link insgesamt: http://www.dse-faq.elektronik-kompendium.de/dse-faq.htm#F.9.1 durchliest -- MaWin erklärt dort exakt das was Du suchst in einer für Deine kognitiven Fähigkeiten geeigneten Form.
Zur Verlusteistung. 27V *1.4 = 37.5V. Das ist die Größenordnung der geglätteten Spannung bei der kleinen Wicklung. Als notwendig sehe ich bei einem solchen Netzteil Dauerkurzschlußfestigkeit an. Also ist bei der kleineren Spannung mit einer maximalen Verlustleistung von 37.5V * 5A = 189W +10% = 208W zu berechnen. Mit 42V - Wicklung kommt man nach der gleichen Methode auf 325W. Davon verlagert sich durch Gleichrichter und Glättung ein wenig auf andere Bauteile. 300W maximale Verlustleistung in der Leistungsstufe sind realistisch für die thermische Betrachtung. Dein Kühler - Monster scheint ja fast dafür ausgelegt zu sein, das wären nur ca. 50K Erwärmung. Brauchen "nur noch" die Transistoren mit gutem Wärmeübergang drauf montiert werden. Wird der komplette Kühler isoliert aufgebaut, läßt sich das vielleicht erreichen. Wesentlich besser allerdings sind zwei solcher Monster. 40°C Zuluft sollten angenommen werden. Dann sind wir schon bei 90° Kühlertemperatur. Da bleibt verdammt wenig Raum über für die Wärmeübergänge in den Transistoren und zum Kühler. Und je heißer so ein Stückchen Silizium wird, je kürzer lebt es ;) NB: Daß es bessere Bauelemente gibt, ändert nichts an den Grundlagen. Das 1967 - Dokument ist gut und verständlich geschrieben. (Da steht sogar drin, wie man ein Oszilloskop anschließt.. lustig)
@ Helge A. 325 Watt ist eine Hausnummer die nicht unbeachtet sein darf. Also teile ich die Spannungen am Trafo mal in 3 Teilspannungen auf. 13,7 - 27.5 - 42.5 Volt. In Deiner Darstellung wird die Tatsache klar herausgestellt, das dieses Projekt eine Herausforderung werden kann. Der Kühler hatte mal die Aufgabe eine CPU aus dem Hause AMD vor dem Verbrennen zu schützen. Auch damals war die temp der Zuluft ein Kriterium. Ich weiß genau was der Kühler noch abführen kann und das DIE unter 92°C bleibt. Isoliert aufgebaut? Du meinst einen Freistehenden aufbau oder die Elektrische Trennung? Danke für deine genauen Ausführungen, und da kommt es mir in den Sinn, Du sagtest 2 von diesen Monstern. Welche zusätzliche Wärmeleistung ist beim TO247 noch zusätzlich über die Frontseite abzuführen? So diese Fläche einigermassen Plan ist. Also mit mehr als 2 Transistoren rechne ich durchaus, mögen es gern 5 oder auch 7 werden. Danke Helge Ahoi von hier aus Lemgo
> 40V bei 5A ist doch ein erstrebenswertes Ziel. Dein Schaltplan sagte 30V 15A, dein Trafo 84V bei mindestens 5A, ich sagte 40V/6A passt eher zu 2 parallelen 2SA1943, wenn du nun bei 40V/5A ankommst, ist das in Ordnung.
Man merkt du hast nicht viel Ahnung von der Materie. Ist ja nicht schlimm, aber dann informiere dich hier im Forum oder im Internet über Netzteile und OPs. Bau es doch einfach auf und lehrne aus den Fehler die du dann feststellst. Und dann baust du eins, was dann auch funktioniert. Ohne viel Hintergrundwissen ist es halt schwer, einzu schätzen wie gut eine Schaltung ist und zu erkennen wo Fehler gemacht worden sind.
Leon K. schrieb: > 48 Seiten durchzuarbeiten braucht doch ein wenig Zeit, welche ich mir > gern nehemn werde. Jedoch aus 1967? ist es nicht ein klein wenig > überholt? Ich habe diesen Link auch nicht durchgelesen. Was sich seitdem geändert hat, ist das man heute preisgünstige Präzisionsreferenzen hat und bessere Operationsverstärker. Das Hauptproblem bei Labor- Netzteilen ist aber nach wie vor die Verarbeitung der hohen Verlust- leistung der Endstufe und da hat sich nichts geändert. Gruss Harald
@ Stefan (Gast) >Man merkt du hast nicht viel Ahnung von >der Materie Hätte ich die Fachkenntnisse, so gäbe es hier keine Fragen von mir. Und Laienhaft durch Versuch und Irrtum ein Ergebnis zu erzielen, dafür sind die Bauteile zu Teuer. Ach ja, Teuer, noch niemand hat sich zur Grundsätzlichen Struktur der Schaltung eingelassen. Leider. Jedoch habe ich dazugelernt und hinter diesem Link: http://stegem.de/Elektronik/Netzteildimensionierung/index.php konnte ich ein wenig mit den DATEN herumprobieren und mir die Ergebnisse anschauen. @ Harald Wilhelms Verlustleistung ist und bleibt ein wichtiges Thema, so lange ich hierfür keine Lösung gefunden habe, ist dieses Projekt nur eine Simulation. Für mich eine Studie, welche Umsetzbar sein kann aber nicht muss. Sicher komme ich der Lösung immer ein wenig näher, so ist doch in der O.g Simulation gut zu beobachten in wie sich die Ursache in >> Wirkleistung << umsetzen würde. @ Helge A. Gute Idee, ich habe mich mal im Keller umgesehen und habe tatsächlich noch einen Kühler gefunden, den ich auf die Front der Transistoren montieren könnte. Die Transistoren dazwischen einspannen. Fragt sich nur, wie viel an zusätzlicher Leistung abgeführt werden kann. Geschätzt hat dieser etwa ein Drittel der Leistung des Zahl*manns. Zudem scheint mir der 2sa1943 zu schwach, ich habe mich noch mal intensiv mit dem Datenblatt beschäftigt. 2SA1216 P scheint wohl etwas günstiger zu sein. Allerdings ist das T-Gehäuse viel zu groß, als das ich dieses ohne Änderungen in dessen Massen kühlen könnte. Die Kontaktfläche beider Kühler ist nun mal begrenzt. Mal schauen, welche Hinweise ich in dieser Richtung von Euch bekommen könnte, oder Beispiele, wie es wohl nicht sein könnte. Oder wie auch immer gelagert. Ahoi von hier aus Lemgo
Du brauchst mindestens 5 Transistoren um die Leistung in den Griff zu bekommen. Und diese müßen auf einen aktiven Kühlkörper drauf. Dein Zalmannlüfter kannste wegwerfen der nützt dir gar nichts es sei denn du nimmst für jeden Transistor einen eigenen Lüfter davon. Schau dir das ELV Netzteil an und nimm den Kühlkörper mit Lüfter den die da genommen haben. Habe es selber schon mal aufgebaut und es läuft mit dem Kühlkörper. Wobei da auch noch Temperaturen von 80 Grad erreicht werden.
@ Stefan (Gast) Dein Link ist TOT. Oder Stell die Schaltung ein, so dass sich jeder Mitleser selbst ein Bild, im wahrsten Sinne des Wortes machen könnte. Schon mal, impliziert doch, Was? Teile mir und allen weitern Mitlesern deine Erfahrungen mit der von Dir vorgeschlagenen Schaltung etwas detailreicher mit. Vermutlich genau deshalb, weil diese Schaltung von ELV im gesamten Forum Ausschließlich vernichtende Kritiken bekommt, beziehst Du dich wiederholt darauf. Mich würde es freuen, von den verborgenen Vorteilen dieser Schaltung zu lesen. Ahoi von hier aus Lemgo
Du bist der einzigste der es nicht findet. Brauchst nur hier im Forum zu suchen. Aber ich bin ja mal nicht so: Beitrag "Bastel Anleitung Funktion Generator und oder Labor Netzteil" Hier kannst du dann auch mit diskutieren.
Aber ich bezog mich nur auf das Netzteil, wegen dem Kühlkörper, nicht wegen der Schaltung. Weil der Kühlkörper wäre der richtige für deine Leistung.
Die Leistungsfähigkeit des Trafos überschätzt man leicht: Durch den nicht so idealen Leistungsfaktor wird durch den Gleichrichter aus 1 A an DC Strom etwa 1,5 A an RMS Belastung für den Trafo. Zumindest wenn man die volle Spannung nutzen will, sollte man über eine andere Schaltung nachdenken, die automatisch die Trafowicklung wechselt, etwa so wie bei einem Klasse H oder G Verstärker: Das spart im Endeffekt auch bei den Leistungstransistoren weil die eine kleinere Spannugn sehen und damit nach der SOA mehr Leistung erlauben. Sonst lieber die Transistoren reichlich auslegen, denn die SOA Kurven sind oft noch für 25 C - real kann man also nicht so viel herausbekommen, wie die Kurven angeben. Die Schaltung könnte gehen (bis vielleicht 5 A bei 30V oder 2A bei 50 V), ist aber ggf. empfindlich auf Bauteiltypen (z.B. die Elkos am Ausgang) und sogar das Layout. Die Kondensatoren an den Senseleitungen zum Gehäuse sehen etwas verdächtig aus - die hätte ich eher zu den Ausgangsbuchsen erwartet. So sind Probleme mit der Stabiliät zu erwarten. Auch fehlt da ein Überlastschutz (z.B. parallele Dioden) für die Widerstände (die 100 Ohm sollte so schon Induktionsarme Leistungswiederstände sein.)
Ulrich schrieb: > empfindlich auf das Layout. Das ist auch der Grund, warum es wenig Sinn macht, solche Schaltungen zu simulieren. Gruss Harald
> weil die eine kleinere Spannugn sehen und damit nach der > SOA mehr Leistung erlauben. Na ja, bis die Umschaltung reagiert, liegen am Transistor über 10ms schon die hohen leistungen an, und er geht doch kaputt. SOA muss also schon im DC Bereich liegen. Aber der (thermisch träge) Kühlkörper kann kleiner sein.
@ Ulrich (Gast) Danke für Deinen Beitrag. >Zumindest wenn man die volle Spannung nutzen will, sollte man über eine >andere Schaltung nachdenken, die automatisch die Trafowicklung wechselt, >etwa so wie bei einem Klasse H oder G Verstärker. Also davon habe ich noch nichts gehört. Klasse H und G Hättest Du Beispiele? Schaltungs-Teile wären schon Hilfreich. @ Harald Wilhelms Das mit der Simulation findet immer wider seine Grenzen in der darauf folgenden Praxis. Darüber habe ich schon so einiges gelesen. Aber das Entwickeln einer Schaltung ist nun einmal nicht mal so eben gemacht. Ich bin nun hier angekommen: 40V bei 5A sind ein Realistisches Ziel. Aufgeteilt in 3 Bereichen welche sich um einige Volt überschneiden dürfen. Meine erste Idee ist die rein Mechanische, die über einen Vorwahlschalter zu schalten wäre. Automatisch ist aber genauso verlockend. So weit ich mich bisher in dieser Materie bewege, Ich studiere im Moment die Vorschläge in der O.g FAQ, stelle fest; die meisten Bauteile können in modernen Bauteilen zusammengefasst werden. Dieses KÖNNTE sich günstiger auf das gesamte Layout auswirken. Die Obrige Schaltung ist wohl nicht zu sehr überzogen, also mir ist sie Schlüssig. Zumal recht gut dokumentiert. Schaut Euch doch mal die Bilder auf dem Link an. Auch wenn das mit dem Holländisch mein Ding auch nicht so ist, so kann ich die Oszillogramme doch bis zu einem Gewissen Grad deuten. A*gilent kann ich kaufen, und sicher auch die dazugehörige Qualität. Das weiß wohl jeder hier im Forum. Genauso in der *bucht-. Das ist jedoch nicht mein Ziel. Ein Mittelwellensender übrigens auch nicht. Ahoi von hier aus Lemgo
Zum Klasse G Verstärker hier mal ein Link: http://sound.westhost.com/articles/class-g.htm#cg5 Die Umschaltung der Spannung, die der Letzte Transistor sieht geht hier schnell, d.h. deultich unter 1 ms, so dass sich die beiden Transistoren in Reihe die Leistung mehr oder weniger Aufteilen (da gibt es noch ein paar verschiedene Ausführungen mit mehr oder weniger gleicher Aufteilung). Der Vorteil ist vor allem das die maximale Spannung am Transistor kleiner wird und damit die SOA Kurve in der Regel günstiger ausfällt. So einfach lässt sich das bei der Schaltung hier aber nicht umsetzen - das wäre dann ein komplett anderer Entwurf. Das war nur der Hinweiss das es nicht unbedingt ratsam ist diese Schaltung auch zu deutlich höheren Spannungen zu erweitern, auf wenn es im Prinzip geht. So kritisch ist bei einem Netzteil das Layout nicht - nur bei einiges wenigen Leiungen kommt es dann ggf. schon auf µH Induktivität oder 1/100 Ohm an Widerstand an. Das heißt aber nicht, dass da eine Simulation nicht möglich ist, man muss nur auch die prasitären Teile berücksichtigen - gerade da ist die Simulation hilfreich um zu sehen wo man aufpassen muss.
Leon K. schrieb: > NA-PSU-SCH-15-final.jpg > http://www.circuitsonline.net/forum/view/110029/10 ... > Schaut Euch doch mal die Bilder auf dem Link an. > Auch wenn das mit dem Holländisch mein Ding auch nicht > so ist, so kann ich die Oszillogramme doch bis zu einem Gewissen Grad > deuten. diejenigen, für die höllandisch nicht eine der 5 Fremdsprachen ist, die man sowieso fliessend zu beherrschen hat, können sich hiermit behelfen: http://www.microsofttranslator.com/bv.aspx?from=nl&to=en&a=http%3A%2F%2Fwww.circuitsonline.net%2Fforum%2Fview%2F110029%2F10 bzw. http://translate.google.com/translate?sl=auto&tl=en&js=n&prev=_t&hl=en&ie=UTF-8&u=http%3A%2F%2Fwww.circuitsonline.net%2Fforum%2Fview%2F110029%2F10 man kann sich das ganze natürlich auch nach deutsch übersetzten lassen, aber dann taugt das Ganze eher für den "Witz der Woche" Thread (z.B. Noise Level wird manchmal als "Gebrüll" übersetzt) übrigens: NA-PSU-SCH-15-final.jpg ist nicht die letzte Version des Autors, sondern http://www.bramcam.nl/NA/NA-01-PSU/NA-PSU-100.gif
noch ne Anmerkung: ein PNP-Längsreglerkonzept als Grundlage für ein Lobornetzgerät zu nehmen, halte ich für sehr gewagt, bzw. unprofessionell. Sowas tut man sich doch nur an, wenn man wirklich um die letzten 500mV der Versorgungsspannung geizt. Und hat man dann die Stabilität bei gutmütigen Lasten so einigermassen im Griff, so hat man wie in obigen Beispiel schon 220µF ungeschütz am Ausgang....grrr Wieso der Autor ausgerechnet ein LDO Konzept genommen hat, ist mir schleierhaft, zumal er in einem der ersten Entwürfe ein NPN-Längsregler benutzt hatte. Ansonsten ist der Thread von blackdog für Anfänger durchaus lesenswert. z.B. sein "Loop Gain Tester" um die Stabilitätskurve der Regelschaltung aufzunehmen werd ich mir demnächst selbst nachbauen (alles andere ist doch stochern im Nebel).
K.M. schrieb: > ein PNP-Längsreglerkonzept als Grundlage für ein Lobornetzgerät zu > nehmen, halte ich für sehr gewagt, bzw. unprofessionell. Ich glaube, es handelt sich hier eher um eine komplementäre Darlington- Schaltung. Gruss Harald
Die Schaltung ist mit einem NPN (ggf. als Darlington) als Endstufe eine low drop-Schaltung. Durch die Hilfspannung ist der Bezugspunkt verschoben. Der PNP arbeitet so gewissermaßen als Emitterfolger. Ich sehe die Wahl eines PNP Leistugnstransistors auch etwas kritisch. Die NPN Leistungstransistoren haben meist etwas bessere Eigenschaften, und sei es nur ein günstigerer Preis, etwas mehr Verstärkung oder Geschwindigkeit. Unabhängig davon ist der Spannungsabfall am Regler bei der Schaltung mit der Fliegenden Hilfsspannung relativ gering, egal ob man jetzt NPN Darlington, PNP/NPN oder auch MOSFETs wählt. Die letzte Version hat schon noch einige Verbesserungen, und auch eine realistischere Leistungsangabe (5A statt 10 A). So einfach zum problemlosen Nachbau ist das aber leider nichts.
@ K.M. (Gast) Dein Beitrag in dieser Diskussion ist ja wohl außerordentlich Bemerkenswert. Du hast den Link für English konfiguriert und alle anderen Sprachen sind in der Top-Leiste wählbar. Ebenso dein Beitrag, wie so einen Spannungsumschaltung zunächst zu verstehen und ein Erster Ansatz wie verschieden hohe Spannungen Stufenlos zu mischen wären. Ich und auch alle weiteren Mitleser sind nun in der Lage sich selbst vorzustellen, wie und wo so etwas umsetzbar sein könnte. Ich habe endlich einen Ansatz, unter welchen Kriterien ich im Netz suchen und finden könnte. Ich für meinen Teil habe mir überlegt, das ich mit den einfachsten Mitteln, also mit nem L200, die Endstufe als Doppel Trio und Quartett unter meiner Idee, dahingehend testen werde, ob die entstehende Verlustleistung auch abgeführt werden kann. Die 2sc1943 haben einen Stückpreis von 2,50€ original Toschi. Habt Ihr hierzu vorschlage und Hinweise. Es wird einige Tage zeit benötigen bis ich die Bauteile zur Verfügung habe. Ahoi von hier aus Lemgo
Bitte melde dich an um einen Beitrag zu schreiben. Anmeldung ist kostenlos und dauert nur eine Minute.
Bestehender Account
Schon ein Account bei Google/GoogleMail? Keine Anmeldung erforderlich!
Mit Google-Account einloggen
Mit Google-Account einloggen
Noch kein Account? Hier anmelden.




