Hallo Alles ist in meiner Überschrift gesagt Bastel Anleitung >Funktion Generator und oder >Labor Netzteil. Vielleicht kennt jemand einen Link wo ich mir das mal anschauen kann.
Martin Michael schrieb: > Alles ist in meiner Überschrift gesagt Allein für Labornetzteile gibt es hier im Forum Hunderte von Threads (und Tausende im INet). Wobei sich im INet allerlei Schrottschaltungen tummeln. Die werden hier im Forum dann auch entsprechend kritisiert. Auch für Funktionsgeneratoren gibts genügend Stoff. Da nimmt man heutzutage meist DDS-Generatoren. Gruss Harald
Funktionsgenerator schnell und billig: XR2206 kaufen und die Schaltung im Datenblatt nachbauen. Da stehen alle Formeln zur Berechnung mit dabei, und ist für "Bastelzwecke" meist ausreichend.
Franzose schrieb: > Funktionsgenerator schnell und billig: > > XR2206 Da habe ich aber noch keine Funktion für einen sauberen Sinus gefunden. :-) Gruss Harald
"Bastel" und "sauberen Sinus" - wie genau soll die Bastelei denn werden? Welcher Bereich, nur eine Frequenz oder einstellbar? Netzteil nur für kleine Basteleien, einstellbar oder fest? Welcher Strom? Fernsteuerbar?
>Da habe ich aber noch keine Funktion für einen sauberen Sinus >gefunden. :-) Danach hab ich auch schon gesucht. Noch lustiger wird es wenn man dazu noch einen phasenstabilen +90° Output will.
Vor ein paar Monaten habe ich den DDS Generator von Frank Kudelsko nachgebaut. Ist eigentlich ein ganz schönes Teil, allerdings ist alles auf Französisch beschrieben und es war nicht unbedingt einfach an die ganzen Bauteile zu kommen. Hier ist die Seite von Herrn Kudelsko http://kudelsko.free.fr/ mfg felix
kopfkratz Wie genau soll der Funktionsgenerator sein ? Mit einem Tiny85 läßt sich durch die PLL eine PWM mit mehreren kHz erzeugen, dann DDS mit Lookuptable. Optional gibt's diskrete DDS Chips mit SPI/TWI usw. usf. Wegen Netzteil kannst Du z.B. beim ELKO vorbei schauen: http://www.elektronik-kompendium.de/public/schaerer/kdarl2.htm
Ich habe noch keine Ahnung was ich da will, weil mir noch die Übersicht fehlt. Ich dachte wohl zu naiv das es den einen oder anderen Bauvorschlag gut beschrieben im Netz gibt.
Martin Michael schrieb: > Ich habe noch keine Ahnung was ich da will, weil mir noch die Übersicht > fehlt. Ich dachte wohl zu naiv das es den einen oder anderen > Bauvorschlag gut beschrieben im Netz gibt. http://www.mikrocontroller.net/articles/Funktionsgenerator Warum hast Du dort nichts gefunden ? Führt dann hier her: http://www.mikrocontroller.net/articles/Digitaler_Funktionsgenerator und wenn Du mehr brauchst: http://www.mikrocontroller.net/articles/DDS_basierter_Funktionsgenerator_mit_AD5930 Und einfach mal eine Suchmaschine mit den passenden Suchanfragen starten ...
Martin Michael schrieb: > Ich dachte wohl zu naiv das es den einen oder anderen > Bauvorschlag gut beschrieben im Netz gibt. Das Problem ist eher, das es viel zu viele Bauvorschläge gibt und Du selbst entscheiden musst, welche davon für Dich tauglich sind und welche nicht. Ein guter Einstieg über die Dinge, die Du beachten musst, bieten übrigens die DSE-FAQ: http://www.dse-faq.elektronik-kompendium.de/dse-faq.htm#F.9 Gruss Harald
Beitrag "Problem mit ELV Netzteil Bausatz PPS 5630" habe das gefunden sieht echt gut aus Danke Harald
Martin Michael schrieb: > Beitrag "Problem mit ELV Netzteil Bausatz PPS 5630" > > habe das gefunden sieht echt gut aus Bevor Du Dich mit einem Prozessornetzteil beschäftigst, solltest Du erst einmal ein normales, analoges mit normalen Potis bauen. Erfahrungsgemäß ist ein solches Netzteil auch später das, was wesentlich praxistauglicher ist. Gruss Harald
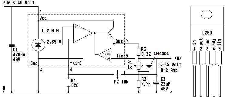
> Erfahrungsgemäß ist ein solches Netzteil auch später das, was > wesentlich praxistauglicher ist. Ein wirklich gutes Prozessornetzteil is' schon was Feines. Das bekommt ein Anfänger aber nicht gebacken. Mein Vorschlag daher: L200! Schaltung im Anhang. Gute Kühlung nicht vergessen! Grüße Löti
Ja sieht auch nicht allzu schwer zu machen aus. Habe die Homepage von dem Projekt gefunden. Danke
Lothar S. schrieb: > Mein Vorschlag daher: L200! Schaltung im Anhang. > Gute Kühlung nicht vergessen! Auch mit guter Kühlung kannst Du aber keine 2A entnehmen. Ich denke, die Grenze wird bei 500mA liegen. Gruss Harald
Ich wollte noch den Link posten wirklich sehr gute Infos über allerlei Elektronik Kram http://www.joretronik.de/Web_NT_Buch/Vorwort/Vorwort.html
Martin Michael schrieb: > Ich wollte noch den Link posten wirklich sehr gute Infos über allerlei > Elektronik Kram > > http://www.joretronik.de/Web_NT_Buch/Vorwort/Vorwort.html Ja, aber der Jörg Rehrmann geht zumindest für Anfänger oft nicht genügend in die Tiefe. Beschreibungen im "ElKo" (http://www.elektronik-kompendium.de) sind da meist wesentlich ausführlicher. Gruss Harald
> Auch mit guter Kühlung kannst Du aber keine 2A entnehmen. Die max. Verlustleistung des L200 bei 75°C Tcase sind 25W und man kann sie, wie im Datenblatt (Figure 21) beschrieben, mit einen PNP-Leistungstransistor leicht erhöhen. Das ist aber gar nicht nötig. Der L200 hat bei ausreichender Kühlung laut Datenblatt (Figure 3) bis zu 16V Differenzspannung einen garantierten Ausgangsstrom von 2,5A. Bei Verwendung eines geeigneten 2x12V Trafos Z.B.:http://www.reichelt.de/Ringkerntrafos/RKT-8012/3/index.html?&ACTION=3&LA=2&ARTICLE=15282&GROUPID=3321&artnr=RKT+8012 lässt sich also der Ausgangsbereich von 3 bis 25(30)V durch einmaliges Umschalten ohne zusätzliche Bauteile überstreichen. Wie man einen automatischen Umschalter aufbauen könnte findet sich hier: http://www.mikrocontroller.net/attachment/186352/Simple_LM317_PS.png Grüße Löti
Harald schrob: >Ja, aber der Jörg Rehrmann geht zumindest für Anfänger oft nicht >genügend in die Tiefe. Damit steht er im Kontrast zu manch Einem hier, der sofort hoch geht. Das ist mir in jedem Fall lieber. ;-) MfG Paul
Für mich ist er gut, hatte mal meinen E-Techniker vor 25 Jahren gemacht und so ist das für mich OK. Hat noch einer eine Idee wo man Bastelvorschläge für Funktionsgeneratoren, sich informieren kann.
Bis zu welcher Frequenz soll der Generator denn laufen? Grüße Löti
Also gut, dann halt in's Blaue hinein. Im Anhang findest Du eine sehr beliebte Elektor-Schaltung von '77. Die Schaltung benötigt eine stabile möglichst rauscharme 12V Versorgung und die Eingangsimpedanz der Folgeschaltung sollte 3k3 Ohm an beiden Ausgängen nicht unterschreiten, sonst wird ein Ausgangs-Verstärker benötigt. Grüße und viel Erfolg Löti
Zwei "Kleinigkeiten" hab' ich noch vergessen: a) Ausgang A liegt gleichspannungsmäßig auf Ub1/2 und man benötigt zum Auskoppeln einen 470nF Folie oder größer. b) Ausgang B ist eigentlich ein open Collector, bei geschlossenen S4 kann aber eine Offsetspannung anliegen, weshalb bei digitalen Folgeschaltungen mit Ub <= 9V eine Shottky zur Entkopplung verwendet werden sollte. Grüße Löti
Bis was für eine Frequenz, keine Ahnung erst mal nicht so hoch nehme ich an muss erst mal Erfahrung sammeln. Danke für eure Hilfen
Werde mich erst mal an einen einfachen Funktionsgenerator mit XR2206 wagen . > Danke Lothar S später dann http://kudelsko.free.fr/generateur_fonctions/sommaire.htm > Danke Felix (Gast) Das Sprachproblem habe ich mit Google Chrome und Übersetzen gelöst. Man versteht es. Diesen Funktionsgenerator werde ich mal in Zukunft bauen, weil man wohl erst die Teile Zusammen bekommen muss. Gut Ding braucht Weile. PS. By the way Ich habe gerade ein Übersetztes PDF erstellt, wenn jemand Interesse hat Uploade ich dass gerne, muss es erst mal Korrektur lesen.
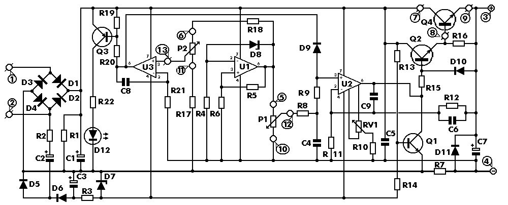
Hallo Ich habe mich vorerst für dies Labornetzteil siehe Anhang entschieden, dies zu bauen. Gute Entscheidung ?
Martin Michael schrieb: > Ich habe mich vorerst für dies Labornetzteil siehe Anhang entschieden, > dies zu bauen. Gute Entscheidung ? Gleich zweimal? :-) Ich denke, da hast Du dir eine ziemliche Krücke im INet ausgesucht. Die Parallelschaltung von sovielen FETs wird ohne aufwändige Selek- tierung nicht klappen. Ich glaube auch nicht, das diese Schaltung hier im Forum irgendwo empfohlen wurde. Hast Du denn nicht, so wie es Dir empfohlen wurde, hier im Forum nach Labornetzteilen gesucht? Gruss Harald
> Gute Entscheidung ? Nein. Den hast du vermutlich aus einem Thread "wie man es nicht machen soll", denn an der Schaltung ist so ziemlich alles schlecht, was man schecht machen kann, es würde mich wundern, wenn sie überhaupt unter den allergpnstigsten Voraussetzungen funktioniert. Aber trotz der hinlänglich bekannten Kritik an vielen Schaltungen die so im Internet kursieren "Komplexe Dinge haben oft eine Schaltung die verständlich, einfach und unkompliziert erscheint - und falsch ist" kommen hier natürlich genau solche Unsinnsvorschläge wie L200, L200 mit externem Transistor, XR2206 den man ohne Messmittel überhaupt nicht auf LIiearität und KLirrfakto abgleichen kann. Es hat schon seinen Grund, warum kommerzielle Netzteile (oder Funktionsgeneratoren) nicht bloss auf einen IC bestehen. http://www.dse-faq.elektronik-kompendium.de/dse-faq.htm#F.9.1
Danke, ja das ist ein komplexes Thema das Netzteil sah ganz gut aus jetzt erst mal durchschnaufen und auf ein neues suchen.
Hallo Kennt jemand einen Link mit dem Schaltplan von HP-AN90B.
Martin Michael schrieb: > Kennt jemand einen Link mit dem Schaltplan von HP-AN90B. Meinst Du diese App-Note? DC Power Supply Handbook (AN 90B) http://cp.literature.agilent.com/litweb/pdf/5952-4020.pdf
Martin Michael schrieb: > Danke, ja das ist ein komplexes Thema das Netzteil sah ganz gut aus > jetzt erst mal durchschnaufen und auf ein neues suchen. Mein Lieber, so wie du schreibst, hast du noch nicht allzuviel Erfahrung angesammelt und du hast vermutlich noch keinen guten Meßmittelpark. Also, deswegen mein Rat: Gehe hin und kaufe dir ein kleines Labornetzteil. Bloß nicht zu groß! So eines, was 0..15 Volt kann und maximal 1 Ampere ist genau das Richtige. Gründe: 1. Mit so einem Teil ist es etwas schwerer, schlimmen Schaden in seiner Bastelei anzurichten als mit einem 30 Volt / 5A Netzteil oder was noch dickerem. 2. Sowas ist preislich zumeist auch recht dezent. Wenn du daran etwas bauen willst, dann ersetze das übliche grobe Poti für die Spannungseinstellung durch ein 10 Gang Poti. Das ist was wirklich sinnvolles, weil du damit die Ausgangsspannung eben viel feiner einstellen kannst und ein versehentliches Anstoßen nicht gleich die Versuchsschaltung ermordet. Nächster Rat: Bevor du dir nen tollen Funktionsgenerator basteln willst, wäre es sicher eine bessere Sache, sich erstmal einen einfachen NF Sinusgenerator zu bauen. Entweder Wien-Robinson oder einen Phasenschieber mit einem Vierfach-OpV und Doppel-Poti. Das geht noch recht einfach. Von DDS und integrierten Funktionsgeneratoren laß erstmal die Finger, bis du dir einen passablen Oszi geleistet hast. Nochwas: Versuche erstmal zu verstehen, wie all die obertollen Schaltungen aus dem Internet eigentlich funktionieren, bevor du beginnst, Teile einkaufen zu wollen. Viele davon sind nämlich garnicht so obertoll und für einiges (z.B. DDS) brauchst du ein ganzes Stück mehr Erfahrung, als es in der Schaltung danach aussieht. W.S.
Hallo Martin, bevor Du Dir einen Funktionsgenerator baust, wie wäre es am Anfang mit Software? http://www.heise.de/download/af-signal-funktions-generator-1119460.html Der ist auch nicht schlecht: http://www.chip.de/downloads/Audio-SweepGen_12993635.html Mit dem Entwickeln von Schaltungen kommt man eigentlich ohne Oszi nicht weit. Mein Rat: bevor Du anfängst zu löten, simuliere es. Es gibt tolle Simulationsprogramme. LTSpice ist sehr empfehlenswert und zudem kostenlos. Ausserdem erhältst Du auch hier im Forum guten Support. Hier ein sehr gutes Tutorial: http://www.gunthard-kraus.de/LTSwitcherCAD/index_LTSwitcherCAD.html Hier das internationale LTSpice - Forum. http://groups.yahoo.com/neo/groups/LTspice/info Gruss Klaus.
Ja Danke das ist sehr verwirrend Ich würde gerne ein einfaches Labornetzteil bauen das Kurzschlussfest ist. 0 bis 24V und 2-3A Klaus Ra Du hast ganz Recht ich muss mich erst mal wieder belesen und Erfahrung sammeln und ich werde beherzigen was Du schreibst Ich war so naiv zu glauben das es einfach sein würde einen Schaltplan für ein Labornetzteil zu finden. Entweder sie sind zu einfach und so nicht in sich konsistent sprich Kurzschlussfest oder sie sind zu komplex. Die Komplexen Sachen kann man schon mal andenken und in 2 - 3 Jahren realisieren . http://www.produktinfo.conrad.com/datenblaetter/100000-124999/116661-as-01-de-Universal_Netzgeraet_30V_3A.pdf Das sieht einfach aus und vom Verständnis ziemlich einfach.
Laß die Finger davon, da fehlen noch Trafo, Gehäuse usw. Du wirst nie fertig und hast eine Menge Geld in den Sand gesetzt und Frust obendrein. Spare das Geld für einen Oszi, den wirst Du immer brauchen. Mach das, was W.S geschrieben hat - das führt zum Erfolg! Blackbird
Ich habe zwei Ossis ein altes 804 Hameg und ein neues Rigol kommt die nächsten Tage. Frust gehört dazu ich möchte einfach nur einfaches durchdachtes LaborNetzTeil. was meint ihr dazu http://www.electronics-lab.com/projects/power/001/index.html
Martin Michael schrieb: > was meint ihr dazu > http://www.electronics-lab.com/projects/power/001/index.html Das ist auch nicht besonders toll. Warum suchst Du nicht innerhalb dieses Forums? Gruss Harald
Martin Michael schrieb: > Ich habe zwei Ossis ein altes 804 Hameg und ein neues Rigol kommt die > nächsten Tage. Na dann bist Du ja bestens ausgerüstet. > was meint ihr dazu > http://www.electronics-lab.com/projects/power/001/index.html Sieht etwas betagt aus. Das von Conrad gefällt mir besser, dürfte besser regeln. Allerdings geht das nur bis 1V herunter. Dies sollte jedoch genügen. Gruss Klaus.
Und hat nur 20W Verlustleistung und ist nur 3s kurzschlußfest. Wie soll das bei 1V und 3A (Verlustleistung 29V * 3A) hinhauen? Blackbird
Schau mal hier rein: http://www.fingers-welt.de/phpBB/viewtopic.php?f=14&t=669#p11149 Da ist eine .asc verlinkt. Dieses Netzteil lässt sich schön skalieren und ist wirklich einfach.
Omega G. schrieb: > Da ist eine .asc verlinkt. Dieses Netzteil lässt sich schön skalieren > und ist wirklich einfach. Da sind mir wieder zu viele diskrete Bauteile verwendet worden. So ein LM317 wäre da schon nicht schlecht. Ausserdem, 110V sind hier nicht gefragt. Gruss Klaus.
Klaus Ra. schrieb: > Da sind mir wieder zu viele diskrete Bauteile verwendet worden. Bei Labornetzteilen verwendet man praktisch immer diskrete Leistungsendstufen > So ein LM317 wäre da schon nicht schlecht. Der bekommt doch die Leistung nicht weg. Etwas besser ist da schon der L200, wenn man sich mit ca. 1A begnügt. Da kann man sogar eine einstellbare Strombegrenzung mit machen; allerdings sollte man dafür kein Poti, sondern besser einen Stufenschalter nehmen. Gruss Harald
Sorry Leute, aber "So sieht mein Ansatz für ne Strom- und Spannungsregelung aus. Die Schaltung in der Simulation ist natürlich kein fertiges Netzteil, aber eine wie ich finde simple, gute Grundlage." ist ziemlich lang für "funktioniert so nicht".
Also der LM317 Vorschlag soll dort eben nicht umgesetzt werden. MaWin: Schau mal genau hin, diese Schaltung funktioniert!
Ach wie schön hier keiner lesen kann. "110V sind hier nicht gefragt". Stell dir vor, für 110V ist der Inhalt der ASC auch nicht ausgelegt! Lässt sich aber leicht daran anpassen. Oder an 0-5V. oder an 0-1kV. Nunja, sowas kann man leicht übersehen, wenn man sich Sachen erst gar nicht ansieht bevor man seinen Senf dazu gibt ;) Für die Verwendung von diskreten Reglern gibt es bei solchen Geräten einen guten Grund, Stichwort Schwingneigung oder auch Störanfälligkeit. Achja, MaWin, erkläre doch mal bitte nachvollziehbar, wieso es deiner Meinung nach nicht funktioniert. Schließlich will derjenige, der sich ein solches Gerät bauen will und deswegen diese Diskussion hier eröffnet hat auch was lernen. Gruß
> erkläre doch mal bitte nachvollziehbar, wieso es deiner > Meinung nach nicht funktioniert. > Stichwort Schwingneigung Eine Antwort hast du damit ja schon selbst gegeben. Diese Art Schaltung kann gar nicht stabil bei allen denkbaren Lasten arbeiten. Ein Labornetzteil muss aber von Leerlauf bis Kurzschluss und ohne bzw. mit beliebig großen kapazitiven Lasten stabil sein und dabei möglichst gar keine interne Ausgangskapazität haben. > Für die Verwendung von diskreten Reglern gibt es bei solchen Geräten > einen guten Grund, Stichwort Schwingneigung Ob eine Schaltung schwingt oder nicht, hängt nicht davon ab, ob die diskret oder mit irgenwelchen ICs gebaut ist, sondern davon, ob die so entworfen ist, dass die mit jeder beliebigen kapazitiven Last stabil ist. > Schließlich will derjenige, der sich > ein solches Gerät bauen will und deswegen diese Diskussion hier eröffnet > hat auch was lernen. Na hoffentlich lernt er nicht von dir Spaghettischaltungen zu zeichnen oder solche Sachen wie R24.
ArnoR schrieb: > Diese Art Schaltung > kann gar nicht stabil bei allen denkbaren Lasten arbeiten. Ein > Labornetzteil muss aber von Leerlauf bis Kurzschluss und ohne bzw. mit > beliebig großen kapazitiven Lasten stabil sein und dabei möglichst gar > keine interne Ausgangskapazität haben. Aaaah ja. Und wieso kann diese Schaltung nicht stabil bei allen Lasten laufen? Ich höre hier immer nur "das kann nicht gehen" - begründen tut das keiner. Und "Ein Labornetzteil muss aber von Leerlauf bis Kurzschluss und ohne bzw. mit beliebig großen kapazitiven Lasten stabil sein und dabei möglichst gar keine interne Ausgangskapazität haben." ist eine korrekte Aussage. Begründet aber gar nichts. Also liefer doch mal eine nachvollziehbare Begründung ab... So eine Schaltung muss nicht zwangsläufig disrket sein - unempfindlicher gegen Störungen ist es allerdings. Und was hast du gegen R24? Bau mal nen Linearbrater mit mehreren parallel geschalteten NMOS auf, dann siehste schon, wozu der gut ist.
> Achja, MaWin, erkläre doch mal bitte nachvollziehbar, wieso es deiner > Meinung nach nicht funktioniert Es kackt bei komplexen Lasten ab, siehe Ausgangsspannungsbild bei drangestrickter sich änderndender Last. Der Leistungs-MOSFET ist langsamer als die long tailed pair Differenzregler, es fehlt die Kompensation.
> Also liefer doch mal eine nachvollziehbare Begründung ab... Hab ich schon hundert Mal gemacht, z.B. hier: Beitrag "Re: Labornetzteil/Funktionsgenerator" > Und was hast du gegen R24? Bau mal nen Linearbrater mit mehreren > parallel geschalteten NMOS auf, dann siehste schon, wozu der gut ist. Noch so ein Mist. Wenn du Mosfets parallel schalten willst, dann kannst du die nur über Source-Widerstände symmetrieren, aber nicht über Gate-Widerstände, weil ins Gate praktisch kein Strom fließt und daher über den Gate-Widerstände keine Spannung abfällt, die die unterschiedlichen Ugs ausgleichen könnte. In deiner Schaltung ist der R24 sinnlos, weil der Mosfet bereits aus einer hochohmigen Quelle gesteuert wird (Ausgangswiderstand der Stromquelle//Ausgangswiderstand eines Diff).
@ MaWin: Einen niederohmigen Schwingkreis zum schwingen anregen und die Schwingung dieses Konstruktes als Beweis für eine instabile Regelung anzuführen ist recht unsinnvoll. Schließlich schwingt nicht das Netzteil, sondern die Last. Wo allerdings die sägezahnartige Schwingung zuvor her kommt, wüsste ich gerne, bei mir schwingt da laut Spice nichts - Kannst du mir mal deine .ASC zukommen lassen? Ich würd gern die Ursache erfahren. @ ArnoR: Schon klar, dass man FETs genau so wie BJTs über passende Source- bzw. Emitterwiderstände symmetriert. Der Gatewiderstand hat einen komplett anderen Zweck. Gerade wegen der hochohmigen Quelle wird dieser benötigt. In der Praxis schwingt ein Multi-FET Konstrukt ziemlich gern ohne eben diesen Widerstand direkt am Gate. L-C Schwingkreis bestehend aus Zuleitung und Gate und so...
Harald Wilhelms schrieb: > Der bekommt doch die Leistung nicht weg. Etwas besser ist da schon > der L200, wenn man sich mit ca. 1A begnügt. Da kann man sogar eine > einstellbare Strombegrenzung mit machen; allerdings sollte man > dafür kein Poti, sondern besser einen Stufenschalter nehmen. > Gruss Ich dachte auch nicht daran den LM317 bei 3A allein regeln zu lassen. Siehe Datenblatt Seite 16. http://pdf1.alldatasheet.com/datasheet-pdf/view/8619/NSC/LM317.html Gruss Klaus.
@MaWin: Ursächlich ist scheinbar die "-Sense" Spannungsmessung, bei nennenswerten Leitungswiderständen stottert die Regelung da wohl rum. Wie gesagt, es war ein erster Entwurf - Danke für den Hinweis auf diesen Fehler, das hierfür zuständige Konstrukt hatte ich bisher noch nicht ausgiebig getestet. Wenn man den Kabelwiderstand unten auf annähernd 0 reduziert, regelts sauber.
> MaWin Danke nur was mache ich mit der asc Datei
Und Danke an alle
Martin
Martin Michael schrieb: >> MaWin Danke nur was mache ich mit der asc Datei Lies die in LTSpice ein. Gruss Klaus.
Der Vollständigkeit halber mal ein Ausgansspannungsplot von MaWin´s ASC. Einzige Änderung: Kabelwiderstand unten = 5mR. Die Schwingung rund um 480ms ist der am Ausgang angeschlossene, fast ungedämpfte Serienschwingkreis - diese Schwingung hat nichts mit der Regelung zu tun. Der Überschwinger danach kommt vom schlagartigen Abschalten des Spulenstroms - Die Endstufe kann den Ausgang schließlich nur hoch, aber nicht runter ziehen.
Deswegen haben bessere Netzteile eine current sink (oder zumidnest einen Belastungswiderstand).
Jup. Nur wie wohl jeder zu Beginn überlesen hat, handelt es sich bei meiner Simulation um einen ersten Entwurf und nicht um ein komplettes Netzteil, quasi um den Kern eines Netzteils der mit diversem Zeuch drumherum ein brauchbares Gerät ergibt.
@ ArnoR du schreibst immer nur wie unbrauchbar die Schaltungen sind, hast aber noch nie eine (bessere) gezeigt... muss ja keine fertig dimensionierte sein. lg
Gibt es überhaupt ein "fertiges NT" im Forum ??? mit etwa solche Eckdaten wie ca 40V und min 5A...in jedem Plan findet irgend jemand einen Macken..
Das liegt wohl daran, dass es kein "perfektes" Labornetzteil gibt. Je nach Anforderung ist mal die eine, mal die andere Schaltung im Vorteil, wobei es für jeden Einsatzzweck halt gut und schlecht (und überhaupt nicht) geeignete Schaltungen gibt. Meine Erfahrung hat bisher gezeigt: Diskret aufgebaute Netzteile sind deutlich unempfindlicher gegen Störeinstrahlungen von außen als Netzteile mit Opamps und vergleichbarem Regelverhalten (Ich habe schon diverse Netzteile mit HF gequält, sowohl selbstgebaute als auch Fertige, z.B. von HP, Kennwood, Gossen, Zentro, Philips. Meine Aussage bezieht sich also nicht einzig auf den Vergleich von zwei Geräten). Und sind wir doch mal ehrlich: In diesem Forum finden viele Leute Macken in Schaltungen die ihnen nicht gefallen nur weil sie ihnen nicht gefallen. Und wenn man dann wissen will, was das für Macken sind, weichen sie aus weil sie keine finden. Dies ist natürlich nicht immer der Fall. Oft werden tatsächlich Fehler gefunden, wie bei meiner Schaltung die verkorkste Spannungsmessung. Nur werden diese Fehler dann oft so kreativ demonstriert, dass es aussieht als würde die komplette Schaltung nichts taugen (In dem Screenshot sieht es so aus, als würde die Regelung am Ende wie wild schwingen - dass das allerdings nicht die Regelung sondern die Last ist, fällt dabei leicht unter den Tisch).
Passt nicht ganz zum Thema ..habe heute einen haufen BUV21 Leistungtransistoren bekommen..Hat jemand einen NT Schaltplan oder evtl. Stromsenke mit dem Bauteil ?
Mit genau diesem Bauteil wirds vermutlich schwierig ;) Ne vernünftige Schaltung lässt sich aber auch für den Betrieb mit diesen Transistoren anpassen.
Thomas der Bastler schrieb: > Gibt es überhaupt ein "fertiges NT" im Forum ??? mit etwa solche > Eckdaten wie ca 40V und min 5A...in jedem Plan findet irgend jemand > einen Macken.. Soweit ich das sehe, gibt es in diesem Forum wohl kein wirklich "fertiges" Netzteil mit maximal 40V/5A und das wundert mich nicht, denn das Konstruieren von richtig dicken Netzteilen, obendrein auch noch in U und I einstellbar, ist eine Wissenschaft für sich - und von den meisten hier sich tummelnden Leuten, de eher kleine Softwerkeriche sind, wird dies auch nicht überschaut, geschweige denn gar beherrscht. Und zu dem scheinbaren Vorteil von diskret versus OpV: das ist einzig von der auftretenden Schleifenverstärkung verursacht. Ein simpler diskreter Regelverstärker mit nur mäßiger Verstärkung reicht für ein Netzteil allemal aus und die Schwingbedingung (Phasengang versus Verstärkungsgang) wird nicht so schnell erreicht. Dafür ist die Ausgangsspannung ein bissel mehr lastabhängig, aber wen schert's, ob die 5 Volt kurz vor Maximalstrom nun um 10 mV oder 100 mV absackt? Keinen! Und wer da meint, das sei falsch und unbrauchbar, der bastelt Mist in seiner zu versorgenden Schaltung, die viel zu wenig immun gegen Betriebsspannungsschwankungen ist. Fazit: Wer OpV's im Labornetzteil verwendet, muß sich etwas früher mit dem Bode-Diagramm zu seiner Schaltung befassen, ansonsten gibt's keinen Unterschied zu diskreten Versionen. btw: Ich hab dem TO nicht umsonst ein paar Orientierungswerte geschrieben, die sich aus der Praxis ergeben haben. Aber er scheint mir ein bissel beratungsresistent zu sein. W.S.
und was spricht gegen dieses NT http://www.spaennare.se/psupply.html Regulator part with variable current limitation (4.2 - 18 A):
> und was spricht gegen dieses NT 3 mal 2N3055 parallel halten keine 40V@15A aus, man müsste schon 5 parallel schalten, um 30V raus erzeugen zu können braucht dieses Netzteil 40V rein, also immer mindestens 10V Verlust (genauer: 1.5V(100000uF)+2.5V(723)+1V(BD243)+1.5V(2N3055)+0.5V(0.1R)+2.25V(0.15R) = 9.25V mehr müssen reingehen damit die Ausgangsspannung kommt, aber der 28V Trafo liefert bei 10% Netzunterspannung minimal 33.6V, das -7.75V reicht nicht für 30V raus sondern nur für 24V. Im Leerlauf bei 10% Netzüberspannung kommen 1.1*28*1.05*1.414-1.4 = 44V rein, das ist bedenklich für einen 40V aushaltenden uA723. Über die Einstellung der Stromregelung verlieren wir besser kein Wort. Also der übliche Murks.
Die wahrscheinlich billigste Lösung für einen Sinus-Funktionsgenerator von 1Hz bis über 30MHz (!) ist ein AD9850-Modul und ein 2x16-LCD von Ebay und dazu z.B. einen SAD501 als Steuermodul, alles zusammen für weit unter 20 Euro. Der Aufbau ist fast kinderleicht.
Also ich höre so oft Murks und das ist nichts, wo ist das Problem für ein ausgewogenes Netzteil, was ist mit dem Netzteil aus der ELEKTROR von glaube ich 2010,lohnt es sich dies aufzubauen
Martin Michael schrieb: > aus der ELEKTROR von glaube ich > 2010,lohnt es sich dies aufzubauen Aus welchem Heft ?
Ahoi Thomas, dürfte dieser Typus sein http://www.elektor.de/products/kits-modules/kits-%28-71%29/100166-71-dual-voltage-current-display.1351980.lynkx GW Nachtrag: http://www.elektor.de/forum/foren-ubersicht/elektor-foren-der-treffpunkt-fur-elektroniker/meine-schaltung-funktioniert-%28noch%29-nicht-%28/unilab-labornetzteil-04-2010.1339459.lynkx
MaWin schrieb: > 3 mal 2N3055 parallel halten keine 40V@15A aus, man müsste schon 5 > parallel schalten, Könnte ich 3 x BUV21 nehmen. Ein entsprechender Trafo wäre auch kein großes Problem, sowei wenn etwas weniger wäre wie 40 V MaWin schrieb: > Über die Einstellung der Stromregelung verlieren wir besser kein Wort. Wieso ? Ist das Ding nicht Kurzschlußfest ?
> Könnte ich 3 x BUV21 nehmen Der hält 5A bei 40V aus, wenn das Gehäuse bei 25GradC bleibt. Wie willst du das erreichen ? Wasserkühlung ? > > Über die Einstellung der Stromregelung verlieren wir besser kein Wort. > Wieso ? Sie ist ungenau weil sie nur von der Ube eines Transistor abhängt und die ändert sich bekanntlich -2mV/K, wird der Chip wärmer, gibt es weniger Strom, das Netzeteil schweingt also thermisch in der Strombegernzung. Zudem ist die Steilheit gering, die Ausregelung (der Siebelksospannungsschwankung im Stromregelbetrieb bzw. schwankender Last) also recht mies. Zudem ist der Verlust von 2.25V @ 15A = 33,75 Watt im shunt recht hoch, und das alles bloss weil man unbedingt mit der alte Krücke uA723 auskommen wollte. > Ist das Ding nicht Kurzschlußfest ? Das vermutlich schon, aber das nennt man nicht Stromregelung.
@Martin Michael (ats3788) > Also ich höre so oft Murks > und das ist nichts, wo ist das Problem > für ein ausgewogenes Netzteil, > was ist mit dem Netzteil aus der ELEKTROR von glaube ich > 2010,lohnt es sich dies aufzubauen Willst Du jetzt von jedem Netzteil im Netz eine Bewertung hören? Warum nimmst Du nicht die vorgeschlagenen Lösungen? Warum steigen Deine Anforderungen an die NT-Leistung von Tag zu Tag? Was sagst Du zu den Generator-Vorschlägen? Was willst Du wirklich? Warum fragst Du hier, wenn Dich die Antworten nicht interessieren? Blackbird
Ahoi MaWin, könntest Du bitte ein NT mit entsprechender Regelung(I+U) für den Normalo nennen, bzw. einen Hinweis setzen, wo anstatt des ollen 723er neuzeitliche Bauteile verwendet werden? Ein kompletter Schaltplan wäre wünschenswert und nicht nur Auszüge wie man es machen könnte, damit auch ein Laie wie ich es bin damit zurecht kommt, kommen kann/könnte! Man könnte sich manch Elefanten - 3d ersparen, wo letzendlich kein Mensch mehr durchblickt bei soviel unnützem wirren Geschreibsel, wenn gleich entsprechende Schaltplanvorlagen eingestellt werden - Merci GW
Walter R. schrieb: > könntest Du bitte ein NT mit entsprechender Regelung(I+U) für den > Normalo nennen Hier sind viele Schaltpläne kommerziell tauglicher Netzteile verlinkt http://www.dse-faq.elektronik-kompendium.de/dse-faq.htm#F.9.1
> Walter R. Ich danke Dir sehr > Blackbird hatte mich doch verwirrt Natürlich versucht man zu recherchieren nur unklare Infos sind nicht nützlich und man möchte kein 0815 Netzteil aufbauen oder was von Linear vor die Füsse geschmissen bekommen um dann festzustellen das ist ja wieder ein riesiger Acker der bearbeitet werden muss. Die Infos sind alle nützlich und erweitern den Wissensschatz nur es gibt Menschen die Krank sind und Wissen langsamer verarbeiten können und auf klare Aussagen angewiesen sind. Dank an die netten Leute im Forum.
http://www.elv-downloads.de/Assets/Produkte/2/225/22532/Downloads/22532_Universelle_Netzteilplatine_um.pdf Das baue ich jetzt und lass mich nicht vom folgenden Satz abschrecken. (angeblich schnellt Ausgangsspannung beim Abschalten hoch, zumindest kritisch instabil siehe viele kleine KerKos) Vielleicht hat ja jemand dies Netzteil verbessert. Ich bedanke mich bei allen.
Ich habe 2 solche NTs in der Hand gehabt. Würde ich Dich dringend abraten ! Es gibt hier im Forum schon eniges darüber. 1) Der Bausatz funzt zwar auf anhieb, fehlerfrei aufgebaut. Eins von mir und eins von meinem Freund...aber 2) Die Strombegrenzung arbeitet nicht sauber. Die Schaltung schwingt. 3) C15 und C16 müssen größer sein. Siehe etwas ähnlich aufgebaute NT http://www.elv.de/pwm-schaltnetzteil-platine-komplettbausatz-ohne-netztrafo-gehaeuse-panelmeter.html Mit dem bist 100mal besser bedient. Habe selber im Einsatz. 4) Die Schaltung ist nur sehr begrenzt kurzschlussfest. Bei Max Strom sind einige TIP142 über den Jordan. Die jeweil 3 Emitterwiderstände sind zu schwach...usw.. Also mein Rat vergiss es !!!
Martin Michael schrieb: > http://www.elv-downloads.de/Assets/Produkte/2/225/22532/Downloads/22532_Universelle_Netzteilplatine_um.pdf > > Das baue ich jetzt und lass mich nicht vom folgenden Satz abschrecken. > > (angeblich schnellt Ausgangsspannung beim Abschalten hoch, > Vielleicht hat ja jemand dies Netzteil verbessert. Das ist recht einfach: Man nimmt ein Relais, welches den Ausgang abtrennt, bevor die Eingangsspannung absinkt. Gruss Harald
Harald Wilhelms schrieb: > Das ist recht einfach: Man nimmt ein Relais, welches den Ausgang > abtrennt, bevor die Eingangsspannung absinkt. Ja Harald, dies hatten wir damals auch schon, gute Idee, aber trotzdem ist die Schaltung nach meiner Erfahrungen nach ziemlich mies.
Martin Michael schrieb: > http://www.elv-downloads.de/Assets/Produkte/2/225/22532/Downloads/22532_Universelle_Netzteilplatine_um.pdf > > Das baue ich jetzt und lass mich nicht vom folgenden Satz abschrecken. > > (angeblich schnellt Ausgangsspannung beim Abschalten hoch, zumindest > kritisch instabil siehe viele kleine KerKos) Du solltest dich aber abschrecken lassen und mal diesen Thread: Beitrag "ELV Netzteil aufbohren" lesen. Darin ging es um genau dieses Netzteil und seine Mängel. Ein paar wurden behoben, wie TdB schon sagte, aber das Hochlaufen der Ausgangsspannung wohl noch nicht. Die läuft hoch, weil die Stromquelle T1 noch Strom liefert, wenn die OPVs schon nicht mehr arbeiten können. Man müsste also dafür sorgen, dass die Stromquelle versiegt, bevor die OPVs aussteigen. Dazu könnte man z.B. in die Kollektorleitung von T1 eine Z-Diode mit niedriger Spannung oder eine LED legen und den TIPs noch einen Ableitwiderstand zwischen Basis und Emitter geben.
Thomas der Bastler schrieb: > Ja Harald, dies hatten wir damals auch schon, gute Idee, aber trotzdem > ist die Schaltung nach meiner Erfahrungen nach ziemlich mies. Nun, zumindest sind dort, im Gegensatz zu einigen anderen im INet kursierenden Schaltungen, grundlegende Sachen, z.B. das man aus einem 24V/5A Trafo keine 30V/5A zaubern kann, beachtet. Verdächtig sind bei vielen ELV-Schaltungen die teilweise gleichmäßig verstreuten kleinen Kerkos. Sowas bedingt m.E. das man auf jeden Fall die originale, gedruckte Schaltung verwenden sollte. Bei Endtransistoren für Labornetz- teile sollte man sich auch auf jeden Fall das Datenblatt bezüglich des zweiten Durchbruchs ansehen; ob das in der ELV- Schaltung beachtet wurde, weiss ich jetzt nicht. Gruss Harald PS: Interessanterweise sind bei fast allen Industrienetzteilen automatische Umschaltungen für die Sek.-Spannung verbaut. Bei Schaltvorschlägen im INet sieht man das so gut wie nie. Anderer- seits ist eine kleine Komparatorsteuerung für die entsprechenden Relais ja nun wirklich nicht besonders schwierig. Wer da bei der Berechnung schon Probleme bekommt, sollte sich dann wohl wirklich besser ein Fertiggerät kaufen.
Ahoi, für bewußtes grillen vo Transen ist besagtes NT vom Allerfeinsten konzipiert worden, wahrscheinlich auch von den Experten so angedacht! Hatte schon mehrmals versucht, in der ELV-Plattform zu diesem NT meine Stellungnahme und Verbesserungen einzugeben. Diese wurden von den ELV-Fuzzys jedoch nicht freigeschaltet - GW PS: An Bord haben wird NT`s, die eine Dauerkurzschlußfestigkeit wie hervorragende Eigenschaften aufzuweißen haben. Was nützt z. Bspl. ein NT, daß mit uns statt wir mit dem arbeiten - nichts! Haben teils noch unsere ollen Philips Meßgeräte behalten, weil man sich auf die verlassen konnte!
Ja man sollte das original Layout von ELV nehmen da sonst die Schaltung zu schwingen anfängt. Habe ich selber schon ausprobiert, mit eigenem Layout. Nach anpassen der Kondensatoren und weitere Kondensatoren die ich eingebaut hatte, lief es dann stabil. Der größte Nachteil ist halt, das der Pluspol auf Masse liegt. Wobei man die Schaltung 2mal aufbauen muß, wenn man 2 geregelte Ausgansspannungen haben will. Wichtig ist auch das man richtige Kühlkörper für die Leistungtransistoren nehmen muß. Die man so bei Reichelt bekommt, reichen nicht für 30V und 5A weg zu kühlen. Dann die Original von ELV nehmen, die können es.
Stefan schrieb: > Wichtig ist auch das man richtige Kühlkörper für > die Leistungtransistoren nehmen muß. Das gilt für alle Labornetzteile; Ich glaube, manchen Bastlern ist nicht bewusst, das es auch für Kühlkörper Datenblätter gibt. :-) Gruss Harald PS: Bei einem Labornetzteil müssen eine Menge Dinge berücksichtigt werden; Das ist kein Projekt, welches ein Anfänger mal eben am Sonntagnachmittag zusammenlötet, speziell für Ströme > 1A
Und viele können keine Datenblätter richtig lesen. Z.B. Leistungstransistoren. Im Datenblatt steht 10A, na dann nehm ich einen für mein Netzteil der wird ja reichen, da ich eh nur 5A aus dem Netzeil nehme. Da aber noch mehr im Datenblatt steht, was sich auf die 10A bezieht, das wird dann einfach ignoriert oder man will es nicht wahr haben. Wer so an eine Bauanleitung ran geht sollte sich ein anderes Hobby suchen.
Stefan schrieb: > Ja man sollte das original Layout von ELV > nehmen da sonst die Schaltung zu schwingen anfängt. Stefan: ich kann Dir nicht zustimmen. Beide Module, waren komplett original ELV Bausätze. Walter R. schrieb: > Hatte schon mehrmals versucht, in der ELV-Plattform zu diesem NT meine > Stellungnahme und Verbesserungen einzugeben. Diese wurden von den > ELV-Fuzzys jedoch nicht freigeschaltet - Ich hatte persönlich auch ELV angeschrieben. Hatte nie eine Antwort bekommen, bezüglich C15 und C16.
Bin davon ausgegangen das das original Layout nicht schwingen würde. Habe das Original Layout ja nicht aufgebaut, da ich ein eigenes benutzt habe.
Ich hatte also komplette Bausätze. Irgandwann, nach dem einige TIPs explodierten, hat mir jemand im Forum den guten Tipp gegeben wegen der beiden Kerkos. Danach ging es etwas besser. Ich habe mal den Plan vom PWM NT angeschaut, die Regelung kam mir bekannt vor, und siehe, dort wurden einige kleine Änderungen im selben Regelkreis vorgenommen. Danach war mir alles klar. Es ist schon schwach, fande ich, daß wir nichtmal eine Antwort bekommen haben. Ein ähnlicher Fall war der Wochentimer-Panelmeter WTP 200, Komplettbausatz, welchen mein Nachbar bestellt hatte. Der Aufbau war kinderleicht, müsste man nur noch ein Handvoll Bauteile einlöten. Ging garnichts. Der Nachbar hat es eingeschickt. Nach ca 2 Wochen erhielten wir einen neuen Bausatz, mit dem vermerk, Fehlerhafte Controller wurde geliefert. Nochmal aufgebaut. jetzt funktionierte die Anzeige, aber einige Sachen konnten nicht so programmiert werden wie beschrieben. Erneuete Reklamation. Ein neuer Bausatz. Der SMD Controller fehlte, wurde nicht aufgelötet. Witz oder ? Danach hat mein Nachbarn direkt auf die Geschäftsleitung geschrieben ob die Bausätze überhaupt geprüft werden ? Nach 4 Wochen später kam ein Paket, gesendet vom "Abteilungsleiter der Technik" ...tut uns Leid bla bla...anbei ein fertig getestes Modul...Soviel nebenbei zu ELV Bausätze. OK kann schon was schief gehen. Bin aber der meinung die Qualität hat stark nachgelassen. Andem haben sie kein einzige Euro verdient. Habe nichtmal gerechnet die Rückporto und die Zeit für die Briefe, was mein Nachbar investiert hatte.
>Walter R. >Hatte schon mehrmals versucht, in der ELV-Plattform zu diesem NT meine >Stellungnahme und Verbesserungen einzugeben. Diese wurden von den >ELV-Fuzzys jedoch nicht freigeschaltet - Kannst Du das hier posten
http://public.fh-trier.de/~berres/Bauanleitungen%20Messtechnik/Labornetzteil%200-30V%200-4Amp/ Was haltet ihr von dem Projekt.
Besser, 3 BD249 für 4A sind sicher ausreichend, nur die TL081 sind wegen phase inversion nicht ideal, heute gibt es bessere. Aber wie jedes Netzteil sollte es nach dem Aufbau mit einer geschalteten komplexen Last auf Ausregeleigenschaften geprüft werden und die Kondenstaoren ggf. angepasst werden.
Martin Michael schrieb: > Was haltet ihr von dem Projekt. Ralph Berres gehört zu den wenigen hier, der absolut was drauf hat.Seine NT ist in der Uni im Einsatz.
Martin Michael schrieb: >>Walter R. > >>Hatte schon mehrmals versucht, in der ELV-Plattform zu diesem NT meine >>Stellungnahme und Verbesserungen einzugeben. Diese wurden von den >>ELV-Fuzzys jedoch nicht freigeschaltet - > > Kannst Du das hier posten Ahoi Michael, ist schon längere Zeit her! Wurde auch nicht abgespeichert. GW
Danke Leute das ist doch ne Aussage nur was ist besser als der TL081, ich möchte nicht un-nett wirken das was mich ein wenig ärgert ist das so geschrieben wird da gibt es was besseres und dann nicht sagen was das bessere sein könnte. Ich bin am lernen und dank eurer Hilfe erinnere ich mich an meine Bastelphase vor 30 Jahren. :)
> Ich bin am lernen und dank eurer Hilfe erinnere ich mich an meine > Bastelphase vor 30 Jahren. Wenn Du seit 30 Jahren nix mehr gemacht hast solltest Du vielleicht erst mal klein wieder einsteigen. Daher hier nochmalig eine leicht modifizierte Version des L200 Labornetzteils mit Dimensionierung des Trafo/Gleichrichters für 2 1/4 Ampere und Spannungsumschaltung zur Verlustleistungsbegrenzung. Fortgeschrittene können mit einen passenden PNP Leistungstransistor und stärkeren Trafo-Gleichrichter sicher leicht auf 4,5 A dimensionieren. Da ein einziges Labornetzteil sowieso nie ausreichend ist kannst Du Dich später mit mehr Erfahrung dann größeren zuwenden. Grüße Löti
Errata Bei S1a ist low und high vertauscht. Im Anhang die Korrektur.
Hallo an Alle die sich mit dem L200 ein wenig genauer auseinander setzen möchten. Schon vor einiger Zeit habe ich dieses PDF kopiert, das den L200 im Detail erklärt und darstellt was damit zu bewerkstelligen wäre. Ahoi von hier aus Lemgo
Ja Danke für die Info Löti, aber ein wenig Herausforderung muss sein. Wahrscheinlich werde ich es selten brauchen. Bin meistens mit 5V unterwegs.
Leon K. schrieb: > Hallo an Alle > die sich mit dem L200 ein wenig genauer auseinander setzen möchten. > Schon vor einiger Zeit habe ich dieses PDF kopiert, Einen ähnlichen Applikationsbericht gibts auch auf Deutsch, allerdings ist der vielleicht nicht im Netz zu finden, sondern nur auf totem Holz. Gruss Harald
> Einen ähnlichen Applikationsbericht gibts auch auf Deutsch
Der war beim Conrad zu erwerben, ist aber nicht downloadbar.
Ich habe Den sogar, denke aber es bringt nix Den hier einzustellen da
nix Neues dabei ist.
Grüße Löti
I'm studying on pm motor controlling system, its functions adjusted by . It's somewhat expressed by this picture: This type needs water/wind power, for household willmill. Like this one in the following link: http://eifpmg.com/product/9/product_show_285.html
Halo Thomas, Ich bin auf pm Motor Controlling-System, seinen Funktionen angepasst durch das Studium. Es ist etwas von diesem Bild ausgedrückt: Diese Art braucht Wasser / Windkraft für den Hausgebrauch willmill. Wie dieser in den folgenden Link: http://eifpmg.com/product/9/product_show_285.html
Bitte melde dich an um einen Beitrag zu schreiben. Anmeldung ist kostenlos und dauert nur eine Minute.
Bestehender Account
Schon ein Account bei Google/GoogleMail? Keine Anmeldung erforderlich!
Mit Google-Account einloggen
Mit Google-Account einloggen
Noch kein Account? Hier anmelden.









