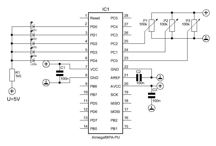
Hallo, ich möchte mir einen RGB LED Controller bauen. Dazu habe ich das Projekt von Zabex ausgesucht - http://www.zabex.de/site/sofabeleuchtung.html (Schaltplan ist in der Mitte der Seite zu finden, der Programmcode ganz unten). Ich habe leider noch nie mit Mikrocontrollern gearbeitet und jetzt das Problem, dass ich den µC nicht zum Laufen bekomme. So, das war die Kurzversion ;) Jetzt etwas ausführlicher... Ich habe mir von eHaJo den µISP Stick besorgt und den Atmega88PA-PU (Stick: http://www.ehajo.de/bausätze/programmieradapter/µisp-stick.html ). Der Stick scheint zu funktionieren, und erkennt auch den Atmega88, wobei ich den µC in der AVRDUDE.conf hinzufügen musste. Die .hex Datei von Zabex lässt sich auch auf den µC übertragen - ich erhalte dabei keine Fehlermeldung. Habe dazu die Beschaltung in Bild 1 verwendet. Zum Testen des µC habe ich die Schaltung in Bild 2 auf dem Steckbrett aufgebaut. Ist eine etwas abgespeckte Version von Zabex Schaltung, ich war jedoch der Meinung, das dies rein zum Test, ob sich überhaupt etwas tut, ausreichen müsste. (Die Funktion der Taster erzeuge ich manuell mit einem Draht, für die Potis habe ich 100k verwendet, weil meine 10k's nicht auf das Board passen. Den LED-Vorwiderstand habe ich zwecks Low-Current LEDs vergrößert.) Wenn ich diese Schaltung in Betrieb nehme leuchten die LEDs 2-5 immer, LED 1 ist immer aus. Wenn ich Pin 2 (PD0) auf Masse ziehe leuchtet LED1 nur schwach, geht aber wieder aus, wenn ich Pin 2 wieder in Ruhe lasse. Die anderen LEDs leuchten weiter und werden nur kurz schwächer. Gleichzeitig erhöht sich die Stromaufnahme der Schaltung von 7,5mA auf 90mA. Ein PWM-Signal an den Ausgängen (Pin 14-16) erhalte ich überhaupt nicht. Ein Reset bringt auch nichts. Ich habe auch bei aufgebauter Schaltung ein nochmaliges Flashen des µC versucht - ändert aber auch nichts. Was kann hierbei die Fehlerquelle sein? 1. Das 6-Polige Kabel habe ich denke ich korrekt angeschlossen, sonst hätte das Flashen nicht geklappt (Bild 3). 2. Das Kürzel am Ende der Chipbezeichnung, PA-PU, sollte kein Problem sein (?) - im Sinne von falscher Atmega88. 3. Beim Flashen muss lediglich die .hex-Datei auf den µC übertragen werden? Oder haben die anderen beiden Dateien von Zabex' Seite noch eine weitere Bedeutung?; (die .c & die .aps) 4. Ich habe auch versucht, den Reset-Pin im Betrieb über 10k mit Vcc zu verbinden, ändert aber nichts. 5. Ich habe gelegentlich gesehen, dass bei der Programmierung mit ISP noch ein Oszillator an den µC angeschlossen wird; wenn ich das richtig verstanden habe, ist das in diesem Fall nicht nötig(?) 6. Ich habe auch davon gelesen, dass man wohl mit unterschiedlichen Geschwindigkeiten das Programm auf den µC übertragen kann. Muss da vielleicht ein Änderung her? 7. Zum Flashen habe ich die Stromversorgung über USB genutzt - sollte OK sein, oder? Andere mögliche Fehler? Ich bin bisher davon ausgegangen, dass Zabex' Programm lediglich auf den µC übertragen werden muss - muss ich selber da noch etwas "ändern", oder genügt das einfache Übertragen? So, ich hoffe, ihr kommt mit meiner Fehlerbeschreibung klar. Ansonsten gerne nachfragen. Grüße Sven
Nein, mit den fuses habe ich bisher nichts gemacht. Ich nahm an, das Programm würde den Takt festlegen. Habe aber gerade in einem Video das Gegenteil gesehen. Das heißt dann, dass ich zumindest den Takt des µC mit den fuses auf 8 MHz (so wie im Programm von Zabex angegeben) einstellen muss, korrekt?
So, habe jetzt zumindest den Ckdiv8 abgeschaltet. Funktioniert aber immer noch nicht richtig. Pin 16 gibt jetzt ein PWM Signal welches von selber von 0-100% ändert. Bei 100% angekommen schaltet LED 4 aus und Pin 16 beginnt wieder von vorne. Der Rest ist wie vorher.
Bitte melde dich an um einen Beitrag zu schreiben. Anmeldung ist kostenlos und dauert nur eine Minute.
Bestehender Account
Schon ein Account bei Google/GoogleMail? Keine Anmeldung erforderlich!
Mit Google-Account einloggen
Mit Google-Account einloggen
Noch kein Account? Hier anmelden.


