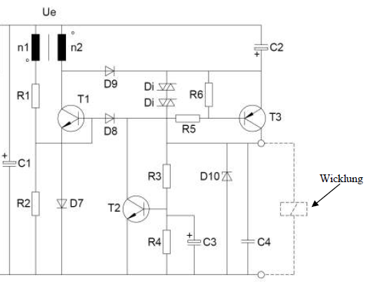
Hallo Zusammen, ich habe eine Frage und zwar: Wenn die Ansprechspannung dieser Bauelemente erreicht ist, schaltet der Transistor T3 durch und der Kondensator wird über die Wicklung der Magnetspule entladen. Sobald der Transistor T3 leitfähig ist, erhält die Basis des Transistors T2 über den Spannungsteiler R3 und R4 Strom und der Transistor T2 wird leitfähig. Dies bewirkt dass der Transistor T3 auch leitfähig bleibt, wenn der Kondensator C2 so weit entladen ist, dass die Wicklung nur noch Strom aus dem eigensicheren Stromkreis erhält. Solange der Transistor T2 leitfähig ist, sperrt der Transistor T1. Meine Frage wenn ich eine Spannung am Eingang anlege, was passiert mit dem Transistor T1 bevor C2 auflädt (was schaltet T1 durch). was begrenzen die Di (Diacs)? Gruss
Die Schaltung um T1 mit dem Trafo ist ein Sperrwandler, der den Kondensator C2 aufläd bis die Durchbruchspannung der DIACs erreicht ist. Wenn die DIACs leitend werden, erfolgt die Entladung von C2 über T3 in diese komische Wicklung rechts.
Bitte melde dich an um einen Beitrag zu schreiben. Anmeldung ist kostenlos und dauert nur eine Minute.
Bestehender Account
Schon ein Account bei Google/GoogleMail? Keine Anmeldung erforderlich!
Mit Google-Account einloggen
Mit Google-Account einloggen
Noch kein Account? Hier anmelden.
