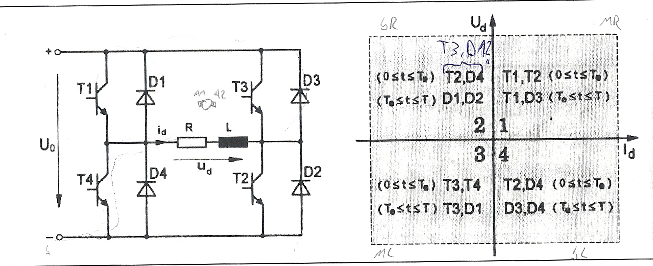
Hallo, ich habe hier ein Vierquadranten "Diagramm" für einen Vierquadrantensteller aus einem Lehrbuch eingescannt. Kann es sein, dass im 2. Quadranten (Generator Rechtslauf) die falschen Ventile genommen wurden, und es statt T2 und D4 eigentlich T3 und D1 heißen müsste? mfG
Ich denke, Du hast Recht. Um welches Buch (bitte genaue Angaben, Auflage...) handelt es sich?
Bitte melde dich an um einen Beitrag zu schreiben. Anmeldung ist kostenlos und dauert nur eine Minute.
Bestehender Account
Schon ein Account bei Google/GoogleMail? Keine Anmeldung erforderlich!
Mit Google-Account einloggen
Mit Google-Account einloggen
Noch kein Account? Hier anmelden.
