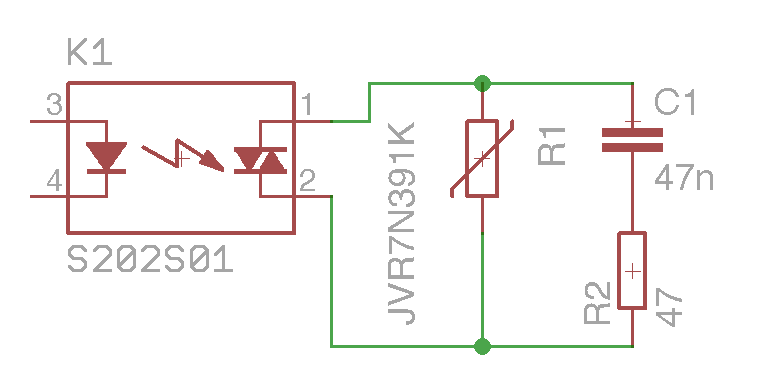
Bin auf der Suche nach einer Schutzschaltung für mein SSR. Eine 700W Pumpe soll gesteuert werden. Leider bin ich mir bei der Dimensionierung und den Bauteilen nicht ganz Sicher. Bauteile werden wie im Schaltplan gezeigt verschaltet. SSR wird ein S202S01. Keine Zero-Cross Erkennung wegen der Induktiven Last und des daraufhin großem Anlaufstrom? Snubber mit 47nF und 47Ohm habe ich von: http://www.sprut.de/electronic/ssr/ssr.htm Dort steht es als Startwert. Leider bin ich mir auch hier nicht sicher. Bauteile sollen sein: http://www.reichelt.de/MP3-X2-47N/3/index.html?&ACTION=3&LA=446&ARTICLE=32016&artnr=MP3-X2+47N&SEARCH=x2+kondensator http://www.reichelt.de/2W-METALL-47/3/index.html?&ACTION=3&LA=446&ARTICLE=2353&artnr=2W+METALL+47&SEARCH=2W+metall+47 Dazu noch einen Varistor: http://www.reichelt.de/VDR-0-25-250/3/index.html?&ACTION=3&LA=446&ARTICLE=22309&artnr=VDR-0%2C25+250&SEARCH=jvr7n391k Macht die Dimensionierung und die Bauteile so Sinn? Danke schon mal für die Hilfe. Bin bei 230V lieber ein bisschen vorsichtig. MfG Peter
wenn man es genau machen will: Appnote AN1048/D von ON Semiconductor oder google: hiquel snubber, erster Treffer
Bitte melde dich an um einen Beitrag zu schreiben. Anmeldung ist kostenlos und dauert nur eine Minute.
Bestehender Account
Schon ein Account bei Google/GoogleMail? Keine Anmeldung erforderlich!
Mit Google-Account einloggen
Mit Google-Account einloggen
Noch kein Account? Hier anmelden.
