Hallo, Hat schon jemand geschaft einen PC-Luefter nicht distruktiv auseinanderzunehmen? Ich glaube es geht einfach den Rotor rauszukriegen.(ich schafe es zumindest immer.) Aber ich scheitere immmer am Stator, weil der Plastikstift, auf dem er sitzt(geklebt?), vom Rahmen immer abbricht. Hat jemand eine Idee?
Äh, wozu dies Werken? Welch Sinn verbirgt sich hinter Deinem Wollen?
Es ist so, dass ich den luefter zum Rotieren in beide Richtungen bringen will. Dafuer brauche ich den Zugriff zu der Kontrollerplatine auf der unteren Seite des Stators.
Ah, das mag einen Sinn haben. Hmm. Tricky. In der Regel ist das Blechpaket des Stators auf einen hohlen Kunststoffkonus aufgepresst; um den davon abzuziehen, müsste ein geeignetes Abziehwerkzeug ein Gegenlager finden. Das ließe sich durch Abdecken des im hohen Kunstoffkonus untergebrachten Lagers hinbekommen. Zunächst aber dürfte das Auftreiben eines geeigneten Abziehers (mit zur Polzahl des Stators passenden Anzahl Krallen) ein Problem darstellen.
> Hallo, Hat schon jemand geschaft einen PC-Luefter nicht distruktiv > auseinanderzunehmen? Den Rotor schon. > Ich glaube es geht einfach den Rotor rauszukriegen.(ich schafe es > zumindest immer.) Der ist kein Problem. Einfach auf der Rückseite unter dem Aufkleber den Ring mit einem kleinen Schraubenzieher oder einer Pinzette rauspulen. Dann kann man den Rotor abziehen. Hab ich schon mal gemacht, um das Gleitlager zu entstauben, wenn der Lüfter nicht mehr richtig will. Dabei hab ich allerdings festgestellt, daß das nichts bringt. Meistens ist das Lager verschlissen und der Lüfter tut nachher nur kurz wieder. Deshalb nehm ich jetzt nur noch kugelgelagerte. > Aber ich scheitere immmer am Stator, weil der Plastikstift, auf > dem er sitzt(geklebt?), vom Rahmen immer abbricht. Hat jemand eine > Idee? Ich meine, auch schon mal einen Lüfter gehabt zu haben, wo die Platine mit dem Stator nicht auf den Rahmen geklebt, sondern eingehakt war. > Es ist so, dass ich den luefter zum Rotieren in beide Richtungen > bringen will. Also willst du die eingebaute Kommutierungselektronik durch eine eigene erstezen?
Zu Rotor Entfernen: =================== So wie Rolf es beschrieben hat gehts bei den meisten Lüftern. Kleber runter. Evtl. Gummi/Kunststoffnippel raus. Kunststoffschlitzscheibe/Sprengring raus Abziehen. Fertig ! Zu Lager: ========= Die einfachen Sinterbronzelager schlagen eben nach einiger Zeit aus und sind nicht reparabel (Viel Öl drauf hilft nur kurze Zeit). Entweder man ölt se regelmäßig nach um die Lebensdauer zu verlängern oder man holt sich lieber Lüfter mit hochwertigen Gleitlagern (zb. Papst mit Sintec). Wer mit etwas mehr Laufgeräusach leben kann nimmt Kugel- bzw. Rollen(Nadel-)lager. Zu umkehr der Drehrichtung: =========================== Hab ich noch nie probiert (Ich bau se einfach andersrum ein :D ) aber eigentlich arbeiten die kleinen DC-Motoren in den Lüftern wie Schrittmotore. Wenn du also die Wickungen umpolst bzw. die Phasen entsprechend tauscht dann läuft er andersrum.
@Rolf Magnus "Also willst du die eingebaute Kommutierungselektronik durch eine eigene erstezen?" Ja genau, das will ich. Mir scheint es nicht so kompliziert zu sein zumal ich auch den Hall-sensor benutzen kann, die schon drinnen ist, oder wie Ratber meint, bloss zwei H-bruecken zum Wicklungen umpolen einbauen. @Ratber Ja , alles, was ich bisher in den PC-Lueftern gesehen habe, sieht sehr nach einem bipolaren schrittmotor aus.
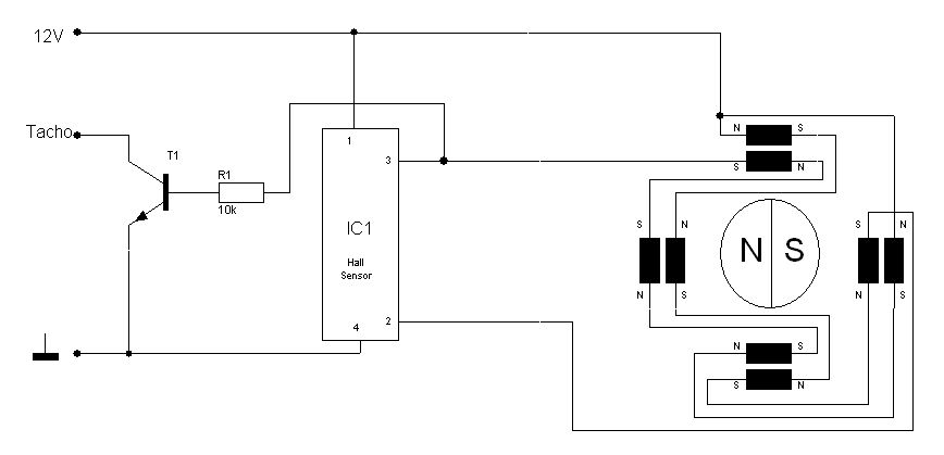
Just im Momment hab ich hier nen 40er Lüfter von Termaltake mit Lagerschaden. Also mal geöffnet. Auf der Platine is erwartungsgemäß nicht viel. Zwei Halbleiter,nen Widerstand und der 4-teilige Anker mit den Wicklungen. Ich hab die Schaltung mal gezeichnet. Der Chip ist Schaltstufe und Hallsensor in Einem. Eine Transe mit Vorwiderstand als Open Colector gibt den Tachoausgang. Soweit war ich in 5 Minuten. Die Wicklungen dauerten länger. Ich hab überlegt ob ich die Wicklungen Übersichtlich Zeichne oder so wie sie Mechanisch angeordnet sind. Hab mich für letzteres Entschieden auch wenn es chaotischer aussieht. Den Dauermagneten hab ich nur angedeutet. Wie man sehen kann sind es Von der Versorgung ausgehend zwei Stränge a 4 Wicklungen die gegen Masse geschaltet werden (IC Pin 2 u.3) Dh. beide Stränge gehen als Doppelwicklung über jede der 4 Kammern aber durch die Führung ergeben sich unterschiedliche Polungen. Ich hab se mal zur verdeutlichung als kleine Nord und Südpole eingezeichnet. Is zwar nicht korrekt aber es geht ja ums Prinzip. Ja und da sind wir schon beim Thema "Art des Antriebes". Offensichtlich haben wir hier also etwas wie einen Schrittmotor. Was die Eingangsfrage zur Drehrichtungsumkehr angeht so sollte,wie ich schon vermutete,eine Vertauschung der beiden IC-Anschlüsse 2 und 3 das gewünschte Ergebnis liefern.
>eine Vertauschung der beiden IC-Anschlüsse 2 und 3 das gewünschte
Ergebnis liefern.
Nicht unbedingt.
Es kann auch passieren, dass sich der Lüfter so in einer stabilen
Position festfährt (im Prinzip so wie bei einem Operationsverstärker,
wenn man die Eingang tauscht: In einer Position läuft er dann meistens
in die Sättigung).
*Es saugt und bläßt der Heinzelmann, wo Mutti sonst nur saugen kann.* Dieser Satz von Loriot sprang beim lesen dieses Threads plötzlich in meine internen biologischen Schaltkreise und ich wollte ihn euch nicht vorenthalten.
Na ja, der Lüfter saugt dann nicht nur, sondern saugt und bläst ... @HariboHunter Ich habe immer schon vermutet, daß der Genuss von zuviel Haribo seltsame Effekte verursacht, nicht nur auf den Bauchumfang ....
*Es saugt und bläßt der Heinzelmann, wo Mutti sonst nur saugen kann.* Bitte nochmal richtig zitieren. "Blasen" wird in keiner Deklinationsform mit 'ß' geschrieben. Wurde nie, und wird nicht.
"Blasen" wird in keiner Deklinationsform mit 'ß' geschrieben. Wurde nie, und wird nicht. wurde nie richtig wird nicht richtig wird nie werden->wer weis Im bereich Rechtschreibreform sollte man auf alles gefasst sein. MW
> Im bereich Rechtschreibreform sollte man auf alles gefasst sein.
Dir ist da wohl ein Tippfehler unterlaufen.
Richtig muß es natürlich heißen:
"Im bereich Rechtschreibdeform sollte man auf alles gefasst sein."
Die Lüfter scheinen magnetisch nicht symmetrisch aufgebaut zu sein. Das merkt man beim langsmen Durchdrehen von Hand; der Winkel, um den der Flügel bis zur nächsten magnetischen Raststellung vorwärts springt, ist bei vielen Lüftern in beiden Richtungen unterschiedlich. Dieter
Hm, außerdem sind die Schaufeln des Lüfters auf eine Drehrichtung optimiert..
@Stefan Das ist eigentlich egal. aus der Praxis könnte ich da aber nix sagen denn einen Lüfter rückwärts zu betreiben ist für mich witzlos. Die Lüfterflügel sind bei den meisten Lüftern für eine bestimmte Drehrichtung ausgelegt und bieten andersrum weniger Leistung bzw. mehr Geräusch. Die die in beiden Richtungen gleich sind halte ich dagegen für weniger Effektiv.Da ist es dann egal. Ein weiterer Punkt ist die Aufhängung des Lüfterrades. Im Normalen Betrieb wird das Rad durch die Kräfte einwenig herausgezogen und durch den Dauermagneten gehalten (Der Ring auf der Welle dient nur der komplettsicherung). So schwebt die Welle in Axialer Richtung. Andersrum wird sie reingedrückt und könnte evtl. irgendwo schleifen. Ohne Erfahrungswerte wird man also probieren müssen. @DDS5 Wie kommste denn auf das Brett ? Die "Rasten" sind durch den Aufbau bedingt und verstellen sich nicht. Wenn das bei dir so ist das die sich verschieben dann ist der Anker lose.
Ratber, Missverständnis. Ich meinte, dass der Winkel um den man den Rotor gegen die magnetische Kraft drücken muss und anschließend der Winkel um den er allein zur nächsten Raststellung weiterspringt in beiden Drehrichtungen zum Teil erheblich unterschiedlich sein können. Die Summe beider Teilwinkel bleibt natürlich konstant. Möglicherweise hat das auch einen Einfluss auf das Laufverhalten. Dieter
Yo,in eine Richtung könnte das "weicher" wirken aber am Ende ist die Summe gleich. Ich hab hier momentan nur nen alten 80er greifbar und der "fühlt" sich in beide Richtungen gleich an.
> @Rolf: Dafür wird "weis" mit ß geschrieben. Eine sehr weise Feststellung. > Im Normalen Betrieb wird das Rad durch die Kräfte einwenig > herausgezogen und durch den Dauermagneten gehalten (Der Ring auf > der Welle dient nur der komplettsicherung). Der Ring hält das Rad durchaus. Ohne ihn fliegt es im Betrieb raus. Ja, ich hab das schon probiert.
>Der Ring hält das Rad durchaus. Ohne ihn fliegt es im Betrieb raus.
Ja,das ist richtig nur sind die meisten aufhängungen nicht dafür
konstruiert das der Druck auf die Achse andersrum erfolgt.
wie gesagt:
"Könnte" ein Problem sein.
Nicht muß.
Schließlich soll der Lüfter ja vermutlich länger laufen da sollte man
sich auch darüber Gedanken machen.
Bitte melde dich an um einen Beitrag zu schreiben. Anmeldung ist kostenlos und dauert nur eine Minute.
Bestehender Account
Schon ein Account bei Google/GoogleMail? Keine Anmeldung erforderlich!
Mit Google-Account einloggen
Mit Google-Account einloggen
Noch kein Account? Hier anmelden.
