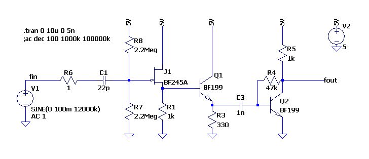
Ich habe zum Messen von Quarzen einen "hochohmigen" Vorverstärker gebaut, welcher die Frequenz dann auf einen Teiler führen soll. Ich habe das ganze mit einer BF245A Eingangsstufe und zwei Verstärkern in Emitterschaltung aufgebaut. Leider verzieht die Schaltung den Quarzoszillator in seiner Frequenz und im schlimmsten Fall kommt es zu Störungen, welche den Mikrocontroller (an welchen der Quarz zum Teil hängt) abschmieren lassen. Nun habe ich das ganze mal simuliert und mir den Eingangsstrom angeschaut. Ist leider etwas hoch. Bei 100mV und 12MHz sind es schon 16uA. Das wird wohl auch der Grund für meine Probleme sein habe ich mir gedacht und geschwind mal einen Widerstand in Reihe geschaltet. Dadurch stirbt mir natürlich der N-FET und dämpft alles weg. Habe mir auch mal das Datenblatt zu Gemüte gezogen und sehe da eine Kurve mit der Eingangs-Admittanz. Nun verstehe ich nicht, wofür gis und bis stehen, aber wenn ich die Kurve mal so größenordnungsmäßig interpretiere müsste der resultierende Eingangsstrom doch ca. um Faktor 10 kleiner sein? Hat jemand eine Idee, wie ich da noch was raus holen kann und das ganze noch hochohmiger hin bekomme? Im Anhang die Simulation einmal ohne Eingangswiderstand (1R) und einmal mit einem 100k in Reihe :-)
Im Anhang nochmal die LTSpice-Schaltung. Als Modell für den BF245A habe ich folgendes genommen: .MODEL BF245A NJF( VTO=-1.7372E+000 BETA=1.16621E-003 LAMBDA=1.77211E-002 RD=9.01678E+000 RS=9.01678E+000 IS=2.91797E-016 CGS=2.20000E-012 CGD=2.20000E-012 PB=7.80988E-001 FC=5.00000E-001 )
Marius S. schrieb: > Hat jemand eine Idee, wie ich da noch was raus holen kann > und das ganze noch hochohmiger hin bekomme? Hmmm... nur auf Verdacht: Füge mal bitte in der ersten Schaltung zwischen den FET und die erste Bipolar-Stufe einen Spannungsfolger (=BipTrans in Kollektorschaltung) ein. R_e zu ungefähr 1kOhm wählen; wenn das Ruhepotenzial über R1 größer 0.7V ist, kannst Du den Spannungsfolger galvanisch ankoppeln. Ggf. R1 auch vorsichtig vergrößern.
Das Gate braucht einen Gleichstrompfad. Die BC817 sind nicht besonders dafür geeignet. Mit BF199 o.ä. gehts besser.
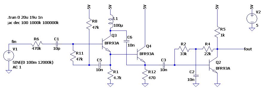
Possetitjel schrieb: > Füge mal bitte in der ersten Schaltung > zwischen den FET und die erste Bipolar-Stufe einen Spannungsfolger > (=BipTrans in Kollektorschaltung) ein. Ja, das hat einiges gebracht und hat Bernd ja auch umgesetzt. B e r n d W. schrieb: > Die BC817 sind nicht besonders > dafür geeignet. Mit BF199 o.ä. gehts besser. Ich habe hier BFQ67 zum basteln, die sind wohl auch ganz okay für höhere Frequenzen ;-) Eine grundlegende Frage habe ich noch. Wozu braucht man den N-JFET am Eingang? Verstärken tut der ja nichts (außer den Strom, aber das auch nicht so gut wie ein NPN), der dämpft ja nur das Signal. Ich habe den eingebaut, weil ich mir vom N-JFET einen hohen Eingangswiderstand erhofft habe, aber so richtig hochohmig ist er ja nicht. Deshalb habe ich im ersten Post die Simulation auch mit einem Widerstand in Reihe gemacht, um den Eingangsstrom und damit die Belastung für das Signal zu senken. Ich habe mir jetzt was zusammen geklickt ohne den JFET. Funktioniert in der Simulation ganz gut. Das Hochpassverhalten ist gewünscht und soll auch niederfrequente Störungen rausfiltern. Bei 12 MHz mit 100mV am Eingang ist der Strom mit 1Ohm in Reihe bei 4,5uA RMS und mit 1 Meg in Reihe bei 69nA RMS. In beiden Fällen reicht die Verstärkung für brauchbaren 5V-Pegel am Ausgang. Bei 1Ohm in Reihe gehen auch 1GHz mit 30dB (laut AC-Analyse). Der Eingangsstrom liegt dann aber bei 380µA und die 5V am Ausgang werden auch nicht mehr ganz erreicht. Aber so hoch will ich ja gar nicht mit der Frequenz (geht um Quarze vermessen). Aufgebaut habe ich das noch nicht. Was meint ihr dazu?
Der Fet wird hochohmig, wenn das Gate vernünftig vorgespannt ist.
In den UKW-Berichten gab es den Artikel "Quarz-Splitter", da wurde auch ein FET zur hochohmigen Auskopplung benutzt.
Marius S. schrieb: > Ich habe den eingebaut, weil ich mir vom N-JFET einen hohen > Eingangswiderstand erhofft habe, aber so richtig hochohmig ist er ja > nicht. Der FET ist schon so richtig hochohmig - für Gleichstrom. Aber zwischen Gate und Source liegt eine innere Kapazität Cis von ca 4pF. Und damit beträgt die Eingangsimpedanz bei 10 MHz nur noch einige Kiloohm, bei höheren Frequenzen entsprechend noch weniger. Grüße
Thomas S. schrieb: > Der Fet wird hochohmig, wenn das Gate vernünftig vorgespannt ist. Das könntest du mal bitte näher erläutern, das leuchtet mir nicht so ganz ein. Gruß
>> Der Fet wird hochohmig, wenn das Gate vernünftig vorgespannt ist. Beim Gate eines JFets handelt es sich um eine in Sperrichtung vorgespannte Diodenstrecke. Je höher die Vorspannung, desto geringer die Kapazität. Jedoch sinkt damit auch der Strom durch den JFet und man kann das nicht unendlich treiben. Eine Verringerung der Eingangskapazität um 10-20% könnte aber drinliegen. Bei der letzten Schaltung Beitrag "Re: Hochohmiger Vorverstärker für Quarze" ergibt sich aus R6 und R3 ein Spannungsteiler mit 26dB Dämpfung. Ähnlich eines Oszi-Tastkopfes verringert sich dadurch auch die Eingangskapazität. Weil der Spannungsteiler nicht kompensiert ist, fällt der Frequenzgang in Richtung hoher Frequenzen schnell ab. Danach müssen die ganzen Verluste wieder aufgeholt werden.
B e r n d W. schrieb: > Weil der Spannungsteiler nicht kompensiert ist Auf die Gefahr hin mich lächerlich zu machen - wie kompensiere ich den Spannungsteiler? :-) Thomas S. schrieb: > Der Fet wird hochohmig, wenn das Gate vernünftig vorgespannt ist. Nochmals auf die Gefahr hin lächerlich zu machen (ist eh zu spät) - wie spannt man den vernünftig vor? Im Datenblatt sehe ich, dass mit betragsmäßig höherer Vgs die Eingangs-Kapazität runter geht. Aber anscheinend auch nur bis zu einem bestimmten Punkt (die Kurve endet so bei 2.5pF). B e r n d W. schrieb: > Jedoch sinkt damit auch der Strom durch den JFet und man kann > das nicht unendlich treiben. Habe mal ein bisschen gespielt und gesehen, dass der Strom tatsächlich runter geht wenn man die Vorspannung ändert. Aber auf weit unter 10µA bekomme ich ihn nicht...
>> Weil der Spannungsteiler nicht kompensiert ist > wie kompensiere ich den Spannungsteiler? Es entsteht ein kapazitiver Spannungsteiler aus der Eingangskapazität des Transistors und einem zur Kompensation erforderlichen. Die kapazitiven Impdanzen müssen das selbe Verhältnis haben, wie das der Widerstände. Beim Tastkopf eines Oszilloskops stellt man dieses Verhältnis mit einem kleinen Trimmer ein. Allerdings wird damit der Eingangsstrom wieder größer. Durch Kaskadieren von zwei Emitterfolgern verringert man die Rückwirkung zum Eingang deutlich. Allerdings fließt ein großer Anteil des Eingangsstroms zum Drain bzw. Kollektor. Deshalb hatte ich noch eine Simulation mit einem Bootstrap-Kondensator vom zweiten Emitter zum ersten Kollektor probiert. Auch dies hat nur eine geringe Verbesserung bewirkt. Die Frage ist allerdings, wie weit man das treiben möchte. IMO sollte der Quarz-Oszillator nicht verstimmt werden. Falls die kapazitive Last vernachlässigbar gering ist, wird der Einfluss auf die Frequenz kaum mehr feststellbar sein. Da hat selbst der vordere Teil einer Prüfspitze mehr Kapazität zur umliegenden Schaltung. > wie spannt man den vernünftig vor? Normalerweise wird auf solche Randerscheinungen keine große Rücksicht genommen. Wichtiger ist der Arbeitspunkt, Ruhestrom usw. Eher versucht man, einen geeigneteres Bauteil zu finden.
Der Artikel war hier: "Kristall-Splitter" von Detlef Burchard, UKW-Berichte Heft 1992/4 S.215 - 228 Ich meine er verwendete einen Dual-Gate FET (GaAs oder ähnlich exotisches), weiss aber nicht mehr wieso.
Christoph Kessler (db1uq) schrieb: > Der Artikel war hier: > "Kristall-Splitter" von Detlef Burchard Die Schaltung war dazu gedacht einen Quarz in einer 50Ohm Umgebung zu messen.
Hallo Der zweite Mosfet soll schon so hochohmig wie möglich sein. Seine Beschaltung weist ein interessantes Detail auf. G2 ist mit Source verbunden. Das dürfte schon als Bootstrap gedacht sein. G1 hat zum Drain praktisch keine Kopplung, nur zu G2. Und G2 macht fast den gleichen Hub, wie G1. Dadurch muss die Kapazität zwischen den beiden Gates nicht umgeladen werden.
B e r n d W. schrieb: > Hallo > Der zweite Mosfet soll schon so hochohmig wie möglich sei B e r n d W. schrieb: > Hallo > Der zweite Mosfet soll schon so hochohmig wie möglich sein. Das trifft nicht zu. Wie man sieht ist das Gate mit 10 KOhm gegen Masse abgeschlossen. Also nicht hochohmig. Diese GaAs Fets waren Anfang der 90er in Mode. Der CF300 kann mit seiner Steilheit von 25mS gut 50 Ohm treiben. Diese Steilheit wird bei 1,4V Gate/Source Spannung erreicht. GRUESSE
Die zwei Bootstraps halbieren bei dieser Variante den Eingangsstrom.
B e r n d W. schrieb: > Die zwei Bootstraps halbieren bei dieser Variante den > Eingangsstrom. Mal Hand aufs Herz. Bottstrap Schaltungen mögen in der Audio-Verstärkertechnik sinnvoll sein. Für Hochfrequenz Verstärker sind sie ziemlich untauglich und deshalb auch unüblich. Bei HF wird die Eingangsimpedanz überwiegend durch Streu-Reaktanzen und Miller-Effekt bestimmt. Das erklärt auch, warum die vorstehende Schaltung trotz der Verwendung von BFR93 Transistoren mit 7 GHz Transitfrequenz mit Ach und Krach gerade mal bis 10 MHz funktioniert und danach ausgeprägtes Tiefpassverhalten zeigt und in der Verstärkung rapide abfällt. Es würde Sinn machen, zuerst einmal die Anforderungen an den Verstärker zu definieren: Verwendungszweck Eingangsimpedanz Verstärkung Betreiebs-Frequenzbereich Signalpegel Lastimpedanz Danach kann man eine geeignete Schaltung auswählen, die den geforderten Zweck erfüllt. Alles Andere ist Rumstochern im Nebel. Grüße
Heinz Wäscher schrieb: > Mal Hand aufs Herz. Bottstrap Schaltungen mögen in der > Audio-Verstärkertechnik sinnvoll sein. Für Hochfrequenz Verstärker sind > sie ziemlich untauglich und deshalb auch unüblich. > > Bei HF wird die Eingangsimpedanz überwiegend durch Streu-Reaktanzen und > Miller-Effekt bestimmt. Das erklärt auch, warum die vorstehende > Schaltung trotz der Verwendung von BFR93 Transistoren mit 7 GHz > Transitfrequenz mit Ach und Krach gerade mal bis 10 MHz funktioniert und > danach ausgeprägtes Tiefpassverhalten zeigt und in der Verstärkung > rapide abfällt. Bootstrapping in Hochfrequenzschaltungen kann unerwünschten Phasenverschiebungen verursachen. Sie können selbst Eigenschwingungen verursachen oder Hochfreqenzsignale erlöschen. Das Tiefpasverhalten wird nicht nur von Miller-Kapazitäten zwischen Basis-Kollektor oder Gate-Drain verursacht, sondern auch von Streukapazitäten zwischen Kollektor beziehungsweise Drain und Masse. Diese Streukapazitäten bilden met den Kollektor- oder Drainlastwiederstanden Tiefpassfilter.
So isses. Also bitte erst einmal Anforderungen definieren. Dann weitersehen. Gruesse
Hallo Heinz > und Miller-Effekt bestimmt Ein Miller-Effekt setzt eine Verstärkung zwischen Basis und Kollektor voraus. Bei einer Kollektor-Schaltung zählt Cbc nur einfach. Bei Verwendung eines Bootstrap nur noch 0,x-fach. Deshalb verwenden ja viele Schaltungen einen Emitter- bzw Source-Folger am Eingang. Selbst der Miller-Effekt der dritten Stufe wirkt noch auf den Eingang zurück. Mit einem DG-Mosfet BF992 wie in "crystal_tester.jpg" komme ich auf 2µA Eingangsstrom. Daführ ist die Schaltung bis 100MHz brauchbar. > Für Hochfrequenz Verstärker sind sie ziemlich untauglich Im Bereich der Grundwellen-Quarze gehts noch. Wie es bezüglich Rauschen aussieht, möchte ich nicht untersuchen. Sobald sich eine deutliche Phasenverschiebung durch die Laufzeit des Signals ergibt, funktioniert Bootstrap nicht mehr. > Anforderungen an den Verstärker zu definieren Kann sein, daß die aktuelle Schaltung mit 500nA Eingangsstrom schon über das Ziel rausschießt. Im Prinzip ist doch klar, was Marius möchte: Die Funtionalität des ersten Bildes mit dem Eingangsstrom des zweiten. Beitrag "Hochohmiger Vorverstärker für Quarze" Gruß, Bernd
> Im Prinzip ist doch klar, was Marius möchte
Mir ist da gar nichts klar.
Frequenzbereich?
Gewuenschte Eingansimpedanz?
Lastimpedanz?
Gewuenschte Verstaerkung?
Welche Anwendung?
Konkrete Anwendung?
Heinz Wäscher schrieb: > Verwendungszweck Quarze, welche durch eine gegebene Schaltung zum schwingen angeregt werden (Mikrocontroller), auf korrekte Frequenz vermessen. Das Ausgangssignal wird auf einen mit 5V versorgten Teiler geführt. Dadurch definiert sich auch der Signalpegel und die nötige Verstärkung. > Eingangsimpedanz Größer gleich 1MOhm wären gut. Es darf den Quarz halt nicht zu sehr belasten, damit die zu messende Schaltung nicht beeinflusst wird. > Verstärkung So ca. 30 dB Spannungsverstärkung würden wahrscheinlich reichen. Ich gehe minimal von einer 200mVpp Amplitude am Quarz-Pin aus, welche auf annehmbare Pegel für den Teiler verstärkt werden soll. > Betreiebs-Frequenzbereich 1 bis 50 MHz > Signalpegel Wie gesagt, wahrscheinlich minimal 200mVpp, aber auch höhere Pegel möglich (Quarz-Oszillatoren mit aktiven Ausgang z.B.). > Lastimpedanz Eingang eines 74HC4020 zum Beispiel. Die Verstärker-Schaltung ist direkt am Eingang des Teilers angeschlossen.
Marius S. schrieb: >> Verwendungszweck > Quarze, welche durch eine gegebene Schaltung zum schwingen angeregt > werden (Mikrocontroller), auf korrekte Frequenz vermessen. Das > Ausgangssignal wird auf einen mit 5V versorgten Teiler geführt. > Dadurch definiert sich auch der Signalpegel und die nötige Verstärkung. Hhmmm? Mir ist immer noch nicht klar: Soll es jetzt ein Oszillator sein, oder ein Verstärker? Soll ein Quarz passiv allein gemessen werden oder steckt der Quarz in einer funktionierenden Oszillatorschaltung (z.B. an einem Mikrocontroller Oszillator) und von dieser Oszillatorschaltung soll die HF-Schwingung rückwirkungsarm auf einen 74HC augekoppelt werden? Ist also nach einen hochohmigen breitbandigen und rückwirkungsarmen Trennverstärker gefragt? Marius S. schrieb >> Eingangsimpedanz > Größer gleich 1MOhm wären gut. Es darf den Quarz halt nicht zu sehr > belasten, damit die zu messende Schaltung nicht beeinflusst wird. GrÖßer MegOhm ist illusorisch und zeigt mir, dass du mit HF noch keine praktische Erfahrung gesammelt hast. Die Streukapazität der Anschlusskappe eines 0805 SND Widerstandes beträgt schon mehr als 1pF.Das entspricht bei 10 MHz einem Blindwiderstand von 15kOhm (1/(2Pi *f + C)!! Also bitte mal über Sinn und Unsinn eines solchen Wertes nachdenken. Nochmal zu dem was schon vorher wiederholt geschrieben wurde: bei HF wird die Belastung vornehmlich durch die Blindwiderstände der Streukapazitäten bestimmt, nicht durch den ohmschen Anteil des Eingangswiderstands. Marius S. schrieb >> Verstärkung > So ca. 30 dB Spannungsverstärkung würden wahrscheinlich reichen. > Ich gehe minimal von einer 200mVpp Amplitude am Quarz-Pin aus, welche > auf annehmbare Pegel für den Teiler verstärkt werden soll. Soll der Verstärker linear verstärken, oder soll er begrenzen? Woher kommen die 200mV pp? Wie sieht die Oszillatorschaltung aus? > Marius S. schrieb >> Betriebs-Frequenzbereich > 1 bis 50 MHz OK Marius S. schrieb >> Lastimpedanz > Eingang eines 74HC4020 zum Beispiel. Die Verstärker-Schaltung ist direkt > am Eingang des Teilers angeschlossen. Demnach muss die Ausgangsimpedanz des Verstärkers so groß sein, dass die Eingangskapazitäüt des 74HC umgeladen werden kann und der Pegel muss ausreichen um den Logikbaustein sicher durchzuschalten? Grüße
Normal schwingt so ein Quarz mit mehr als 200 mV Amplitude. Um wirklich Rückwirkungsarm zu "messen", braucht man halt eine Sehr kleine Kapazität. Sofern es nur um die Frage schwingt oder nicht und ggf. die Frequenz geht, reicht eine sehr schwache Kopplung, etwa durch einen Tastkopf in etwa 5 mm Entfernung von der Schaltung. Das reicht in der Regel schon aus um einige 10 mV Signal Aufzufangen. Im Prinzip sollte man dafür so etwa wie einen Aktiven FET Tastkopf fürs Oszilloskop haben. Halt minimale Kapazität (Bereich 1 pF) - ggf. auch durch einen Kapazitiven Teiler vor dem Verstärker. Das Signal würde ich dann aber eher aufs Oszilloskop geben und falls vorhanden den Signalausgang auf eine Frequenzanzeige (sofern das Oszilloskop das nicht gleich intern kann). Ein Dual Gate MOSFET (da sollte ein normaler Si-typ reichen) so wie in der Schaltung oben wären da schon eine Möglichkeit. Der Teil muss dann aber ganz dicht an den Quarz - der Rest der Verstärkung kann weiter weg - den muss man auch nicht in der Hand halten.
Ulrich schrieb: > Im Prinzip sollte man dafür so etwa wie einen Aktiven FET Tastkopf fürs > Oszilloskop haben. Halt minimale Kapazität (Bereich 1 pF) So seh ich das auch. Die Thread Eingangsfrage "Hochochmiger Vorverstärker für Quarze" ist etwas irreführend. Was offenbar gesucht wird ist ein sehr schwach angekoppelter Trennverstärker um einen Quarzoszillator rückwirkungsarm an einen Zähler anzukoppeln. Da wird man im Web fündig, wenn man "active Probe" eingibt. Ein Schaltungsvorschlag mit einem schnellen FET-OP gibt es hier: http://welecw2000a.sourceforge.net/docs/Hardware/Aktiver_Tastkopf_mit_OPA659.pdf Oder einen Vorverstärker für einen Frequenzzähler: http://www.qrpforum.de/index.php?page=Thread&postID=57462 das Eingangs-C dieer Schaltungsollte auf wenige Picofarad verkleinert werden. Oder einfach mit BF998 Dual Gate: http://elektrotanya.com/files/forum/2009/10/e04a036.pdf Um mit dem Ausgangssignal dieser Source-Folger Stufe einen Zähler durchzusteuern könnte man hinter die Dual-Gate Trennstufe einen schnellen analog-Komparator oder einen begrenzenden Transistor Verstärker wie für einen Frequenzzähler schalten. Grüße
Ergänzend zum Thema noch ein Link zu der Intel Application Note 155 "Oszillators for Microcontroller", die auch geeignet ist, etwas Licht ins Dunkle zu bringen: http://ecee.colorado.edu/~mcclurel/iap155.pdf Gruß
für mich ist schon der Ansatz von hinten durch die Brust ins linke Auge oder wie mein E-Techniklehrer dereinst formulierte: "Wer viel misst, misst viel Mist." wenn also schon die Frequenz eines vorhandenen Oszillators bestimmt werden soll so ist es gänzlich unsinnig diesen an seiner sensiblen Seite zu belasten, wo er doch selbst an seinem Ausgang ein qualifiziertes Signal liefert, welches auch in der verarbeitenden Schaltung selbst verstärkt und gesplittet zur Verfügung steht. Wenn ich also die Frequenz kontrollieren will geht das mit jedem beliebigen Ausgang des MC. Auch die Phase läßt sich so bestimmen, da sich eine Phasenverschiebung durchschleppt. Einziger Grund das anders zu machen wäre eine extreme Anforderung die Synchronisation dann aber verwendet man besser PLL oder einen phasenkompensierten Haupttakt. Eine präzise Messung des Taktes am Quarz selbst aber vornehmen zu wollen kann diesen nur zusätzlich belasten und damit nur den Takt verfälschen Am ehesten bringt da ein überzogenes Audion Abhilfe was aber auf einen zweiten Oszillator am gleichen Quarz hinausläuft Was mich auf eine andere Idee bringt einen solchen externen Oszillator mit dem zu messenden Signal lose gekoppelt (>20 MOhm und C < 1 pF) zu mischen und die Schwebung der Signale auszuwerten. Namaste
Winfried J. schrieb: > wenn also schon die Frequenz eines vorhandenen Oszillators bestimmt > werden soll so ist es gänzlich unsinnig diesen an seiner sensiblen Seite > zu belasten, wo er doch selbst an seinem Ausgang ein qualifiziertes > Signal liefert, welches auch in der verarbeitenden Schaltung selbst > verstärkt und gesplittet zur Verfügung steht. Das denke ich auch. Leider gibt uns der TO bislang keine verwertbare Information, was er konkret in welcher Hardwaremgebung anstellen will. Auf Nachfrage wurde als Aufgabenstellung genannt: >"Quarze, welche durch eine gegebene Schaltung zum schwingen angeregt > werden (Mikrocontroller), auf korrekte Frequenz vermessen." Die Aussage könnte von einem Politiker stammen. Wie die "gegebene Schaltung" aussieht bleibt im Dunkeln. Insofern ist es Spekulation, ob an einem Ausgang ein qualifiziertes Signal verstärkt und gesplittet zur Verfügung steht oder nicht. schönen Sonntag noch
Heinz Wäscher schrieb: > Leider gibt uns der TO bislang keine verwertbare Information, was er > konkret in welcher Hardwaremgebung anstellen will. Also, für mich ist die gestellt Aufgabe klar: Der TO hat (nur) den Quarz, bzw. die Quarze, mehrere bis ganz viele. Er möchte wissen, ob diese mit der richtigen Frequenz schwingen (und die Frequenz möchte er möglichst störungsarm messen). Zusätzlich hat er auch "Quarzoszillatoren mit einem aktiven Ausgang" (PXO). Den Quarz möchte er später in einer Schaltungen einbauen. Vorher (!) möchte er aber die Schwingungsfrequenz kontrollieren. Weil: Im Fehlerfall runterlöten is' blöd. Alternative (die aber auf die Aufgabenstellung keinen Einfluss hat): Eine oder mehrere Schaltungen werden in Serie gefertigt. Bei einigen Exemplaren funktioniert das mit der Frequenzbereitstellung durch den Quarz nicht so richtig wie gewünscht, bei den anderen schon. Fehlerursache Möglichkeit 1: Der Quarz hat die falsche Frequenz. Möglichkeit 2: Die Schaltung um den Quarz ist defekt oder problematisch Möglichkeit 3: Der Quarz ist nicht mit der Schaltung kompatibel. Jetzt soll erstmal Möglichkeit 1 geprüft werden. Also: Zu dem Zeitpunkt, wenn er messen will, gibt es keine großartige Hardware-Umgebung.
Achim Hensel schrieb: > Also, für mich ist die gestellt Aufgabe klar: Mag sein, mag auch nicht sein. So lange keine konkrete Info vom TO kommt bleibt Alles Kaffeesatzleserei. Gruß
Achim Hensel schrieb: > Also: Zu dem Zeitpunkt, wenn er messen will, gibt es keine großartige > Hardware-Umgebung. Ganz im Gegenteil... Es geht darum Quarze (und auch Quarz-Oszillatoren) "In-Circuit" zu vermessen. Das man das Signal eines aktiven Oszillators wahrscheinlich auch direkt auf einen Teiler führen könnte und keine Verstärkung braucht ist klar. Also irgend eine Schaltung, die vermessen werden soll, lässt den Quarz mit irgend einer Amplitude schwingen und ich würde gerne messen, dass der Quarz mit der richtigen Frequenz schwingt. Im Normalfall geht es um Mikrocontroller-Schaltungen, an denen ein Quarz hängt. Alles im Grunde ganz einfach... Ich habe doch ein paar Hinweise gegeben: Marius S. schrieb: > Leider verzieht die Schaltung den > Quarzoszillator in seiner Frequenz und im schlimmsten Fall kommt es zu > Störungen, welche den Mikrocontroller (an welchen der Quarz zum Teil > hängt) abschmieren lassen. Marius S. schrieb: > Quarze, welche durch eine gegebene Schaltung zum schwingen angeregt > werden (Mikrocontroller), auf korrekte Frequenz vermessen. Wenn der Mikrocontroller läuft und mit der Quarzfrequenz taktet, dann wird der Quarz eher nicht passiv gemessen. Hier wurden jetzt schon einige interessante Schaltungen und Ideen diskutiert. Ich finde die Schaltung mit dem OPA659 ganz ansprechend. Der Eingangsstrom ist im unteren nA-Bereich. Ich werde das mal ausprobieren. Ich würde den OPA dann als Buffer nutzen und mit einer Emitter-Stufe nochmal ein wenig verstärken.
Marius S. schrieb: > Also irgend eine Schaltung, die vermessen werden soll, lässt > den Quarz mit irgend einer Amplitude schwingen und ich würde > gerne messen, dass der Quarz mit der richtigen Frequenz schwingt. > Im Normalfall geht es um Mikrocontroller-Schaltungen, an denen > ein Quarz hängt. Alles im Grunde ganz einfach... Durchaus nicht. Dass sich unter jungen Leute die großklappige Ansicht "1MHz ist doch keine Hochfrequenz!" durchsetzt, bedeutet noch lange nicht, dass man 1MHz mal eben schnell mit einem Baumarkt-Multimeter vermessen kann. Da kommt dann i.d.R. nur Mist heraus... Zu Deinem Problem: Soweit ich weiß, werden Quarze in Pi-Schaltung mit zwei Kapazitäten betrieben. Der Weg der Wahl wäre also folgender: Du fummelst Dir eine fingernagelgroße Platine zusammen, die einen kapazitiven Spannungsteiler und einen Impedanzwandler enthält. Der kapazitive Spannungsteiler muss so bemessen sein, dass die Eingangs- kapazität der nominellen Lastkapazität entspricht. Zum Messen lötest Du den einen Ballast-Kondensator aus und statt dessen den Eingang Deiner Adapterplatine ein. Jetzt kannst Du rückwirkungsfrei messen, denn der Quarzoszillator wird unter genau den Bedingungen betrieben, die auch im Normalbetrieb vorliegen. Dein "Tastkopf" wird nicht "zusätzlich", sondern "anstatt" angeschlossen. Auch wenn es nicht in Dein bisheriges Weltbild passt: Bei Frequenzen ab spätestens 10MHz dominieren die Streu-Reaktanzen. Deswegen sind Oszitastköpfe "1MOhm || 150pF" nutzlos: 150pF sind bei 1MHz ein Scheinwiderstand von ca. 1000 Ohm (!!).
Marius S. schrieb: > Also irgend eine Schaltung, die vermessen werden soll, lässt den Quarz > mit irgend einer Amplitude schwingen und ich würde gerne messen, dass > der Quarz mit der richtigen Frequenz schwingt. Im Normalfall geht es um > Mikrocontroller-Schaltungen, an denen ein Quarz hängt. Alles im Grunde > ganz einfach... In einer MC-Schaltung ist die Genauigkeit nicht unbedingt wichtig. So wie du es dir vorstellst. Du willst also dein Quarz in einer Testschaltung ausmessen und dann in einer MC-Schaltung betreiben. Das wird verschiedene Werte ergeben. Für einen MC ist das auch nicht so wichtig. Oft kann man den kalibrieren oder man schließt einen zweiten Quarz an. In einer Serie geht das sowieso nicht. Mit was tust du überhaupt die Frequenz nachmessen, wenn du es so genau haben willst?
Michael_ schrieb: > Du willst also dein Quarz in einer Testschaltung ausmessen Ich geb's auf... Bitte den Thread zu machen / nicht mehr posten. Thema hat sich erledigt, ich denke ich werde zu einer brauchbaren Lösung kommen. Vielen Dank an alle!
Von welcher Frequenzgenauigkeit sprechen wir überhaupt? Ein Mikroprozessorquarz wird üblicherweise nicht auf ein paar ppm genau gefertigt, die digitale Schwingschaltung im Controller ist nach "Quarzhandbuch" von Bernd Neubig auch nicht ideal für eine Präzisions-Frequenzreferenz. Der Temperaturgang komt noch dazu, da wird auch kein besonderer Aufwand für den Kristall-Schnittwinkel getrieben sein. Ofen mit Thermostat ist sicher auch keiner dran. Am realistischsten ist hier der tatsächlich verwendete Oszillator, und eine möglichst schwache Ankopplung, die war wohl eigentlich gefragt. Ideal wäre sowas wie die "Frequenzwaage" für Armbanduhren, die schon von außen den 32,768 kHz-Quarz messen.
Christoph Kessler (db1uq) schrieb: > Von welcher Frequenzgenauigkeit sprechen wir überhaupt? Man muss sicherstellen können, dass der richtige Quarz bestückt ist. Also so 0.1% Genauigkeit sind sicherlich machbar. Christoph Kessler (db1uq) schrieb: > möglichst schwache Ankopplung Exakt. Christoph Kessler (db1uq) schrieb: > von > außen den 32,768 kHz-Quarz messen. Das wäre natürlich auch cool. Aber es sollte auch zuverlässig funktionieren. Wenn der zu messende Quarz gar nicht schwingt, aber ein zweiter Quarz mit gleicher Frequenz in der Nähe ist, soll dieser nicht übersprechen.
na also, dann besteht dein Tastkopf aus einer 0.5pf_Sonde (2*1pF in Reihe als lose Kopplung) und einem Oszillator mit Soll_Frequenz, welcher mit einem 5pf Ziehkondensator verstimmt werden kann. Beide Signale gehen über einen (Ring-) Mischer an einen Verstärker mit Tiefpasscharakter, dessen Ausgang auf ein Oszilloskop. Dort ist dann die Schwebung zu sehen. Ist keine zu sehen kannst du den 5pf zuschalten. Kommt jetzt noch immer keine niederfrequente Schwebung zustande ist der zu testende Oszillator tot. Ich denke das ist die sicherste und beste Variante welche auch deinen Hauptoszilator nur marginal beinflusst. Namaste
Bitte melde dich an um einen Beitrag zu schreiben. Anmeldung ist kostenlos und dauert nur eine Minute.
Bestehender Account
Schon ein Account bei Google/GoogleMail? Keine Anmeldung erforderlich!
Mit Google-Account einloggen
Mit Google-Account einloggen
Noch kein Account? Hier anmelden.






