Hallo zusammen, bin neu im Bereich der Leistungselektronik, daher bitte etwas Verständnis bei blöden Fragen.... Ich möchte eine H Brücke mit 4 IRFP4368 bauen und als Treiber 2 MCP14700 verwenden. Vor der Planung habe ich mir die Funktionsweise des MCP genauer angeschaut und mir ist aufgefallen, dass das benötigte Potential zur Ansteuerung des Highside FETs aus einem Kondensator kommt welcher zwischen PHASE (-) und BOOT (+) geschaltet wird. Da sich aber über mehrere Minuten die Motorpolung nicht ändern soll, ist doch irgendwann die gesamte Ladung aus dem Kondensator verbraucht, oder? Als ich nach Schaltplänen des MCP gegooglet habe bin ich hier rauf gestoßen: http://forums.parallax.com/attachment.php?attachmentid=84408&d=1314015811 Ich weiß zwar nicht wieso Google mir hier einen IR2181 ausspuckt, allerdings ist mir D9 zwischen +15V und VB aufgefallen. Wäre diese Verschaltung die Lösung für minutenlanges ansteuern des Highsides MOSFETs? Danke im Voraus Clément PS: geplante Motorspannung 12V-24V, 5V als VB möglich?
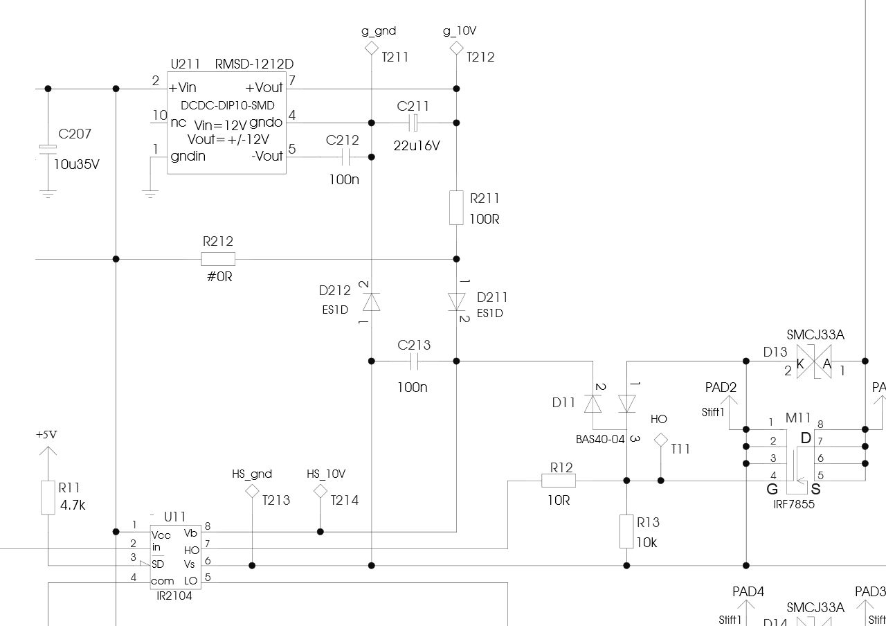
Hallo, da die Gatespannung ja über der der Sourcespannung liegen muß, braucht man da irgend eine höhere Spannung für den High-Side-Teil. In der Regel wird das mit einer Ladungspumpe gemacht (C_Boot). Dann geht aber 100% Aussteuerung nicht. Man braucht ja immer ein paar Pulse für die Ladungspumpe. Sonst ist eben die Gatespannugn weg. Um das zu umgehen, kann man dem High-Side-Treiber auch eine entsprechende höhere Spannung statisch zuführen, z.B. mit einem DCDC-Wandler. Siehe Anhang. Da dient der DCDC-Wandler U211 als SV für den High-Side-Teil. Gruß Öletronika.
Das selbe kannst Du mit einem 555 machen. Siehe Ladungspumpe Bing/Google.
Also ist die Ansteuerung mit der Diode nicht richtig. (siehe Schaltplan) Aber wenn ich mit 24V arbeite kann ich doch nicht 30V BOOT einspeisen, da Vgs höchstens 20V, oder? Dann scheidet der DCDC Wandler aus? Wenn ich es gepulst mit einem 555 mache bekommt er doch immer noch 5V oder? Also liegt es also nur an den Impulsen?
Kann ich also den Ausgang dieser Ladungspumpe direkt an BOOT anschließen oder bräuchte ich einen galvanisch getrennten DCDC Konverter? http://www.talkingelectronics.com/projects/50%20-%20555%20Circuits/images/VoltageDoubler.gif oder den hier? http://www.reichelt.de/index.html?ACTION=3;ARTICLE=35026;SEARCH=SIM1-0515%20SIL4 Kenne mich mit der Materie ja bis jetzt nicht aus!
Bitte melde dich an um einen Beitrag zu schreiben. Anmeldung ist kostenlos und dauert nur eine Minute.
Bestehender Account
Schon ein Account bei Google/GoogleMail? Keine Anmeldung erforderlich!
Mit Google-Account einloggen
Mit Google-Account einloggen
Noch kein Account? Hier anmelden.

