Hallo! Ich suche für einen Schaltregler (Step-Down) schnelle Transistoren (PNP) in SMD. Bisher verwende ich den BCX51, aber der ist noch ein bißchen zu langsam. Schaltfrequenz ist 100kHz, Strom bis 0,5A, Schaltspannung 8V. Hat da jemand einen Tip? Sollten bei Reichelt zu bekommen sein, möglicst SOT-223-Gehäuse oder ähnliches. In der App-Note AVR450 von Atmel wird ein Schaltregler mit SI4425 (MOSFET) vorgestellt, der aber in der Simulation nur Mist bringt. Entweder stimmt das Model des SI nicht, oder es liegt an meiner geringen Schaltspannung von 6-8V. Kennt jemand einen brauchbaren (und natürlich auch vorzugsweise bei Reichelt erhältlichen) MOSFET in SMD, der schnell genug ist und bei der geringen Spannung schon sauber schaltet? Danke Sven
Bei hohen Frequenzen ist die Wahl der Treiberstufe fast wichtiger, als die des Transistors. Die Treiberstufe muß kräftig Ladungen injizieren und auch kräftig wieder absaugen können. Die Gate-Kapazität eines MOSFET bzw. die Miller-Kapazität eines Bipolartransistors müssen schnell geladen bzw. entladen werden. Es gibt Treiber-ICs, die können bis 10A liefern bzw. ziehen. Wenn der MOSFET also Mist macht, dann hast Du ihn zu hochohmig angesteuert. Peter
z.B. BCw68H/BCW66H (0.8A/ft 200MHz) bzw. IRF 7205/IRF 7314/IRF 7389 Die BCWs benutze ich auch zum Ansteuern der FETs.
Nuja, aber 100kHz und 0,5A sind doch nicht so schlimm, es wird ja kein Hochleistungs-Transistor geschalten. Ich habe mich an der App-Note bzw. an den Beispiele aus dem Innenleben div. LT-Schaltregler orientiert: Ein NPN-Transi schaltet den Basisstrom für den Schalttransistor. Nun ist mein Schalttransistor nicht wirklich auf Geschwindigkeit optimiert, der BCX51 ist ja eher ein Standardteil aus der Bastelkiste, ich denke mal, da gibt es noch besseres, ich hab nur in der Richtung wenig Erfahrungen... Sven PS: Früher war das einfacher: Alles mit SS... war zum Schalten da, SD... konnte Leistung, und übersichtlich war die Auswahl auch ;-)
>>Warum nimmst Du dann kein SD350?
Wie sagte der Bär: Fu grof un fu fwer.
Sven
Hm, warum nicht die benötigten, optimalen Bauteile bei den normalen Distributoren beziehen? Ich habe gute Erfahrungen mit Reglern von Linear, Monolithics Power, TI und Maxim. Spulen von Würth, Kondensatoren von RM-Components. Transistoren von Fairchild und Siliconix. Überall kostenlose Muster und guter Support. Moderne Schaltregler sind immer in SMD-Gehäusen. Reichelt ist Bastlerquelle und steht hartnäckig auf Kriegsfuß mit SMD-Bauteilen. Ergo: Reichelt scheidet von vornherein aus. Alle Distributoren versorgen uns mit kostenlosen Mustern. Nur weil es kostenlos ist, muss es doch nicht schlecht sein! ;) Die kostenlosen Simulations-Tools von Linear (SwitcherCAD) und National (WebBench) solltest Du Dir unbedingt mal ansehen. Gruß, Chris
@Sven: Hmm, wo hast Du Probleme: Beim Einschalten oder beim Ausschalten? Poste doch mal Deine Schaltung, vielleicht liegt der Hund an anderer Stelle begraben.
@Christian >>Hm, warum nicht die benötigten, optimalen Bauteile bei den normalen Distributoren beziehen? Ich habe gute Erfahrungen mit Reglern von Linear, Monolithics Power, TI und Maxim. Ich auch, zumindest Linear. >>Spulen von Würth, Kondensatoren von RM-Components. Transistoren von Fairchild und Siliconix. Überall kostenlose Muster und guter Support. Die werden begeistert sein, wenn ich mal so 50 Spulen als Muster anfrage. >>Moderne Schaltregler sind immer in SMD-Gehäusen. Reichelt ist Bastlerquelle und steht hartnäckig auf Kriegsfuß mit SMD-Bauteilen. Ergo: Reichelt scheidet von vornherein aus. Stimmt nicht, ich verwende den LT1776 von R. Auch würde Kessler, Conrad, Farnell (nu, langsam wirds teuer) schon in Frage kommen. >>Alle Distributoren versorgen uns mit kostenlosen Mustern. Nur weil es kostenlos ist, muss es doch nicht schlecht sein! ;) Richtig, aber siehe oben. Ich brauche nun mal 10 Stück pro Satz, und rechne schon mit mehreren Sätzen. >>Die kostenlosen Simulations-Tools von Linear (SwitcherCAD) und National (WebBench) solltest Du Dir unbedingt mal ansehen. Kenn ich. Und genau in dieser Simulation (SwiCADIII) funktioniert es nicht richtig. Siehe nächster Beitrag.
@Unbekannter Zum einen: Ich simuliere die Schaltung aus der App-Note 450, Battery Charger von Atmel in SwiCAD. Dabei wird aber der Transistor bei den angegebenen 100kHz nie ordentlich geschlossen, zu große Gate-Kapazität. Andererseits bietet Atmel ja ein Board mit dieser Schaltung an, es sollte also gehen. Sven
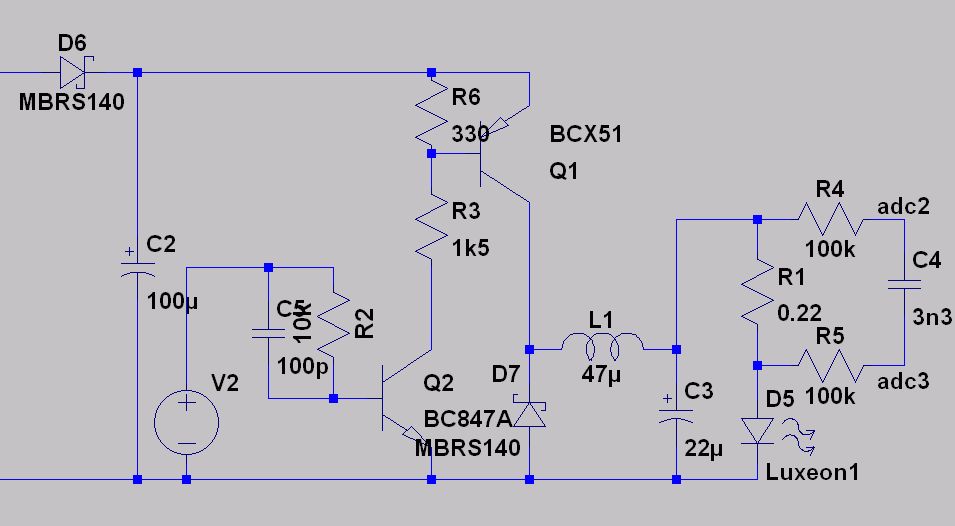
@Unbekannter Zum Anderen: Ich habe aus dieser App-Note eine Schaltung für einen LED-Treiber abgeleitet, die auch funktioniert. Die PWM-Quelle V2 übernimmt dabei ein ATtiny15, die adc2 und adc3 werden an den Differenz-ADC des ATtiny geführt. Wichtig ist mir dabei, dass die Schaltung schon bei kleiner Spannung funktioniert, daher der Transistor in Kollektorschaltung, obwohl Emitterschaltung wahrscheinlich schneller wäre. Bei MOSFET wäre der Spannungsverlust natürlich noch geringer, aber wie gesagt, es funktioniert nicht wie in der App-Note angegeben, auch mit diversen IRF-Typen hatte ich noch keinen Erfolg. Sven
Hier noch die Spannungsverläufe für die Schaltung. Die Spannung an Basis des Schalttransistors folgt recht schnell der PWM, aber der Kollektorstrom, braucht halt ne Weile, bis er wieder Null wird. Sven
Der Thread ist zwar nun schon etwas älter, aber was solls... Ich beiße mir auch gerade die Zähne an einer Schaltung ala AN450 aus. Zunächst hatte ich die Orginalschaltung aufgebaut. Als FET habe ich einen IRF7416 verwendet. Das Ansteuern hat haber ganz und gar nicht gepasst, die steigende Flanke am Gate war derart langsam... Dann habe ich den BC547 Treiber durch einen amtlichen MOSFET Treiber MAX626 ersetzt. Von denen ist aber einer nach dem anderen gestorben, ich weiß bis heute nicht warum :-( Bist du mit der Sache schon auf einen grünen Zweig gekommen ? Wenn ja, wie hast du die Problematik lösen können ? Das einzige was für meine Problematik noch einfallen würde ist, dass der FET (IRF7416) irgendwie ungeeignet ist, aber den SI4425DY konnte ich nicht auftreiben... Stefan
Bitte melde dich an um einen Beitrag zu schreiben. Anmeldung ist kostenlos und dauert nur eine Minute.
Bestehender Account
Schon ein Account bei Google/GoogleMail? Keine Anmeldung erforderlich!
Mit Google-Account einloggen
Mit Google-Account einloggen
Noch kein Account? Hier anmelden.


