Ich möchte ein HD61830 LCD Controller durch ein Z80 ansteuern, weiß aber leider nicht, an welchen Anschluß ich den Steuereingang " E " des HD61830 legen soll. Hab's zwar schon mit WR ( low aktiv ) verbunden, also R/W und E werden über WRITE zusammen angesteuert, klappt aber nicht. Wenn jemand Erfahrung damit hat, bitte helft mir dabei. Danke
Leider kenn ich den Z80 und den HD61830 auch nicht so gut. Bei der Ansteuerung der meist relativ langsamen LCD's muss man auf das Timing achten. Die Dinger wollen teilweise Impulse mit mehreren ms Länge haben. Am besten mal in die Doku sehen. Die meisten µC steuern die Displays über Portleitungen an und spendieren dann immer noch einige Runden in Verzögerungsschleifen in der Ansteuerung. Du willst das Display wahrscheinlich direkt im I/O-Bereich des Z80 ansteuern?!. Ohne Impulsverlängerung oder sowas geht das wohl nicht. Siegfried
Laut Timingbeschreibung ist der HD61830 mehr als schnell genug. Der Enable Cycle liegt bei min. 1 microsek. Das Problem bei der Ansteuerung liegt in dem Fehlen des Enablesignals für den HD61830. Das Display ist ein C160-6 der Firma Electronic Assembly. Dort wird aber eine allgemeine 8bit MPU angegeben. Durch die Z80 Peripherie werden alle Signale erzeugt, d.h. R/W ist an Z80 WRITE angeschlossen, der CS wird durch Dekodierung des I/O REQ erzeugt und bei RS ist der kodierte Adressbus A0 angeschlossen ( für die Auswahl von Instruction/Data ). Außerdem kann ich den Z80 mit 8,4,2,1MHz und 500kHz takten. Wie gesagt, daß Timing von CS,RW,RS und Datenbus müßte voll kompatibel zum Z80 sein. Das einzige, was mir fehlt, ist das E Signal. Vielleicht kann sich jemand mal da Timing ansehen. Der Link zum HD61830 ist: http://www.electronic-assembly.de/eng/pdf/zubehoer/hd61830.pdf Auf Seite 11 ist das Timing beschrieben. Vielen Dank
laut dem Datenblatt (Seite5) heist es .... Enable: Data is written at the fall of E Data can be read while E is 1 .... Siehe hierzu auch Seite 1329, 1337. In den Diagrammen wird mit der fallenden Flanke von E etwas in den 61830 geschrieben. Siegfried
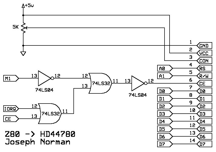
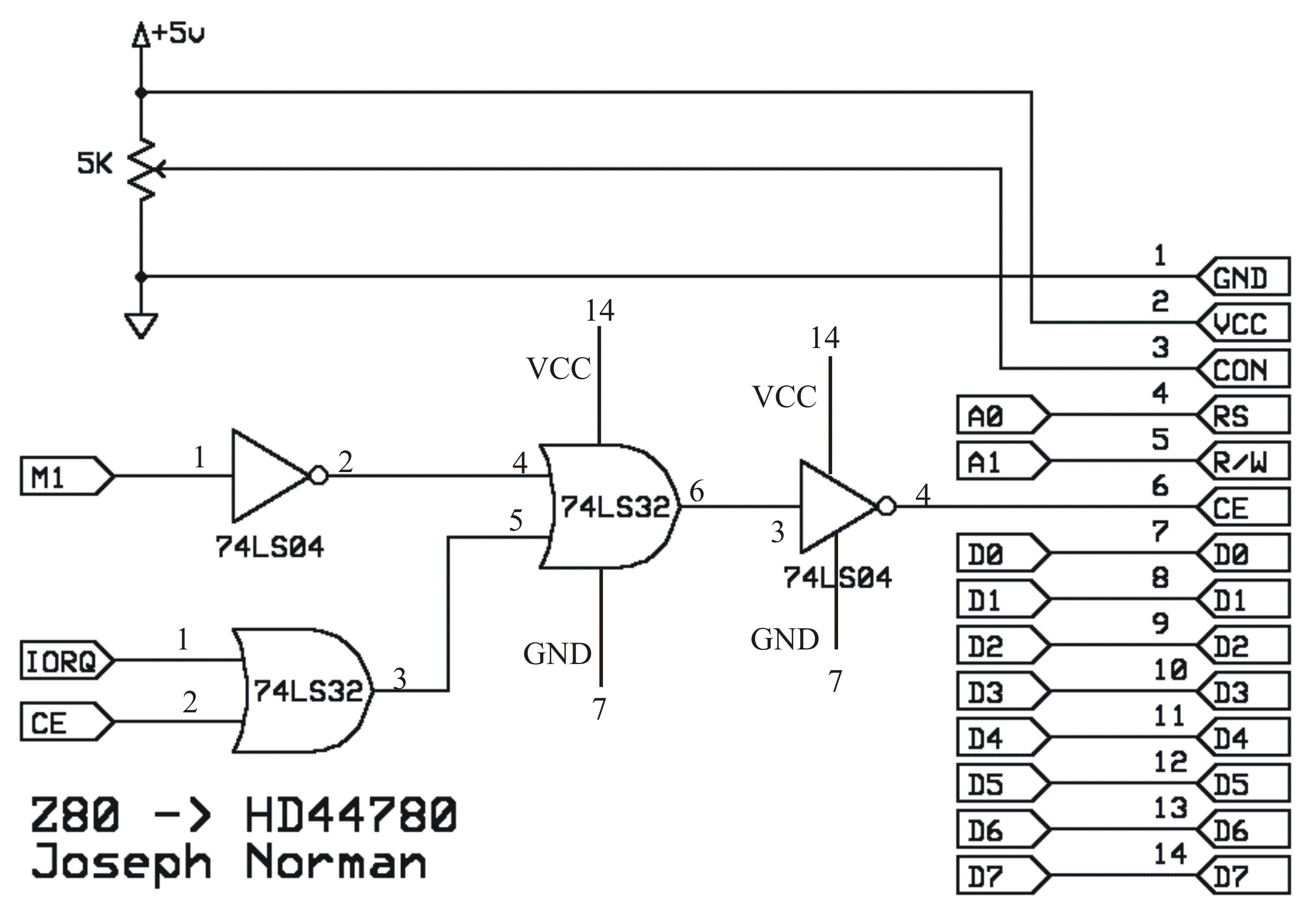
Hallo Siegfried, anbei eine Schaltung um ein LCD Disolay am z80 zu betreiben. Gruss Peter
Bitte melde dich an um einen Beitrag zu schreiben. Anmeldung ist kostenlos und dauert nur eine Minute.
Bestehender Account
Schon ein Account bei Google/GoogleMail? Keine Anmeldung erforderlich!
Mit Google-Account einloggen
Mit Google-Account einloggen
Noch kein Account? Hier anmelden.

