Also ich habe ein großes Problem. Im Laufe eines Studienprojektes bastel ich an einer Platine rum. Nun ist es notwendig das ich ein Relais mit dem Mikrocontroller schalten muss. Das ist auch schon so vorgesehen auf der Platine nur bekomme ich das nicht zum laufen. Es ist ein 12V Relais welches an plus liegt und mit den Mikrocontroller auf Masse gezogen wird. Eine Diode zur Sperrung ist da auch noch parallel geschaltet. Nur wenn ich jetzt den Mikrocontroller anschalte zieht das Relais sofort an auch wenn es nicht an Masse liegt. Wo liegt da nun mein Fehler? Leider ist es aus Platzgründen nicht möglich einen Transistor etc zu verbauen. Das Relais ist von Conrad und hat folgende Daten: 12V (8,4 - 24,8) Spulenwiderstand 960 Ohm 150 mW sollte so ohne Probs unter den 20mA des Atmel sein Als Mikroprocessor verwende ich einen Atmega 32
Hallo Stephan auch wenn das so gehen soll, wird es das nicht tun. Wenn dein uC nicht eine interne Schutzbeschaltung hätte, (deshalb zieht dein relay sofort an), wäre er schon in den ewigen Jagdgründen. Du legst über das Relais 12 Volt auf einen Anschluß eines uC, der mit 5 Volt läuft. Das könnte nur gehen, wenn der Anschluß ein open-collector-Ausgang wäre, und dann müßte er immer noch 12 Volt aushalten. Gerhard
Das Relais wird auch noch mit 7V anziehen. Wenn schon unbedingt notwendig dann ein 5V Relais das weniger als 20mA zieht.
Ok ihr habt da natürlich recht. Das mit den 12 V habe ich so noch gar nicht bedacht muss nur sagen das das nicht auf meinen Mist gewachsen ist ich arbeite nur damit.... Werd dann mal schauen wie ich das lösen kann. Aber so ne Frage am Rande wenn ich das mit einen Treiberbaustein machen würde, würde das dann auch mit nem 12V Relais gehen ?
Ok danke muss das dann halt so fliegend aufbauen geht ja nicht anders.
Für ein Relais, tut's auch ein Transistor.
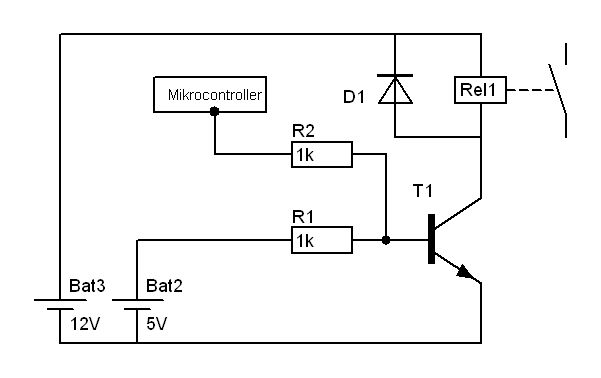
hallo stephan! ein mikrocontrollerausgang verträgt die ströme, die ein relais zieht nicht! du musst also das relais mit der diode über ein transistor schalten. nimm den standard bc548 : emitter an minus, collektor an relais,relais2 an 12volt, minus(von12volt)verbindest du mit minus(von5volt), basis über 1k an +5v,basis über 1k zu deinem mikrocontrollerausgang. wahrscheinlich hast du mit deiner relaisschaltung sogar den chipausgang zerstört, also nimm nen anderen pin, oder am besten n anderen chip.. viele grüße andi
mmmh also ich hab das nun so aufgebaut allerdings ist immer noch derselbe Fehler. Sobald ich den Taster betätige zieht das Relais an und hält auch weiterhin. Liegt auch nicht am Mikroprozessor denn ich habe auch schon einen anderen probiert.
Die wechselt wie man es erwartet von Masse zu 5V
Aber wenn ich nach den Widerständen messe dann wechselt der zwischen 0,72 und 0,76V zieht den hier also nicht auf Masse.
Was für ein Transistor, kannst du mal deine Schaltung mit schicken?
Tschuldige natürlich kann ich das. Habe das so aufgebaut wie es Karlheinz beschrieben hatte. Benutze dafür einen BC548C.
lass die 5V an dem Transistor mal weg, dann funktionierts bestimmt.
Nein das geht grad nicht dachte ich mir ja auch schon.
hab ich schon wieder müll erzählt!! also die schaltung im groben passt so, aber der grund warumsnet klappt liegt daran, dass der r1 zu klein ist, ... wenn ein transistor schalten soll muss basis 1v mehr als emitter haben.... wenn du ihn sicher ausgeschaltet haben willst darf an der basis max 0,5v gegenüber emitter sein...... jetzt musst du dir die 2 r bestimmen..... wenn du n transistor schalten lassen willst, nimmst du ein spannungsteiler, der ungefähr eine spannung = dem arbeitspunkt des trans hat(0,7 volt) also nimmst du ein weiteren widerstand(r3)von basis zu emitter mit zb 1k. die gesamtv(5V) verhält sich zur teilv(0,7V) wie die Rs.. also nehmen wir grob verhältnis 7 zu 1 bei den widerständen r1 zu r3 da wir r3 =1k nehmen wir für r1=7k.. jetzt haben wir eine spannung von 0,7 v an der basis... der R2 entscheidet jetzt , wie stark der Mikrocont. die spannung ändert... mit r2=1k wird die basis emitter spannung entweder bei 0,5/7 *5v =0,35V.....oder bei grob 1zu1 also 2,5volt liegen..... damit kommen wir unter die0,5 bzw über die 1volt so gehts ..... sorry für die lange wartezeit nimm mal für r1 10k
Was soll denn jetzt die Vorspannung an der Transistorbasis? Das macht ja nun wirklich keinen Sinn. Der Transistor gehört mit seiner Basis und einem Widerstand von 2,2k direkt an den Prozessorpin. Wenn dieser dann High geht, steuert der Transistor durch und schaltet das Relais ein. Das war´s!
@TravelRec. Ich würd's auch so machen. @All Wozu die 5V?? Ist doch klar, dass der Transistor durchschaltet. Vom der 5V Quelle fließt genügend Strom zur Basis, damit der Transistor durchschaltet. Es reicht aus, die beiden Massen der Versorgungspannungen zu verbinden. Noch ein kleiner Tipp zu der Freilaufdiode. Es ist besser, eine Z - Diode (z.B. 20V) parallel zu schalten. Nur mal so aus Interesse, Stephan, du sprachst von einem Studienprojekt... Hoffentlich kein Elektrotechnik - Studienprojekt... Grüße
also da versucht man mal grob den hintergrund zu erklären... und wird nur niedergemacht!!! ist mir schon klar, das man massig teile sparen kann, aber für n anfänger ist nunmal die einfachste ausführung nicht umbedingt die beste... aber egal..... noch n tip zum thema freilaufdiode!! eine zehnerdiode ist der standarddiode in diesem fall NICHT vorzuziehen, weil so ne zehner viel länger zum durchschalten braucht, und der transistor im ernstfall im abbrennen schneller sein kann!!!! noch n tip an die verbesserer: ist ja schön andere zu verbessern, die sich mühe geben,was zu erklären, aber wieso habt ihr denn diese frage 2 tage offengelassen, und seit erst eingestiegen, als die frage, wenn auch komlexer, gelöst war?????? tolle leistung!!
@Michael Leider muss ich zu unserer Schande gestehen das es sich um ein Studienprojekt in Elektrotechnik handelt. Das Problem daran war nur das die Zeit knapp ist und das Augenmerk auf die Programmierung gelegt wird... Den Rest soll sich jeder denken :) @Karlheinz Vielen Dank erst mal für weitere Mühen. Ich habe gerade nicht die Zeit das so weiter auszuprobieren aber wenn es soweit ist werde ich es dich hören lassen ob es funzt.
<sarkasmus> es wäre doch mal dringend an der Zeit die P.I.S.A. Studie auch mal auf Studiengänge anzuwenden..... Soll die Kampagne der Bundesregierung zur Schaffung von Eliteunis bedeuten dass es dann auch wieder Studis gibt die die Grundlagen kapiert haben? </sarkasmus> bye Frank
@ KarlHeinz: Nichts für ungut, aber ich bin deswegen erst so spät ´rein, weil ich nicht jeden Tag online bin. Sicher hätte man das Problem auch schneller lösen können, aber man muß auch immer erst sicher wissen, was der Fragende machen will. Und niedermachen wollte ich Dich bestimmt nicht! Grüße!
@KarlHeinz Ich habe auch nicht die Zeit, diese Forum täglich zu lesen. Und was hat das mit Niedermachen zu tun, wenn man in so nem Forum antwortet? Das mit dem Spannungsteiler ist ja ne nette Sache, ist nur nicht nötig bzw. bei so einer Ansteuerung fehl am Platze (Ruhestromaufnahme, Oversized). Zur Z-Diode: Es stimmt schon, dass sie langsamer "auslöst" wie eine normale Diode, der Unterschied liegt darin, dass eine Z-Diode die beiden Spulenanschlüsse beim Ausschalten quasi kurzschließt. Die Folge ist ein schnellstmögliches ausschalten des Relais. Verwendet man ein gewöhnliche Diode, fließt der Strom ja weiter. Dieser Strom stammt aus dem Magnetfeld der Spule. Der Strom baut sich nur relativ langsam ab, dies führt dann im Endeffekt dazu, dass die Kontakte des Relais schneller verschmoren. Das alles ist sicher für Hobbyanwendungen völlig uninteressant, da tauscht man halt einfach das kaputte Relais aus. Zitat KarlHeinz: "ist ja schön andere zu verbessern, die sich mühe geben,was zu erklären, aber wieso habt ihr denn diese frage 2 tage offengelassen, und seit erst eingestiegen, als die frage, wenn auch komlexer, gelöst war?????? tolle leistung!!" Wieso denn gleich so genervt? Ich denke, je mehr antworten in einem Forum in die gleiche Richtung gehen, desto wahrscheinlicher ist die Richtigkeit eben dieser. Wenn du dich jedesmal gleich angegriffen fühlst, wenn einer 'ne andere Meinung / Idee hat..... Grüße Michael
Hallo Michael, das mit der Zenerdiode habe ich so nicht verstanden.!? > der Unterschied liegt darin, dass eine Z-Diode die > beiden Spulenanschlüsse beim Ausschalten quasi kurzschließt. Das macht die normale Diode auch. Die Z. schließt Du wie die andere Diode auch in Sperrichtung (wäre sonst ja blöd...), oder...? Die Relaisspule treibt nach dem Ausschalten den Strom weiter, damit wird die Zenerdiode in Durchlassrichtung betrieben (wie die normale Diode auch). Dabei sind Innenwiderstand von Spule und Diode die Dämpfungselemente, die den Strom abbauen. Wo soll jetzt der Unterschied sein? > Verwendet man ein gewöhnliche Diode, > fließt der Strom ja weiter Der Strom fließt IMMER weiter, nämlich durch das "kurzschließende" Element, die Diode. Wenn er das nicht kann, dann hast Du eine Zündspule. Und warum verschmorte Kontakte? Wir reden doch vom Betreiben der Betätigungsspule, nicht dem Ausgangskontakt...
Hallo, ich habe in meinem vorherigen Posting vergessen zu erwähnen, dass die Z - Diode nicht parallel zum Relais geschaltet wird, sondern parallel zum Transistor. Also ich versuchs nochmal besser zu erklären. Effekt der einfachen Diode: Nach dem Abschalten des Spulenstroms will die Spule den Strom aufrecht halten. Der Strom fließt über die Diode. Über der Diode fällt eine Spannung von ca. 0,7 V ab. Dies widerum führt dazu, dass der Strom nur langsam absinkt. Diese Folgerung ziehe ich aus der Formel: U = L * dI / dt --> ist U klein, muss auch dI / dt klein sein, da L konstant ist. Da der Strom durch die Spule weiterfließt, baut sich das Magnetfeld im Anker der Spule nur langsam ab. Dies führt zu einer nur langsamen Kraftabnahme auf den Spulenbügel (keine Ahnung wie das Ding wirklich heißt). Der Spulenbügel wird meistens mit einer Feder zurückgezogen. Eine Feder übt eine konstante Kraft bei Dehnung aus. Folge: Der Bügel bewegt sich nur langsam zurück. Fließt nun ein Hoher Strom durch die Lastkontakte der Spule, ergibt sich eine längere Zeit, in der ein Lichtbogen möglich ist. --> Längere Einwirkung eines Lichtbogens auf einen Kontakt führt zu einer erhöhten Abnutzung des Kontakts. Effekt der Z - Diode: Wählt man eine zu einem Transistor! parallele Z - Diode(ca. 30 - 40 V), dann liegt über der Spule! während des abschaltens eine Spannung von eben dieser Z - Spannung. (Man muss die Spule als Spannungsquelle betrachten). Da immer noch gilt: U = L * dI / dt und U über der Spule jetzt größer ist, muss auch dI / dt (also die Änderung des Stroms pro Zeiteinheit) größer sein --> Der Strom wird schneller abgebaut, die Kontakte der Spule öffnen schneller. Grüße
@Michael Hast du das, was du dir da überlegt hast, auch mal nachgemessen?
@Michael Ich habs gleich mal mit Spice simuliert. Du hast recht! Bei meiner Simulation fließt mit der Diode parallel zur Spule nach 27.6ms noch 1mA Strom. Mit der Z-Diode parallel zum Transistor fließt schon nach 14.5ms nur noch 1mA Strom. Man lernt nie aus :-)
Hallo Michael, ah jetzt weiß ich wie Du's meinst. Die Idee ist nicht schlecht! Ich konnte nicht anders und musste das gleich mal simulieren. Die Werte kann man aus den Bildern ablesen. Als ohmschen Spulenwiderstand habe ich 10 Ohm angenommen. V(in) schaltet den Transistor ein und wieder aus. Als Zenerdiode habe ich 2 Stück à 15V eingetragen, weil in der Datenbank keine größere war. Man sieht den Unterschied im zweistelligen Milisekundenbereich (viel). Mit etwas anderen Werten hatte ich sogar um die hundert Milisekunden erreicht. Man beachte allerdings das Schwingen beim Abschalten: wenn der Strom Null erreicht, schließen die Dioden, und ziehen schlagartig den Knoten mit seinen parasitären Kapazitäten runter. Zum Umladen fließt der Strom über die Induktivität und schwingt eine Zeitlang im Spannungsbereich der Zenerdiode. Grüße, Henning
Habe ich vergessen: Mit einem kleinen Widerstand oder Last entlädt sich der Knoten schnell (in den Simulationen reichte ca. 20kOhm, um alleine mit den angegebenen Bauteilkapazitäten ein Schwingen komplett zu verhindern). Gruß, Henning
Hallo Bri, da warst Du etwas schneller als ich...
Ja stimmt, für ein gutes EMV - Verhalten sind noch andere Maßnahmen nötig. Grüße
So erst mal noch vielen Dank für die vielen Postings und die gute Hilfe !!! Ich hab das nun mit beiden Varianten aufgebaut und es funzt nun auch endlich. Das Problem was ich hatte war das die Verstärkung des Transistors um die 6 lag. Das ist etwas wenig dachte ich mir hab dann nur mal zum testen Kollektor und Emitter vertauscht und siehe es funzt. Entschieden habe ich mich für die einfache Version mit nur einen Widerstand ohne Spannungsteiler da der Ruhestrom so gering wie möglich sein soll. Dann habe ich das auch mit den Z-Dioden gelöst. Die Simulation hat mich denn doch überzeugt das das besser ist. Aber habe einen Prof gefragt und der kannte die Möglichkeit noch nicht :) Fazit sehr kompetente Leutz hier!!! Danke noch mal !!!
Bitte melde dich an um einen Beitrag zu schreiben. Anmeldung ist kostenlos und dauert nur eine Minute.
Bestehender Account
Schon ein Account bei Google/GoogleMail? Keine Anmeldung erforderlich!
Mit Google-Account einloggen
Mit Google-Account einloggen
Noch kein Account? Hier anmelden.
