kennt jemand einen guten schaltplan für ein ladegerät von ni-mh akkus (AA)?. Ich habe bisher nur schaltpläne gefunden die mit linearreglern arbeiten, mit schaltreglern würd das auch funktionieren oder? Oder kriege ich da eventuell probleme mit restwelligkeit usw? Muss ich generell noch irgendwelche schutzschaltungen einsetzen um den akku zu schützen? zB überladungsschutz etc? Ist es möglich das mit einer konstantstromquelle zu machen? Die eingangsspannung wären 12V, die Akkus welche hintereinandergeschaltet sind (6 stück) haben zusammen eine maximalspannung von 6V Wie sollte man da am besten rangehen?
Für Einzelakkus verheirate ich demnächst den BQ2002C mit AX2002 als Konstantromquelle. Gespiesen aus USB. Für mehrere Zellen in Reihe kannst du einfach von den x-beliebigen zahlreichen Bausteinen die Schaltung im Datenblatt umsetzen. 6 NiMH in Reihe haben maximal so 9V. Also ist dafür ein LDO gar nicht so schlecht. Bei 12V Eingang kannst du aber auch einfach einen "current based" Buck zum Lade-IC nehmen (dritter Link). Die Standard-ICs haben oftmals sogar alles nötige bereits an Bord, sodass man nur noch die Drossel braucht (erster Link). http://ww1.microchip.com/downloads/en/DeviceDoc/51648a.pdf http://www.maximintegrated.com/en/products/power/battery-management/DS2715.html http://www.onsemi.com/pub_link/Collateral/DN06044-D.PDF
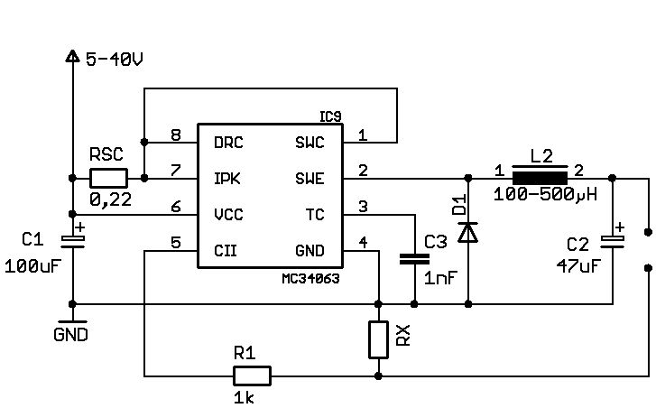
oh sorry das sind nur 5 stück, ich hatte mich verschrieben. Das wären dann 6Volt, da ja jeder Akku 1,2V hat. Kann man auch den MC34063 benutzen? da habe ich nämlich einen schaltplan der eig für POWER-LEDs ist, aber den könnte man ja modifizieren und mit einem MOSFET versehen. Der erste Link wäre der hier oder? http://www.reichelt.de/MCP-1640BT-I-CHY/3/index.html?&ACTION=3&LA=446&ARTICLE=109734&artnr=MCP+1640BT-I%2FCHY&SEARCH=MCP1630
Bitte melde dich an um einen Beitrag zu schreiben. Anmeldung ist kostenlos und dauert nur eine Minute.
  
  Bestehender Account
  
  
  
  Schon ein Account bei Google/GoogleMail? Keine Anmeldung erforderlich!
Mit Google-Account einloggen
Mit Google-Account einloggen
  Noch kein Account? Hier anmelden.


 Thread beobachten
 Thread beobachten Seitenaufteilung abschalten
 Seitenaufteilung abschalten