Hi, könnt ihr mal einen Blick auf meinen Schaltplan werfen? Es ist nur der I2C-Teil der Schaltung und ich hab noch nichts mit I2C gemacht -> bin mir also nicht sicher, ob das so passt (besonders der Teil mit den Tastern) Also, bin jederzeit für Kritik dankbar ;-) Gruß, Stefanie
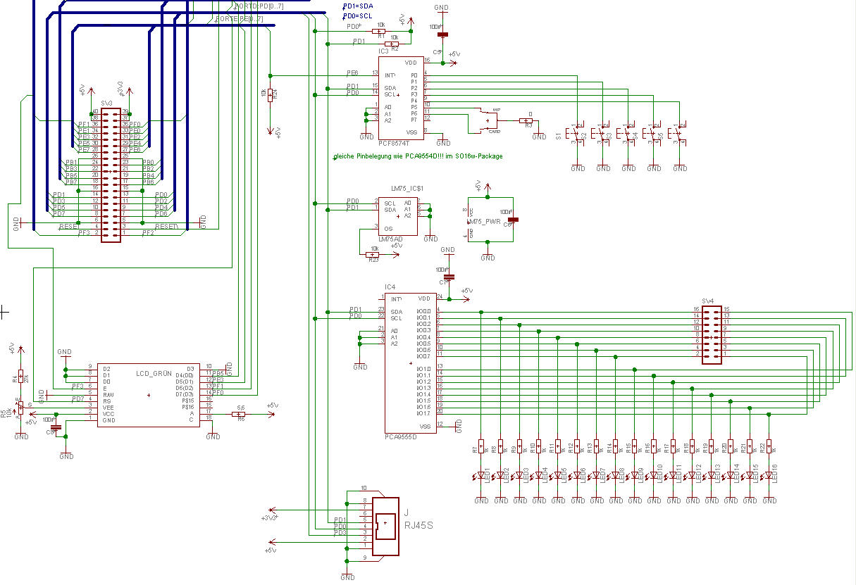
Hi Da der PCF8574 und der PCA9555 erstmal identische Adressen haben, musst du bei einem der Bausteine die Adresse ändern. (also A0 nicht auf GND, sondern 5V legen) A2 solltest du dabei nicht benutzen, da der LM75 in dem Bereich liegt. Am Besten schaust mal in die Datenblätter und "Adressing". Unterschiede gibts zB. zwischen PCF8574/8574A. Datenblätter findest du hier: www.datasheetarchive.com mfg mIcHa
Hi, ich hatte schonmal Probleme, das neue Muster für den keyboard-Interrupt schnell genug in den PCF8574 zurückzuschreiben. Das äußerte sich als Tastenprellen und hat mich viel Zeit bei der Fehlersuche gekostet. Seitdem schalte ich einen 1 µF Elko direkt an die Eingänge und die interne weak-pullup Stromqulle lädt den Elko in ca 150 ms auf die Entscheidungsschwelle. Schneller kann ich die Taste nicht zweimal drücken. In Serie zum Taster habe ich 330 Ohm (zur Strombegrenzung und um das Entwicklergewissen zu beruhigen). MfG Johann
Guten Abend, ganz herzlichen Dank für euere Vorschläge. Habe nun alles verbessert, was beanstandet wurde. Ist es nun so in Ordnung bzw. habe ich richtig verstanden, was ich machen soll? Gruß, Stefanie
Guten Abend, vielen ganz herzlichen Dank für die Tipps. Ist es nun richtig so, oder ist da noch was falsch?! Gruß, Stefanie
Hi, wenn Du die Widerstände R25 bis R29 auf die andere Seite der Taster nimmst, wird's Dir der Layouter danken. Die Elkos C9 bis C13 liegen mit minus an GND. Kann ich leider nicht erkennen. Sonst GO ! MfG, Johann
@ Klaus... Warum machst Du die Pferde scheu? Entweder man weiss was, oder man hält sich (hoffentlich vornehm) zurück und verunsichert andere nicht. Die variablen Bits dürfen gleich sein, denn die verwendeten Bausteine haben einen in Gruppen eingeteilten verschiedenen Adressbereich. Sieh mal: LM75: According to I2C bus specifications, the LM75 has a 7-bit slave address. The four most significant bits of the slave address are hard wired inside the LM75 and are 1001. The three least significant bits of the address are assigned to pins A2A0, and are set by connecting these pins to ground for a low, (0); or to +VS for a high, (1). Therefore, the complete slave address is: 1 0 0 1 A2 A1 A0 R/W MSB to LSB. PCA9555: DEVICE ADDRESS 0 1 0 0 (fixed) A2A1A0 R/W (programmable) according to Figure 5. PCA9555 address Also haben die fraglichen Bausteine wie von Stefanie im neuesten Schaltbild gezeichnet die Adressen LM75: 90 (hex) (der Adressbereich LM 75 geht von 90 bis 9E (hex)) PCA9555: 40 (hex) (der PCA 9555 geht von 40 bis 4E (hex)) PCF8574 4E (hex) (der PCF8574 geht von 40 bis 4E (hex)) und das funzt - würde ich sagen. MfG, Johann
Bitte melde dich an um einen Beitrag zu schreiben. Anmeldung ist kostenlos und dauert nur eine Minute.
Bestehender Account
Schon ein Account bei Google/GoogleMail? Keine Anmeldung erforderlich!
Mit Google-Account einloggen
Mit Google-Account einloggen
Noch kein Account? Hier anmelden.


