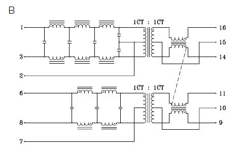
Hallo, Ich werde einen Wandler bauen welche einen SPDIF Eingang und einen Ausgang hat. Diese möchte ich zur Schaltung galvanisch getrennt wissen. Kann ich dies mit einem "Trenntrafo" einer Netzwerkkarte machen? Im Anhang sieht man die Verschaltung des Bauteils. ES ist das 0556-3873-03 von Bel. Mich verwundert die Verbindung der beiden getrennten Teile durch die gestrichelte Linie. 14 und 16 wueden dann auf die SPDIF Buchse gehen, 1 und 3 zur Schaltung. Geht das so? Kommen die 0,7 V von SPDIF da durch? Gruss Daniel
Schau dir besser erstmal das hier an: http://www.epanorama.net/documents/audio/spdif.html Gruß, Christian.
Da habe ich die Idee ja her. Unter SPDIF Output Buffer steht: --The transformer T1 is high quality 1:1 pulse transformer (can be salvaged from old broken network interface card or similar source).--
Ok, das habe ich bis jetzt wohl immer überlesen;-) Wenn du kein Datenblatt für den Trafo hast, probier halt aus was hinten raus kommt. Wenn du das Ding über den Spannungsteiler anschließt, kann ja nichts kaputt gehen. Letztendlich sollten halt Abschlußimpedanz und Amplitude nach dem Trafo den SPDIF-Specs entsprechen. Gruß, Christian.
Hallo dumme Frage: wieso nicht die optische Variante nehmen. Die Sender und Empfänger kosten fast nichts und die Lichtleiter auch nicht.
weil a) Empfaenger und Sender je zwischen 3-4 EUR kosten. b) Kabel zu lang c) Der Empfaenger will auch mit Strom versorgt werden, somit wieder keine Trennung...
Hallo die Übertrager müßten gehen. Die gestrichelte Linie deutet eine magnetische Kopplung an. Was ich aber trotzdem noch nicht verstehe: die Schaltung am anderen Ende benötigt doch so oder so Energie? Auch mit dem Übertrager und langen Kabel wird das Signal gedämpft. Wie lang ist den die Leitung? Auch wenn ich kein Fan von Elektorschaltungen bin, aber Ende der 90er haben die laufend Schaltungen zum verteilen, verlängern und konvertieren von SPDIF gebracht. Die Übertrager waren meist selbst gewickelt mit 2-4 Wdg auf einem Ringkern.
Hallo Nochmal, Hab die Schaltung jetzt mit dem Übertrager aus der LAN Karte aufgebaut. Funktioniert wunderbar. Kann ich nur empfehlen. 1 Optisch IN, 1 Koax IN, 1 Optisch OUT und 1 Koax OUT. Die beiden Eingaenge mit Schiebeschalter waehlbar. Ausgaenge immer beide Aktiv. Herz der Schaltung ist ein 7404 ;) DANKE an alle die mir geholfen haben Gruss
Bitte melde dich an um einen Beitrag zu schreiben. Anmeldung ist kostenlos und dauert nur eine Minute.
Bestehender Account
Schon ein Account bei Google/GoogleMail? Keine Anmeldung erforderlich!
Mit Google-Account einloggen
Mit Google-Account einloggen
Noch kein Account? Hier anmelden.
