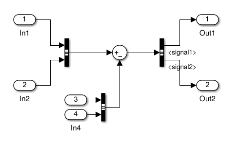
Hallo, ich beschäftige mich gerade mit der Frage, ob das folgende mit Simulink modellierte System (Screenshot 1) durch das (theoretisch) äquivalente Blockbild (Screenshot 2) implementiert werden kann. Ziel ist mein System optisch überschaubarer zu gestalten (in den Screenshots ist ein einfaches Beispiel dargestellt und nicht mein System). Dennoch kriege ich Fehlermeldungen wenn ich die Simulation ausführen will. Im Endeffekt, falls es nicht klar ist, treten in meinem System viele Sumblöcke auf. Das führt dazu, dass das ganze Schema wegen den zu vielen Verbindungslinien nicht mehr nachvollziehbar ist. So,dachte ich mir, könnte man alle Signale in einem Array zusammenführen und nur einen einzelnen Sumblock verwenden. Scheinbar ist der von mir dargestellte Weg, nicht der richtige. Gibt es Lösungen/Tipps?!?! Gruß
Sum-Blöcke akzeptieren keine Busse. Versuchs mal mit Mux-creator
Hallo, wie mein Vorredner schon schreibt, lässt sich das mit Mux statt Bus Creator lösen. Dabei würde in deinem Screenshot2 alledings IN1 und IN3 addiert sowie IN2 und IN4. Auch wenn sich die Übersichtlichkeit damit vielleicht steigern lässt ist es fraglich ob damit auch die Verständlichkeit steigt oder doch eher sinkt (die Signale sind dann nämlich schwerer zu verfolgen). Meiner Erfahrung nach lassen sich Probleme hervorragend gliedern und somit sehr übersichtlich und verständlich mit Subsystemen darstellen. Wenn das System bereits vorhanden ist, einfach einen zusammengehörende Blöcke makieren, Rechtsklick, Create Subsystem und dem ganzen dann noch einen aussagekräfigen Namen geben. Und auch Subsysteme in Subsystemen sind machbar. Damit bekommt das ganze eine gut gegliederte Struktur, die in den einzelnen Ebenen gut überschaubar ist und es lassen sich zudem einzelne Teile sehr gut per Copy & Paste weiterverwenden. Gruß Kai
Super, Danke für den Tipp.... eine Gliederung des Systems wäre ja das Sinnvollste. Gruß
Bitte melde dich an um einen Beitrag zu schreiben. Anmeldung ist kostenlos und dauert nur eine Minute.
Bestehender Account
Schon ein Account bei Google/GoogleMail? Keine Anmeldung erforderlich!
Mit Google-Account einloggen
Mit Google-Account einloggen
Noch kein Account? Hier anmelden.

