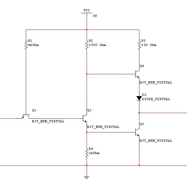
Hallo, ich hoffe ihr könnt mir bei folgendem Problem weiterhelfen: Ich möchte gern eine TTL Inverterschaltung bauen für 5V und 33Mhz. Im Dateianhang seht ihr schon meinen Ansatz. Problem ist, dass die Schaltung anscheinend nicht hinterkommt wenn ich sie mit PSpice simuliere. Habt ihr vielleicht Tipps für mich welche Tranistoren ich verwenden soll, wie groß die Widerstände sein sollen oder sonstige Sachen damit ich meinem Ziel näher komm? Herzlichen Dank, Jörg
schau dir mal die Innenschaltung von Schottky-TTL an. Die dort eingesetzten Schottky-Dioden verhindern ein zu grosse Übersteuerung der Transistoren und erhöhen damit die Schaltgeschwindigkeit. Wozu willst du sowas diskret aufbauen?
Es soll für ein Projekt sein. Eine Schottky-TTL Schaltung besteht ja aus Schottky-Transistoren und Schottky-Dioden. Meinst du ich soll komplett so eine Schaltung verwenden? Aber laut mehreren Tabellen sollte eine Standard TTL-NAND Schaltung (7400) 35-40Mhz schaffen Im Prinzip habe ich die ja nachgebaut, nur mit einem Eingang. Deshalb dachte ich vielleicht es liegt an den Transistoren. Kann mir vielleicht schnelle Transistoren nennen die geeignet für meine Schaltung wären?
Solch einen schnellen Treiber kannst Du nicht einfach 1:1 mit diskreten Bauteilen nachbauen, dazu wirst Du über die Verdrahtung viel zu hohe parasitäre Kapazitäten bekommen. Schnelle Schalttransistoren findest Du in Schaltnetzteilen moderner Bauart im Ansteuerteil der Endstufen. MfG Manfred Glahe
Mußt Du den Inverter bauen? Oder brauchst Du einfach nur einen einzelnen Inverter? Falls letzteres, dann kannst Du auch einen Single Gate Inverter nehmen, z.B. den AHC1G04 von TI: http://focus.ti.com/paramsearch/docs/parametricsearch.tsp?familyId=340&templateId=5985&navigationId=11385&family=logic¶mTable=yes
Erstmal danke für eure Antworten. Ich muss den Inverter selber bauen. Aber bei der Frequenz kann ich eigentlich selber entscheiden wie hoch die sein kann. Ich bin einfach anhand von Tabellen ausgegangen das eine Standard TTL Schaltung gut 33Mhz schafft. Also kann ich nochmal zusammenfassen: Ich kann keinen Inverter selber bauen der Frequenzen im 33Mhz Bereich schafft. Welche Frequenz wäre im Bereich des Möglichen?
Sers Jörg, ich geb einfach auch mal meinen Senf dazu. Bei so hohen Frequenzen machen Widerstände im kOhm Bereich nicht viel sinn. Weiterhin brauchst du schnelle Transistoren.
Hi Bob, könntest du mir vielleicht konkret einen Transistor nennen? Suche schon vergebens einen geeigneten. Mit den Widerständen hast du natürlich recht.
Bitte melde dich an um einen Beitrag zu schreiben. Anmeldung ist kostenlos und dauert nur eine Minute.
Bestehender Account
Schon ein Account bei Google/GoogleMail? Keine Anmeldung erforderlich!
Mit Google-Account einloggen
Mit Google-Account einloggen
Noch kein Account? Hier anmelden.
