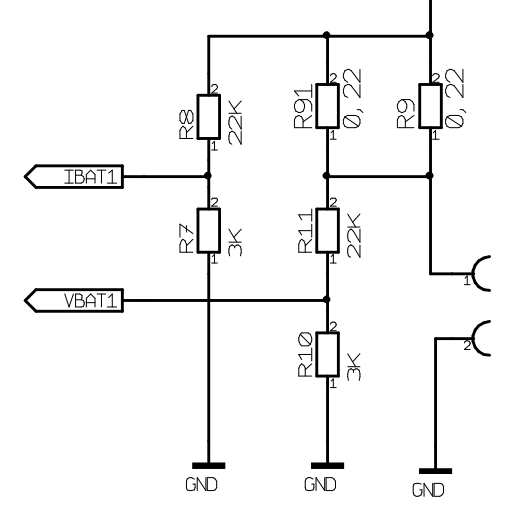
Hallo! Ich sitze seit ein paar Tagen an einer Schaltung mit einem Attiny861A, der mittels PWM und Treibermosfet einen Step-Down-Regler realisieren soll. Probleme habe ich bei der Strommessung, der Schaltungsteil ist angehängt. Ich messe Strom und Spannung über zwei Spannungsteiler und nutze die interne Referenz von 2.56V (ext. gepuffert). Die Spannungsmessung funktioniert einwandfrei, nur bei der differentiellen Strommessung über einen 0.1R-Shunt (2x0.22R parallel) gibt es Probleme. Ich habe Ströme bis 5A, die über den Shunt und die Spannungsteiler eine Spannung bis 60mV ergeben. Diese gehen auf den internen differentielle OP und werden dort 32fach verstärkt. Die Schaltung habe ich mit einem ohmschen Widerstand abgeglichen und das funktioniert auch super. Wenn ich jetzt aber einen Akku an den Step-Down-Regler anschließe (das ganze soll ein Ladegerät werden), dann haut die Strommessung nicht mehr hin. Komischerweise ist der Stromfehler auch noch abhängig von der Spannung des Akkus. Als Beispiel: Sollstrom=500mA, bei 2V-Akkuspannung habe ich annähernd 500mA, bei 8.5V habe ich nur noch 350mA und bei 13V nur noch 250mA. Kann mir das Jemand erklären oder hat 'nen Tipp woran das liegt? Danke und Grüße, Nico
Update: Sobald ich eine Spannungsquelle anschließe, zeigt der diff. ADC Werte an obwohl kein Strom fließt.
Da schlagen die Toleranzen der Widerstände zu. Bei 1% und Vbat=12V hast du schlechtestenfalls schon einen Fehler von 50mV - was 500mA Messstrom entsprechen würde...
So ist es. Also entweder Du gleichst Deine Brücke hochgenau ab - oder Du verlegst die Strommessung in den neg Zweig - oder Du setzt ein spezielles Stromwandler IC ein (gibt es afaik von AD..)
Da habt Ihr natürlich recht, war mir garnicht so bewusst! Aber warum funktioniert das Ganze wenn ich einfach einen Widerstand an den Ausgang anschließe?
Hier noch eine kleine Rückmeldung: Es scheinen wirklich die Widerstände gewesen zu sein. Ich habe jetzt beide Widerstandsteiler ersetzt durch nahezu identische Widerstandswerte. Danke für den Tipp!
Bitte melde dich an um einen Beitrag zu schreiben. Anmeldung ist kostenlos und dauert nur eine Minute.
Bestehender Account
Schon ein Account bei Google/GoogleMail? Keine Anmeldung erforderlich!
Mit Google-Account einloggen
Mit Google-Account einloggen
Noch kein Account? Hier anmelden.
