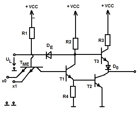
Sehr wahrscheinlich muss ich in der Klausur erklären können, wie der ENABLE Eingang funktioniert. Ein Verständnisproblem gibts da: Wenn der ENABLE-Eingang auf U_LOW (0) ist und ich den Multiemitter-T mit Low auf X0 oder X1 zum leiten bringe, dann sperrt T2. Folglich leitet die Diode und über R2 fließt ein Strom über den Enable-Pfad. Aber: Wenn T2 sperrt, dann liegt doch an der Basis von T3 ein High-Potential an, wieso leitet T3 nicht auch? Das versteh ich nicht ... liegt es daran, dass die Diode niederohmiger wird als der Basis-Emitter Pfad von T3 und deswegen alles über D_Enable geht? Vielen Dank im Voraus!
Silizium angenommen: Welche Spannung gegen Masse braucht T3 an seiner Basis mindestens um durchzuschalten? 2*0.7V Wie groß wird sie höchstens sein wenn Enable an Masse liegt? 1*0.7V
Ach ... die Potentialschwelle der Basis-Emitter-Diode des Transistors T3 wurde ja durch D_O um 0.7 V angehoben. Deswegen leitet die Enable Diode zu erst. Darauf wolltest Du hinaus, oder?
Bitte melde dich an um einen Beitrag zu schreiben. Anmeldung ist kostenlos und dauert nur eine Minute.
Bestehender Account
Schon ein Account bei Google/GoogleMail? Keine Anmeldung erforderlich!
Mit Google-Account einloggen
Mit Google-Account einloggen
Noch kein Account? Hier anmelden.
