Hallo, ich habe erst kürzlich ein schönes LCD Display erworben und möchte dieses nun ansteuern. Im Datenblatt (siehe Anhang) ist auf Seite 12 eine etwas eigenartige Grafik, welche erklärt in welcher Reihenfolge die Betriebsspannungen und Signale an das LCD Gelegt werden sollen. Eigenartig deswegen, weil z.b. das Daten Input Signal noch VOR dem der Vee-Spannung anliegen soll. Und erst danach darf das D.Off Signal eingeschaltet werden. Diese schöne Reihenfolge bekommt man sicherlich Problemlos beim einschalten noch hin, aber spätestens beim Ausschalten ist diese Reihenfolge unter keinen Umständen mehr einhaltbar. Währen die Spannungen Vdd und Vee ja noch über Elkos einige Zeit gehalten werden kann ist das Input Signal sofort weg. Ich kann keinen CPLD (mit dem ich das machen möchte) über einen Elko noch so lange am laufen halten, damit beim abschalten diese Reihenfolge eingehalten wird. Also wie bewertet ihr diese Grafik auf Seite 12? Totaler Quatsch... soll ich schalten und walten wie es den Spannungen und Signalen gerade so passt? Absolute Priorität... soll ich mich peinlichst dran halten? Oder soll ich einfach versuchen zuerst Vee abzuschalten und danach erst Vdd und das das Input Signal sofort wegfällt ist egal?
Totaler Quatsch ist es sicherlich nicht, sonst würde es der Hersteller nicht angeben. Es ist so, dass ohne Takt der LCD Controller das letze Signal eventuell weiterhin am LCD anliegen lässt, und so dass LCD zerstört wird. Das passiert nicht sofort, aber nach einigen Stunden. Wenn der Elko also innerhalb weniger Sekunden nach dem Ausschalten entladen ist, ist nichts schlimmes zu befürchten. Das schlimmste was passieren kann ist, dass direkt nach dem Ausschalten wieder eingeschaltet wird und so Vee vor der Betriebsspannung anliegt und so der LCD Controller durch einen Latch-Up beschädigt wird. Diese Ausschaltreihenfolge wird von nahezu allen ignoriert. Ich habe vor kurzem einen TFT Monitor repariert, und hatte das Backlight mit einem eigenen Netzteil versorgt. Nach dem Abschalten konnte man sehen, wie für einige 10s eine Gleichspannung am TFT anlag. Im normalbetrieb sieht man diesen Effekt nicht, da das Backligzt aus ist...
Ok ich bin gerade dabei mir eine Schaltung einfallen zu lassen, welche durch Kondensatoren die Vdd und Vee Spannung etwas hält und dann zuerst Vee und dann Vdd abschaltet. Eingeschaltet wird das ganze über die Logik, welche dann auf die Reihenfolge acht nehmen kann.
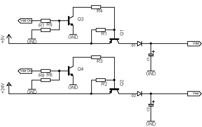
So ich habe erstmal diese Schaltung hier fertig gemacht (nur theoertisch). Ich hoffe es sind keine groben Denkfehler drinne. Q1 und Q2 müssen unbedingt sperren solange der µC Vdd On und Vee On nicht ansteuert. Erst wenn Vdd On und Vee On auf High gehen dürfen die Transistoren Q1 und Q2 durchschalten. Wenn nun die 5V zusammen brechen schaltet sich auch der µC ab, wodurch Vdd On und Vee On nicht mehr angesteuert werden. dadurch schaltet Q1 und Q2 ab (solange noch Spannung vorhanden ist). Nun entläd sich C1 und C2. Da C2 wesendlich kleiner ist als C1 ist Vee schneller zusammengebrochen als Vdd. Die Elkos brauchen eh nicht sehr hoch zu sein, da Idd laut Datenblatt maximal 6mA hoch ist und Iee maximal 9mA (was ich allerdings als extrem und erstaulich wenig empfinde...) Könnte so eine gute Schaltung zur Lösung dieses Problemes aussehen oder sind da fundamentale Denkfehler enthalten? Über Hinweise und Tips freue ich mich natürlich :)
Ich hatte soeben noch ein paar Test mit dieser Schaltung durchgeführt, wobei ich anstatt des LCDs einfach jeweils ein Lastwiderstand rangehangen habe um die 6mA und 9mA zu simulieren, doch so richtig begeistert war ich von den Entladungskurven nicht die ich da auf dem Oszi gesehen habe. Zwar ist sinkt die 5V Spannung wesendlich langsamer auf 0V (ca. 2s) ab als die 24V (ca. 500ms) Spannung, aber ob das langsame absinken der Spannungen gut für das Display ist, ist halt auch so eine Frage....
Wie wäre es denn hiermit? +24V kann nur an sein, wenn +5V mindestens >4,1V ist. Effektiv geht der Transistor ab Ube >0,6V in die Sättigung, das ist also ab 4,7V der Fall. Den PNP für +5V habe ich durch einen FET ersetzt und die Dioden weggelassen, da hier bei der oben geposteten Schaltung im Besten Fall 4,0V Am Ausgang liegen würden. Bei 5V Datensignalen wäre das nicht zu empfehlen. Durch das Enable-Signal kann der CPLD die Versorgung des Displays zuschalten. Es ist natürlich dafür zu sorgen, dass der Transistor T1 im Grundzustand immer sperrt. Über +24V PDWN kann man, falls gewünscht die +24V jederzeit abschalten.
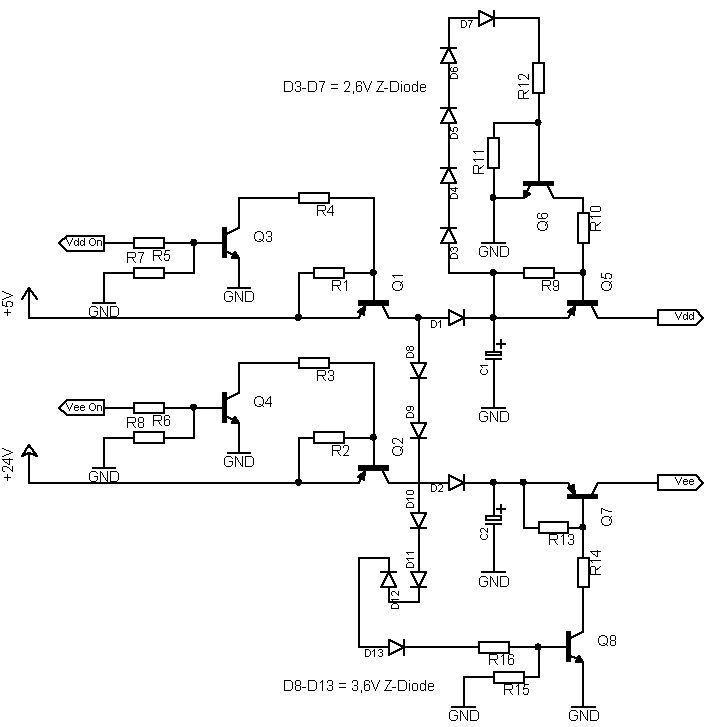
Hi Blubb, die Idee mit der Z-Diode ist wirklich gut. Darauf bin ich jetzt gar nicht gekommen. Ich muß jetzt erstmal auf Arbeit, werde das ganze aber mal heute Abend testen. Dummerweise habe ich weder einen FET noch eie passende Z-Diode hier. Aber die Z-Diode ersetze ich einfach durch eine Reihenschaltung von normalen Dioden in Durchlassrichtung. Und belasse den FET weiterhi in der Schaltung. Als Diode hinter dem FET hatte ich eine BAT43 zum Testen genommen, die "klaut" ja nur 0,3V. Das LCD kommt bis 4,5V mit und die Pegel vom CPLD sind nur 3V Pegel. Also sehe ich da erstmal zum Testen keine Gefahr. Die 5V Spannung bricht vor dem 5V Transistor sehr schnell zusammen, da an der 5V Spannungsversorgung noch etliche andere Bauteile dran hängen. Daher werde ich den Abgriff zum Schalten des 24V Transistors noch vor dem Transistor machen. Also dann bis heute Abend und dann bin ich mal gespannt, ob alles zu klappt wie gedacht :)
"Und belasse den FET weiterhin in der chaltung. Als Diode hinter dem FET hatte ich eine BAT43zum testen genommen, die "klaut" ja nur 0,3V." In beiden Fällen ist das Wort FET mit PNP zu tauschen ;)
Die Diode würde ich weglassen, weil ich nicht glaube, dass man sie braucht.
Hi, so nun habe ich meine Experimente so gut wie abgeschlossen. Ich habe meine alte Schaltung genommen und die Z-Dioden Idee von Blubb darin realisiert. Sobald die Vdd (5V) auf 4V zusammengebrochen ist (am C von Q1) wird Vee (24V) von der Spannungsversorgung und dem Elko abgetrennt (Q7 sperrt). Sobald Vdd (5V) auf 3,8V zusammengebrochen ist (an C1) wird Vdd (5V) vom Elko abgetrennt. (Q5 sperrt) Das hat den Sinn, daß sich Vdd nicht ewig lange auf 0V entläd. Ich hänge in den kommenden Post noch zwei Fotos von den Messungen an wo dieser Prozess anschaulich wird.
So sehen die Spannungen aus, wenn die 5V sofort nach dem Abtrennen der Spannung zusammen brechen (starke Belastung der 5V Schiene). Am Kollektor von Q1 bricht die Spannung sofort zusammen, wodurch auch sofort Q7 sperrt und Vee (24V - blau) abschaltet. Zu diesem Zeitpunkt beträgt Vdd (rot) ca. 4V 9ms später ist die Vdd (rot) Spannung am Elko C1 auf 3,8V zusammen gebrochen und Q5 sperrt, wodurch Vdd (rot) auf 0V absinkt. Grün ist die Basisansteuerung an Q3 und Q4. Da diese Spannung von den 5V abgeleitet wird, bricht diese auch sofort zusammen.
So sehen die Spannugen aus, wenn die 5V Schiene und die 24V Schiene nach der Abschaltung nicht stark belastet werden und andere kapazitäten im Netzteil die Spannungen noch etwas halten. Sobald die Spannung am Kollektor Q1 (rot) nur noch 4V beträgt wird Vee (blau) abgeschaltet. 35ms später ist die Vdd (rot) Spannung am C1 auf 3,8V gesunken und Vdd schaltet ebenfalls ab. Die Transistoren Q3 und Q4 bleiben noch etwas eingeschaltet bis sich die Basisspannung (grün) entgültig entladen hat.
Blubb: D1 finde ich auch doof, aber leider wird die benötigt, da sich C1 sonnst auch die Basisansteuerung von Q7 speist, was die 24V Schiene länger am Leben lassen würde. Aber ich probiere mal aus die Diode durch einen Transistor zu ersetzen :)
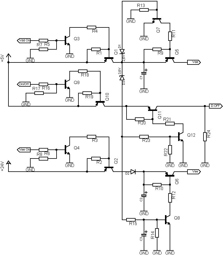
So jetzt habe ich es so hinbekommen wie ich möchte. Ich habe auch noch einen dritten Pfad eingebaut wo D.OFF (ab)geschaltet wird. Hier nochmal der komplette Plan. Die Diode im 5V Pfad habe ich doch weg gelessen, funktioniert tatsächlich genauso :)
Und hier nochmal der zeitliche Ablauf der abschaltungen sobald man das Netzgerät ausschaltet.
So und wie es sich für ein gutes Projekt gehört hier noch ein kleiner Zwischenbericht: Das Display geht. Ich habe heute alles angeschlossen und für den ersten Test schnell einen AVR programmiert, welcher die nötigsten Steuersignale erzeugt und es funktioniert alles wunderbar. Da der µC nicht genügend RAM hat um sich die Pixel aus dem Ram zu holen habe ich es einfach so gemacht, daß die 4Bit regelmäßig um eins erhöht werden. Das ergibt doch schonmal ein nettes Muster :) Die Helligkeit ist nicht ganz optimal, da der CCFL Inverter den ich schnell zusammengelötet habe nicht voll belastet werden kann. Aber für die ersten test reicht es trotzdem. Jetzt werde ich die Grundlegende Ansteuerung mit hilfe eines CPLDs machen und ein RAM ranhängen und das ganze kommt dann noch auf eine schöne geätzte Platine und und und... Aber die erste und größte Hürde (das Teil erstmal zum laufen zu bekommen) ist damit genommen :)
Bitte melde dich an um einen Beitrag zu schreiben. Anmeldung ist kostenlos und dauert nur eine Minute.
Bestehender Account
Schon ein Account bei Google/GoogleMail? Keine Anmeldung erforderlich!
Mit Google-Account einloggen
Mit Google-Account einloggen
Noch kein Account? Hier anmelden.







