Hi, Ich habe eine Ausbildung als Energie - elektroniker Anlagentechnik gemacht und will jetzt privat Mit MC's anfangen, was ich bis jetzt so auf der Seite erfahren habe sollen die AVR's recht gut sein. Jetzt meine Frage, was benötige ich alles dafür? Bücher, Programmiergerät(nach moglichkeit eines zum selber bauen, da ich gerade nicht gut bei kasse bin), AVR welchen (am besten einen ganz einfachen), Software, ect. Ich komme aus Ulm, wenn jemand auch aus der nähe kömmen würde und mal lust hätte mir ein bisschen was zu erklären, zeigen usw wäre es super. Danke schon mal im Vorraus, T-J
Hallo T-J habe auch vor kurzem wieder mit mikrocontrollern nach 10 Jähriger Pause angefangen. Nimm zuerstmal einen kleinen 90s4433 oder so. Programmiergerät bruchst du nicht, nur einen PC mit par. Schnittstelle. Software gibts auch als Freeware. Habe mich für Linux entschieden. Berichte mal wieder wenn du einen Mikocontroller an laufen hast. Gru Wolfgang
Hi, mir gings vor einiger Zeit ähnlich. Habe also nach vielen Jahren wieder mal mit Basteln angefangen. Habe angefangen mit - AVRPlatine von http://www.mikrocontroller.com/ - erste Schritte dazu aus dem Tutorial http://www.mikrocontroller.net/tutorial.htm - Programmierung nun mit BASCOM in der Demoversion (finde ich nicht schlecht...) - hab auch einige Literatur gekauft - zu empfehlen ist abe auch die Seite http://www.rowalt.de mit Platine und auch gutem Einsteigerkurs - ansonsten bietet diese WEBsite http://www.mikrocontroller.net mit den Links etc. fast alles was das Herz begehrt. mfg Kalle
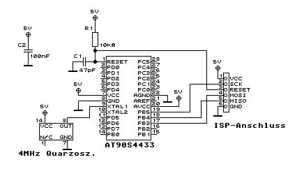
Ich habe jetzt eine solche schaltung(http://www.mikrocontroller.net/tutorial.htm) gelötet, kann ich mit der jetzt nur grogrammieren, oder kann ich auch mit ihr z.b. wie in schritt 2 beschreiben die LED's zusätzlich schalten, wenn nein, wie sieht dann eine schaltung aus bei der ich einfach den AVR (AT90S4433) in einen sockel stecke und dann die LED's mit den Tastern leuchten lassen kann.
Die schaltung, die ich gelötet habe befindet sich im anhang meiner vorigen mail. Mfg T-J
Hallo, sieh mal nach unter www.ar-online.de, eigentlich dort gut beschrieben, Betreiber der HP bastelt auch selber fertige Platine und dokumentiert diese dann... Gruss Tom
Bitte melde dich an um einen Beitrag zu schreiben. Anmeldung ist kostenlos und dauert nur eine Minute.
Bestehender Account
Schon ein Account bei Google/GoogleMail? Keine Anmeldung erforderlich!
Mit Google-Account einloggen
Mit Google-Account einloggen
Noch kein Account? Hier anmelden.
