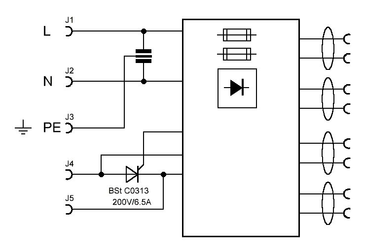
Ein etwas älteres Schaltnetzteil (19-Zoll Einschub) läuft nicht, wenn ich am Eingang 230V anschließe. Ich vermute mal, dass das mit dem Thyristor zu tun hat, der galvanisch mit dem 230V-Netz verbunden ist. Von dem Thyristor ist die Anode und Kathode nach außen geführt, das Gate nicht. Wegen der kompakten Bauweise kann ich das so nicht aufdröseln, wie das geht und was ich machen muss, damit es geht. Der Thyristor hat übrigens die im Schaltplan angegebenen Kenndaten (200V, 6.2A). Hat jemand eine Idee? PS: beide Bilder sind gleich, eins kann daher weg.
Was misst Du denn über dem Thyristor für eine Spannung? Möglicherweise dient er zur Überbrückung eines (externen) Anlaufstrombegrenzenden Widerstandes (könnte zum Testen, vielleicht ein 60W Glühobst sein). Wenn der Widerstand fehlt, läuft das NT nicht an, daher wird der Thyristor nicht gezündet. Genaueres kann man aber nur sagen, wenn man die Eingangsschaltung (wenigstens teilweise) gesehen hat, daher würde ich erstmal von o.g. Versuchen abraten. mfG
Messwerte: A = Anode Thyristeor K = Kathode L = Phase N = Null A - K = 0V L - A = 124V L - K = 124V N - A = 105V N - K = 105V L - N = 229V > Was misst Du denn über dem Thyristor für eine Spannung? 0V > Möglicherweise > dient er zur Überbrückung eines (externen) Anlaufstrombegrenzenden > Widerstandes (könnte zum Testen, vielleicht ein 60W Glühobst sein). Deswegen schrieb ich die Werte des Thyristors dabei. Zum einen ist der zur Kühlung auf das Gehäuseblech geschraubt und zum anderen wird der wohl bei 230V dicke Backen machen, weil der eben nur für 200V ausgelegt ist. Aber ich bin mir ziemlich sicher, dass der angeschlossen werden muss. Für den Anschluss hinten (VG-Leiste) habe ich irgendwo ein Anschlusskabel. Das dumme ist nur, ich finde es nicht wieder. Aber damit läuft das Netzteil, wenn man eben den Stecker in die Steckdose stöpselt. Auch im Netz habe ich KEINE Info darüber gefunden. Es ist übrigens ein Siemens Schaltnetzteil VB 106N Daten: 140VA (sek.) Ausgänge: U1 = 5V/8A U2 = 5V/1A U3 = 15V/2A U4 = 15V/2A > Wenn > der Widerstand fehlt, läuft das NT nicht an, daher wird der Thyristor > nicht gezündet. Genaueres kann man aber nur sagen, wenn man die > Eingangsschaltung (wenigstens teilweise) gesehen hat, daher würde ich > erstmal von o.g. Versuchen abraten. Und wegen der Bauweise (3 Leiterkarten übereinander mit ca. 1,5 cm Abstand) wird das sehr schwer werden, aber auch die Verkabelung ist sehr kompakt da drin. Das NT wiegt bei 10 x 11 x 17 cm Größe ca. 2,2 kg.
Bitte melde dich an um einen Beitrag zu schreiben. Anmeldung ist kostenlos und dauert nur eine Minute.
Bestehender Account
Schon ein Account bei Google/GoogleMail? Keine Anmeldung erforderlich!
Mit Google-Account einloggen
Mit Google-Account einloggen
Noch kein Account? Hier anmelden.

