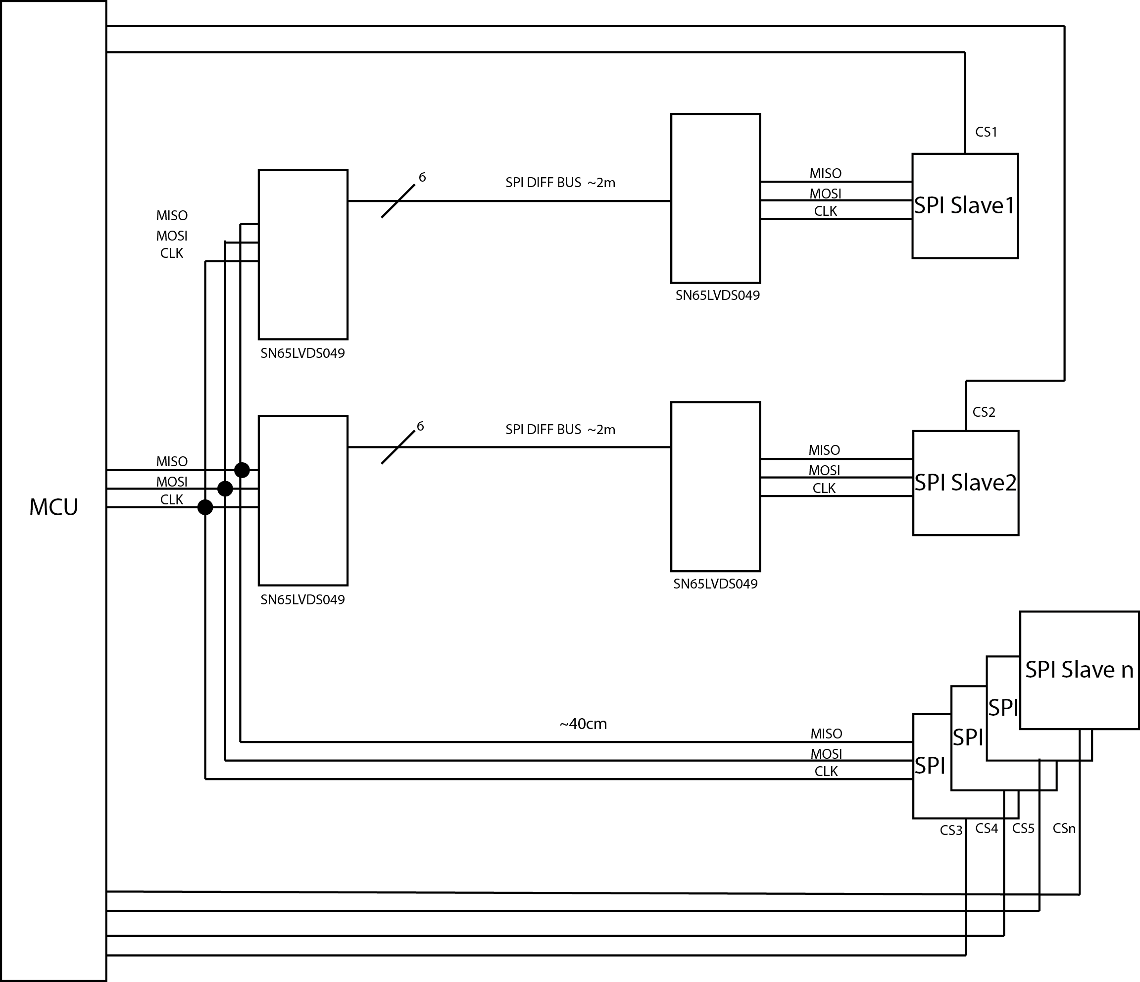
Hallo liebes Forum! Ich bin gerade dabei für eine Applikation ein passendes SPI-Bus design zu finden und würde dazu gerne eure Meinung hören. Vorweg ein paar Daten: Anzahl der SPI Slaves 9 Stk. SPI CLK: 8MHz Wie man der Zeichnung entnehmen kann werden zwei Slaves über ein jeweils 2m Kabel verbunden. Um die fehlerfreie Übertragung zu gewährleisten würde ich für diese Verbindung gerne ein differentielles Signal verwenden der SN65LVDS049 http://www.ti.com/lit/ds/symlink/sn65lvds049.pdf von TI könnte dazu verwendet werden. Zur Sicherheit würde ich auch die Slaves mit ~40cm Abstand mit dem diff Signal verbinden. Offene Fragen: kann es zu timing Problemen kommen wenn ich die CS Leitung nicht differentiell übertrage? Der SN65LVDS049 ist eigentlich für Point-to-Point Verbindungen gedacht, weiß jemand ob man den auch in der Multidrop (BUS) Konfiguration betreiben werden kann? Wo muss der Widerstand für die Terminierung des Diff Bus plaziert werden? Normalerweise bei dem Empfänger der am weitesten von der Quelle entfernt ist. Ich habe aber zwei Empfänger die gleich weit entfernt sind. Ist die differentielle Übertragung bei den Slaves mit max 40cm Abstand und 8MHz überhaupt erforderlich? Ich bin für alle Änderungsvorschläge offen Danke!
Multi-Point LVDS war mit SCSI mal ziemlich verbreitet. Entsprechende Treiber (nicht nur für SCSI) kannst Du Dir hier aussuchen: http://www.ti.com/lsds/ti_de/interface/multipoint-lvds-mlvds-blvds-lvdm-products.page
Das was du hier aufgemalt hast geht so nicht. Siehe Abschnitt 9.2.2 in Bild 15 deines verlinkten Datenblatts, wie Multidrop auszusehen hat. Beherzige insbesondere das "Minimize Stub Lengths" im Bild.
Genau das habe ich schon befürchtet weil es sich in diesem Fall nicht um einen klassischen Bus handelt sondern eher um eine Stern Topologie. Eine andere Möglichkeit wäre für jeden der beiden Slaves die weiter entfernt sind einen eigenen Driver/Receiver zu verwenden (sieh Bild) und die Slaves die näher an der MCU sind direkt mit SPI zu verbinden. Bleibt jedoch noch immer die Frage ob 8MHz SPI über max. 40cm zuverlässig übertragen kann. PCB hat vier lagen und SPI wird direkt über der GND plane geführt. Ausgänge sind jeweils mit Widerständen in Serie um die Anstiegszeit zu verringern. Eingänge haben einen ferrite-bead
Bitte melde dich an um einen Beitrag zu schreiben. Anmeldung ist kostenlos und dauert nur eine Minute.
Bestehender Account
Schon ein Account bei Google/GoogleMail? Keine Anmeldung erforderlich!
Mit Google-Account einloggen
Mit Google-Account einloggen
Noch kein Account? Hier anmelden.


