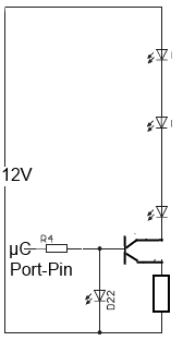
Hallo Zusammen, Ich Schalte meine LEDs mit Folgender µC Schaltung (Digitaler_Encoder_mit_LED.png). Dabei kann ich je nachdem welches Datenwort ich an die Port - Pinne meines µC anlege unterschiedliche LEDs zum leuchten bringen. Jetzt würde ich die Schaltung gern so erweitern das ich drei LEDs zusätzlich zu der vorhanden LED ansteuern kann. Da kam mir die Idee mit einer Pegelwandlung mittels Transistor (Pegelwandlung.png) aber ich habe bei meiner µC Schaltung ja gar keine gemeinsame Masse :-(. Jetzt stehe ich auf dem Schlauch, hat jemand eine Idee wie ich an dieser µC Schaltung (Programm ist Fertig und läuft) mehr LEDs angesteuert bekomme. Danke für die Hilfe Gruß Detlev
Wenn die drei Leds zusätzlich nur zu einer vorhandenen Led leuchten sollten, dann ersetzt du die vorhandene durch einen Optokoppler und steuerst damit die anderen Led an.
Ahhhh Die Lösung ist simpel und Klappt :-) Vielen Vielen Dank Gruß Detlev
Bitte melde dich an um einen Beitrag zu schreiben. Anmeldung ist kostenlos und dauert nur eine Minute.
Bestehender Account
Schon ein Account bei Google/GoogleMail? Keine Anmeldung erforderlich!
Mit Google-Account einloggen
Mit Google-Account einloggen
Noch kein Account? Hier anmelden.
