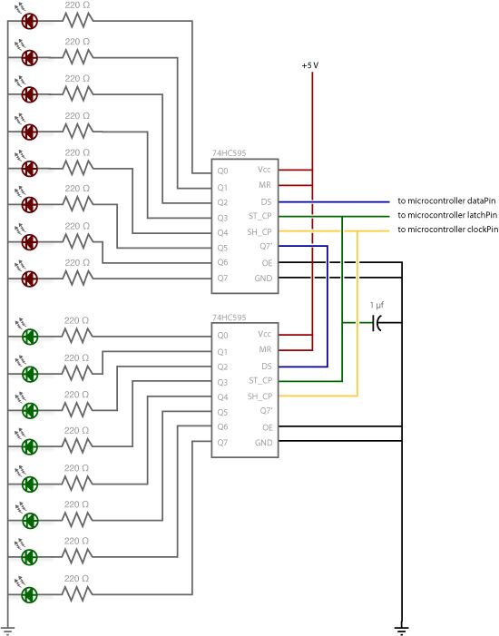
Hallo, ich habe vom Arduino Tutorial die Schaltung mit zwei 595 aufgebaut. Sporadisch kommt es vor, dass andere Leds mit aufblitzen. Nun habe ich gelesen, dass der Elko am latchpin eher kontraproduktiv sein könnte. Tatsächlich finde ich ihn in wenigen Schaltbildern. Soll man den weglassen? Zwischen VCC und GND ist noch ein 100nF bei mir. Anhang zeigt meinen Aufbau gemäß Tutorial
Ich würde den Kondensator weglassen. Die Probleme kommen oft über eine unzureichende Masseanbindung (zum Controller). Die nächste gute Möglichkeit ist natürlich, dass in deinem Programm noch Fehler sind. Hällst du du die Setup-Zeiten des Latches ein? Wenn du es mit einem Oszi nachmessen könntest, würdest du den Fehler sehen. Ansonsten mal das Progamm im single-Step-modus durchlaufen lassen.
Ok. Dann lasse ich den bei meinem finalen Aufbau weg. Ich habe nochmal die Masse anders angeschlossen und auch die 5Volt und momentan scheint es zu funktionieren
Warum sollte am Latch-Eingang der HC595 ein Elko gebraucht werden?? Das Latch wird vom Controller gesteuert und fertig. Hier sind einigermaßen schnelle Flanken sogar notwendig, wenn man die Schieberegister schnell taktet. Ansonsten kommt es durch das verzögerte Zu- und Abschalten der Latch-Leitung zu mit Sicherheit unerwünschten Effekten. Viel wichtiger ist die Kombination 100 nF + 1 µF Kerko nahe an den Vcc-Pins der HC595 und das an jedem Chip. Viele Grüße! Sven
Bitte melde dich an um einen Beitrag zu schreiben. Anmeldung ist kostenlos und dauert nur eine Minute.
Bestehender Account
Schon ein Account bei Google/GoogleMail? Keine Anmeldung erforderlich!
Mit Google-Account einloggen
Mit Google-Account einloggen
Noch kein Account? Hier anmelden.
