Hallo, ich möchte an meine Modellbau-Fernsteuereung den Knüppel, sammt 4,7K Poti, durch einen Digitalen Widerstand, oder etwas ähnlichem, ersätzen. So könnte ich mit 256 verschiedenen Wiederstandswerten einen 16 Kanal-Schalter realisieren. Mein Problem ist der Wiederstand. Digitale Potis gibts nicht in der Grösse, oder ich habe keine gefunden. Nun, die folgende Idee stammt aus dem tiiiefsten Bastelkeller: Könnte ich eine LDR mit eine LED, welcher von einer PWM Ausgang des AVR gesteuert wird anläuchten, so hätte ich doch eine Hälfte des Potis schon? Fraglich wäre ob die Auflösung ausreicht. Was haltet Ihr von dieser Idee, bzw wie könnte ich den kompletten Spannungsteiler realisieren? Ich wäre für jede Idee sehr dankbar Zoltan
Hallo Zoltan, leider drückst du dich eben nicht gerade verständlich aus oder mir fehlt die Kentniss über deine Vorhaben. Eine LED LDR kombination ist sehr nützlich wenn langsame Ansprechzeit OK ist (oder sogar gewünscht wird) - ich glaube das kannst du für einen Steuerknüppel vergessen - reagiert auch alles anderes als linear. Digitale Potis sollten auch mit 4,7 KOhm zu bekommen sein (notfalls kann man sicher einen 10Kohm umbauen)- Mit einem DA-Wandler (vieleicht sogar via PWM) und einem VCA (voltager controlled amplifier = spannungsgesteuertem Vertärker) kannst du sehr einfach, gute 'Spannungsteiler' oder Abschwächer für Wechselspannung aufbauen (wenn G<1). Für Gleichspannung gibt das alles ohnehinn keinen Sinn. Gruß Bernhard
Hallo Zoltan, wenn Du 4 Widerstände, 1K 2K 4K 8K (nach diesem System auch andere Werte) , an einer Seite verbindest, so kannst Du die 4 anderen Seiten mit TTL Signalen oder Schaltern ansteuern. Die Anordnung stellt einen einfachen D/A Wandler mit 4 Bit Auflösung dar. Ich weß allerdings auch nicht so genau was Du eigentlich erreichen willst. MfG Manfred Glahe
Hallo Bernhard, Analog Devices oder Maxim stellt digitale Potis her: http://www.analog.com/UploadedFiles/Datasheets/217954593AD5200_1_b.pdf (0,90$) http://pdfserv.maxim-ic.com/arpdf/MAX5160-MAX5161.pdf Aber die kleinste erhältliche Grösse ist 10K, aber warscheinlich würde der auch funktionieren. Danke Für Deine Hilfe, ich werds erstmals mit dem PWM-Ausgang versuchen..
Was ich damit erreichen Will: Der Wert des 4,7K Potis bestimmt die Pulslänge des Empfängers(siehe Anhang). Wenn ich den Poti digital steuern kann, dann muss ich nicht den Knüppel bewegen, sondern ein MC erzeugt verschidenen Poti-Werte, welche durch legen von Schaltern gesteuert werden kann. So erhalte ich 16 Schaltkanäle aus nur einer Proportionalkanal. Nach dem Empfänger folgt ebenfalls ein MC, welcher die Pulslänge misst, und entsprächend einen der 16 Ausgangänge schaltet. http://home.t-online.de/home/Markus_B/home.htm Ich hoffe das war verständlicher, und danke für den Tipp, Manfred
Die Idee an sich ist nicht schlecht, aber... Mit 256 verschiedenen Zuständen kriege ich nur 8 Ausgänge zusammen (0...255 ist eine 8-Bit Zahl). Um 16 Ausgänge unabhängig voneinander ansteuern zu können, braucht man 65536 verschiedene Zustände. Ich fürchte, daß die Übertragung des Senders bzw. die dekodierung des Empfängers nicht in der Lage sein wird, die 256 Zustände sauber zu trennen. Aber hier geht sicherlich probieren über studieren. Wenns funktioniert, poste auf jeden Fall mal eine Erfolgsmeldung. Gruß
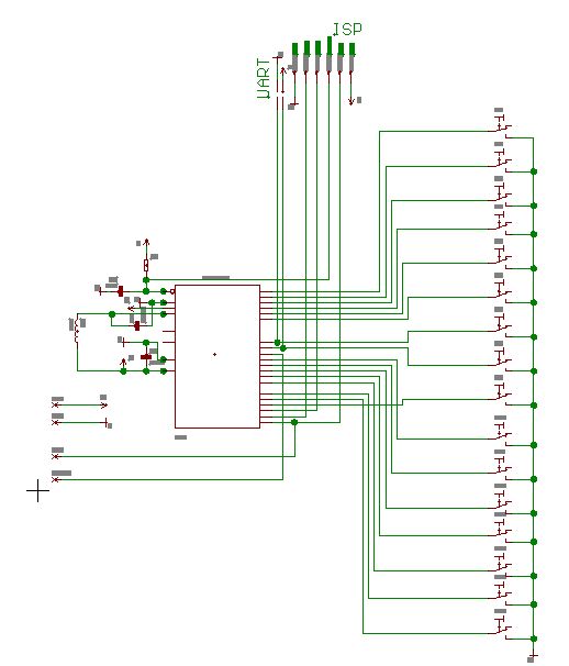
Hy thkaiser, ja das mit 256 war nichts. Ich habe jetzt an meinem NAUTIK-Baustein, ein feriger 16K-Schalter von Graupner(100EUR=abzocke) mit dem Oszi etwas herumgemessen. Die senden 8x hintereinander Pulse mit entweder 0, 2 oder 4V und am Schluss noch zwei mal zum Synchronisieren 5V. Das sind dann 10 Pulse. Diese Analoge Pulse kommen im Empfänger als unterschiedlich breite Pulse an. Diese Pulse werden dann von einem Baustzein auf die 16 Kanäle aufgeteilt. Das ist aber in wirklichkeit kein echter 16 Kanal Schalter, sondern 8xUM. Ich habe vor jetzt anstelle von 256, oder sonstwas, nur 4 unterschiedliche Signale per Puls zu senden(0,1,2,3V). Dann komme ich mit acht Pulken hintereinander auf 65536 (4^8) möglichen Zustände: meine 16 Kanäle. Wenn die Schealtung ferig ist, dann veröffentliche ich es auf meiner Homepage:http://ngrad.bei.t-online.de/ Im Anhang der erste Entwurf Gruss Zoltan
Ist ja ein tolles Projekt. Hat man da noch Zeit für eine Freundin ?. Spaß bei Seite was hälst Du von BCD kodierten Schalter an dem Du deine Widerstände anschließt. Siehe Reichelt (Dip codier Drehschalter) oder ähnlich. So etwas gibt es bestimmt noch stabiler.
Was mir noch so Auffiel: Hast Du an das Kondenswasser gedacht, das auf Deine Platinen tropft, wenn das U-Boot im Wasser liegt ?. Ich würde Wasserfeste Gehäuse und/oder gelackte PCB's empfehlen. Regenerierbares Trockenmittel könnte man auch noch benutzen.
Bitte melde dich an um einen Beitrag zu schreiben. Anmeldung ist kostenlos und dauert nur eine Minute.
Bestehender Account
Schon ein Account bei Google/GoogleMail? Keine Anmeldung erforderlich!
Mit Google-Account einloggen
Mit Google-Account einloggen
Noch kein Account? Hier anmelden.

