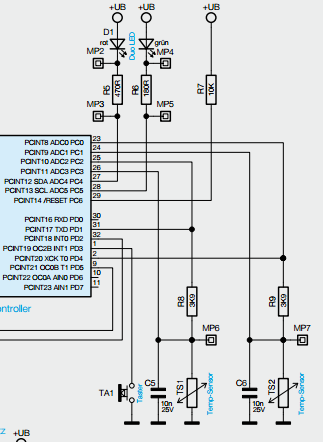
Hallo, ich habe hier ein Schaltungsdetail von einem Funk-Temperaturdifferenz-Sensor HM-WDS30-OT2-SM aus dem ELVjuornal 02/2013 Der Controller nehm ich an ein Atmel mega48 oder 88 o.ä., da die pinbelegung identisch ist. Aber es geht eigentlich um die Beschaltung mit den beiden Sensoren. Warum oder welchen Zweck ist die Verbindung von PD1 mit PC2 ? PC3 ist dann der Messeingang ? Hoffenlich könnt ihr mir weiter helfen.
Das wird ne Stromsparschaltung sein. Zum Messen wird PD1 auf high gelegt und diese Spannung an PC2 gemessen, um sie mit der Referenz zu vergleichen (Man weiss dann, wieviel Volt der Spannungteiler abbekommt). An PC3 taucht dann der Messwert auf.
Bitte melde dich an um einen Beitrag zu schreiben. Anmeldung ist kostenlos und dauert nur eine Minute.
Bestehender Account
Schon ein Account bei Google/GoogleMail? Keine Anmeldung erforderlich!
Mit Google-Account einloggen
Mit Google-Account einloggen
Noch kein Account? Hier anmelden.
