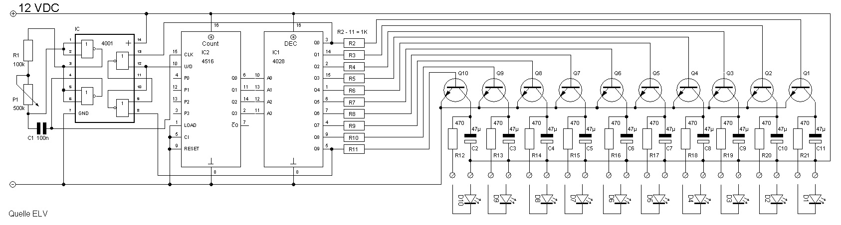
Guten Abend, ich bin grade dabei ein Lauflich für unseren Bollerwagen zur Vatertagstour zu machen. Das Problem ist das der Binärer Aufwärts/Abwärts-Zähler am Ausgang Q0 enteder dauerhaft eine 0 oder eine 1 anliegend hat. Ergebis ist das nur jeder zweite LED leuchtet. Also entweder 1,3,5 usw oder 2,4,6usw. Auf und abwärts zählen funktioniert soweit. Hab schon das besagte IC ausgetauscht (3mal) immermit dem selben Ergebnis. Bin mit meinem Latein am Ende. Vielleicht hat jemand ne Idee woran es liegen könnte. Schaltplan ist als Anhang dabei. Vielen Dank schonmal im voraus...
Könnte sein, dass dein Taktgeber kein "symmetrisches" Taktsignal liefert. Ich meine damit, dass er 2 Flanken extrem kurz nacheinander liefert, dann "lange" nichts, dann wieder 2 Flanken. Schließ mal die Rückkopplung des NOR zwischen Widerstand und Poti anstatt "unter" dem Poti an.
Auserdem - was sollen die vielen 47µ an den Ausgangsstufen? Die erzeugen ja in Verbindung mit den fehlenden Abblock-Cs einen richtig tollen Überstromimpuls auf den + und -Leitung, mit entsprechenden Spikes ...
Den Kondensator an besagte Stelle bringen hat geholfen :) vielen Dank dafür. Einziges Manko ist das der Takt sehr schnell ist. Kann ich das noch ändern? @jensig Die 47µ sind zum "nachglimmen" da. Genau wie beim echten Knight Rider blenden die LEDs langsam in Form eines Schweifes aus. Was meinst du mit abblock CS?
Hab den Widerstand von 100k auf ca 300k geändert und siehe da, alles wie es sein soll. Vielen Dank für eure Hilfe :) lg
Bitte melde dich an um einen Beitrag zu schreiben. Anmeldung ist kostenlos und dauert nur eine Minute.
Bestehender Account
Schon ein Account bei Google/GoogleMail? Keine Anmeldung erforderlich!
Mit Google-Account einloggen
Mit Google-Account einloggen
Noch kein Account? Hier anmelden.

