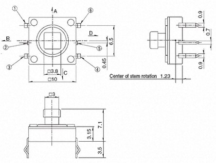
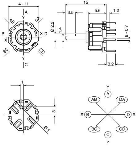
Hallo Leute, wieder mal eine Suche nach einem Joystickknopf. Ich hatte mir gedacht dass ich für mein Projekt statt 4 Richtungstasten und einen Eingabeknopf auch so einen Mini-Joystick nehmen könnte. z.B.: Alps 8-Achsen Joystick (ALPS-Nr. RKJXM1015001) http://de.rs-online.com/web/p/joystick-steuerschalter/0516306/ oder den Alps 2-Achsen Joystick (ALPS-Nr. SKQUAAA010) http://de.rs-online.com/web/p/joystick-steuerschalter/0516031/ Jedoch finde ich überhaupt keinen Knopf der auf eine 2,2 mm Achse passt bzw. auf eine 3,8 x 3,8mm Achse. Die Teile sind doch von ALPS, wieso gibt's denn da nicht auch passende Knöpfe? Soll ich mir die etwa selber bauen? 3D-Drucker??? Wäre schön wenn von euch jemand mir helfen könnte. Danke. MfG
Bitte melde dich an um einen Beitrag zu schreiben. Anmeldung ist kostenlos und dauert nur eine Minute.
Bestehender Account
Schon ein Account bei Google/GoogleMail? Keine Anmeldung erforderlich!
Mit Google-Account einloggen
Mit Google-Account einloggen
Noch kein Account? Hier anmelden.



