Schönen guten Tag, ich bin etwas beim lesen über dieses Dokument gestolpert(https://www.ti.com/seclit/sl/slyc140/slyc140.pdf) indem wird auf der Seite 5 ein Kondensator zwischen der Spannungsdifferenz und dem ADC Geschalten wird. Soweit ich verstanden habe, soll der Widerstand nur die ESR vom Kondensator veranschaulichen. Jetzt bin ich ins überlegen gekommen Übertragungsfunktion von diesem Beispiel sein könnte. Diese Übertragungsfunktion wird ja soweit Normiert auf das Verhältnis von der Ausgangsspannung auf die Eingangsspannung. Da habe ich derzeit auch mein Problem, da die Ausgangsspannung und die Eingangsspannung genau am gleichen Punkt verbunden sind. Rein Elektrisch sieht es für mich nach einer Reihenschaltung von einen Ohmschen und Kapazitiven Widerstand aus. Wobei letzterer mit der Frequenz kleiner wird. Nur Mathematisch steh ich gerade auf dem Schlauch. Kann mich da jemand runter schubsen und mir kurz Helfen. Danke
Eine reale Quelle hat einen Innenwiderstand der meistens mit der Frequenz steigt. Zusätzlich gibt es die Impedanz der Leitung bestehend aus Ohmschem Widerstand und induktivmr Widerstand.
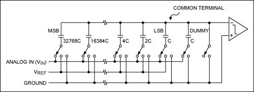
Hallo, Die Beantwortung der Frage, "wie sieht die interne Schaltung im ADC an Vref aus?" wird weiterhelfen. Vermutlich werden Kondensatoren dazu geschalten. Der ESR des C1 behindert das Laden dieser Kondensatoren. Figure 3 https://www.maximintegrated.com/en/app-notes/index.mvp/id/1080 Gruss Limi
Ach so einfach wäre es gewesen. Vielen Dank für die Beiden Antworten.
Bitte melde dich an um einen Beitrag zu schreiben. Anmeldung ist kostenlos und dauert nur eine Minute.
Bestehender Account
Schon ein Account bei Google/GoogleMail? Keine Anmeldung erforderlich!
Mit Google-Account einloggen
Mit Google-Account einloggen
Noch kein Account? Hier anmelden.


