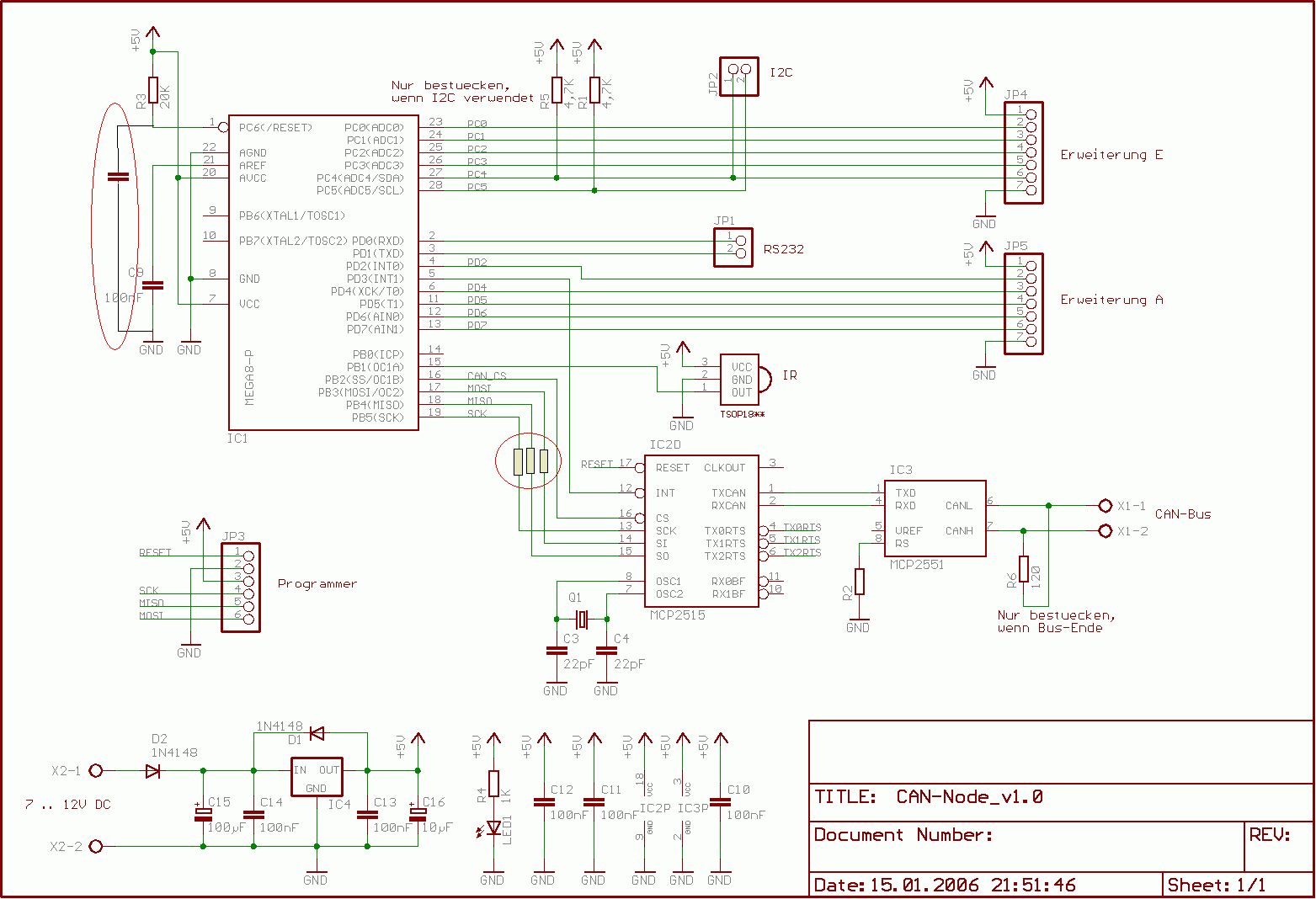
Hallo Experten, ich möchte einen einfachen CAN-Bus-Knoten realisieren und habe dazu folgende Schaltung entworfen. Könnt ihr mal drüberschauen, ob das so in Ordnung ist? Danke Joline
*) Gleichrichter *) 100uF auf 5V Seite *) Diode von Ic3-3 (A) auf Ic3-1 (K) *) Kühlkörper für Ic3, grobe Schätzung: Ican = 5V/(120//120)Ohm=84mA + Kleinkram ~100mA; P=(30-5)V*100mA = 2,5W *) 100nF an Ic4-18 *) 100nF an Ic5-3 *) Gnd bei JP2 und JP6 hinzufügen um Verkabelung zu "verschönern" *) ev. ext. PullUps für die i2c Pins; die uP-internen sind vermutlich zu hochohmig für die Specs. *) ev. Abschlußwiderstand für Can vorsehen, nur bei Bedarf einlöten oder mit Jumper *) ev. wäre es sinnvoll Reset Ic4 und Ic1 verbinden *) Ic1-Aref liefert doch ~2,5V von der internen Referenz??? -> Datenblatt befragen *) Ic5-Vref könnte Belegung benötigen -> Datenblatt Grüße leo9
Du willst den mega mit dem Clock vom MCP2515 versorgen? Funktioniert prinzipiell. Du bekommst aber eine Watchdog-Lücke: sollte der Clock vom MCP2515 aus irgendeinem Grund abgeschaltet werden (falscher Befehl oder Störung oder ...), dann nützt selbst der Watchdog des mega nichts mehr. Einzige Möglichkeit ist dann ein Power-Reset. Den Kühlkörper finde ich nicht nötig. Ich habe fast dieselbe Schaltung in meinem Hausbus (24V Versorgung, VCC=3,0V, Regler 2950 von National, AVR-Clock interner RC mit 4Mhz). Damit habe ich ein paar mA, der Regler wird ohne Kühlkörper nicht wirklich warm Der verwendete Regler hat aber auch einen sehr geringen Eigenstromverbrauch - darauf achten! Gruß, Stefan
Übrigens, wenn du den Takt vom MCP nehmen willst, musst du den voreingestellten Divisor verwenden (is glaub ich 8), denn der Divisor wird ja vom AVR per Software gesetzt - aber sobald der den ändert, ändert sich ja auch sein Takt und das dürfte dem gar nicht so gut gefallen...
@Ithamar: im Datenblatt des mega steht zwar etwas anderes drin, aber bei mir gab es keine Probleme beim Takt ändern. Viele Grüße, Stefan
Ob 100µF am Ausgang gut sind.. könnte dann Schwingen. Vref einfach auf 100n mit GND legen. Vorteil: kannste per Software auf 2,56V / Vcc oder extern schalten. ISP-PINS am m8 mit Widerständen (2k2 oder sowas) zum Rest der Schaltung abblocken, sonst haste Probleme beim Flashen. RESET vom m8 mit Kondi sichern.
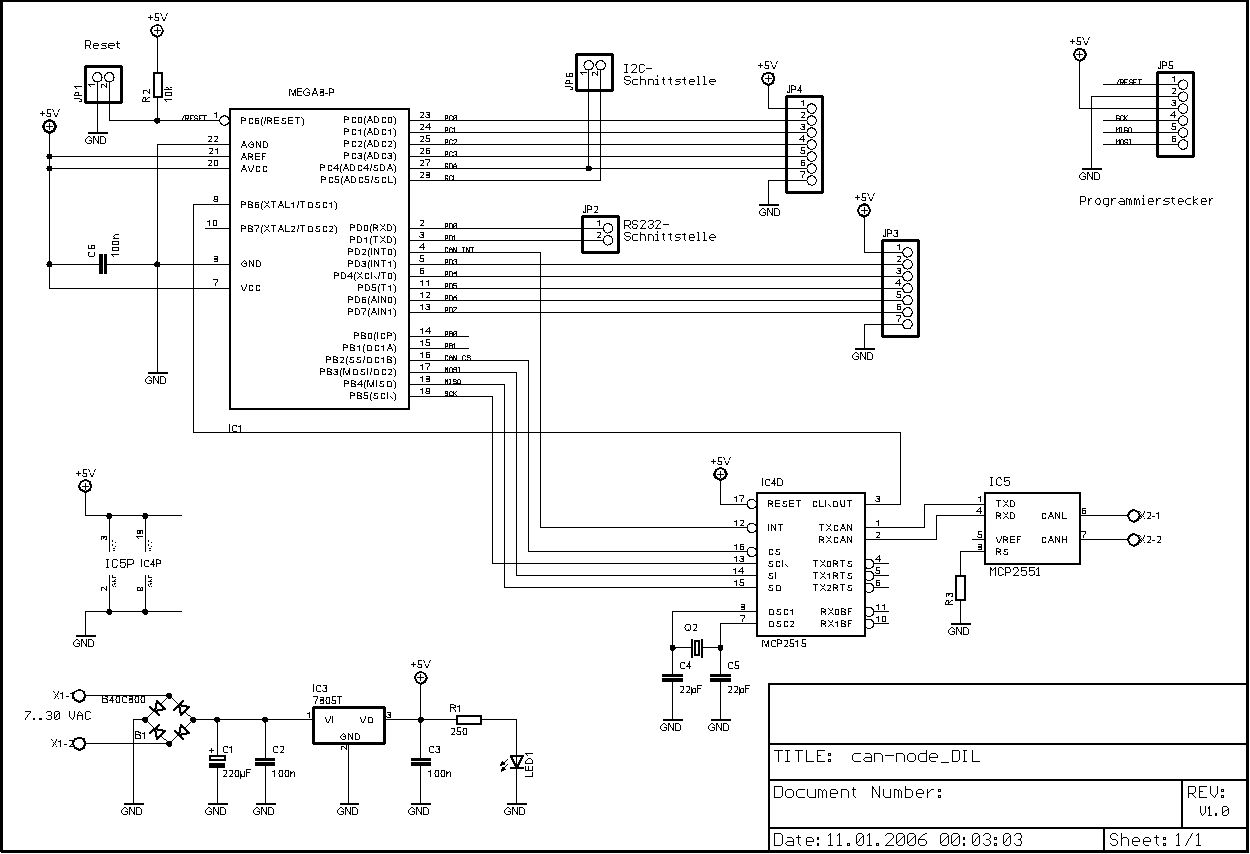
Hallo, ich habe versucht, alle Vorschläge einzuarbeiten. Habe ich noch was vergessen? @Dave: 1. Wie sollen die ISP-PINS abgeblockt werden? In Reihe? 2. RESET vom m8 mit Kondi sichern. -> Gegen GND? 3. Vref einfach auf 100n mit GND legen. -> Habe ich noch vergessen.
Vielleicht hab ich mich schlecht ausgedrückt ;) Jo, in Reihe. Wenn man den MCP2551 mit RESET zum schlafen bewegen könnte, dann würde auch nen RESET bei ihm funktionieren, nur dann haste wiederum keinen Takt ;) Wieviel der Kondi am RESET und die Widerstände so haben sollten, keine Ahnung. Bei den ISP-Widerständen vielleicht 1k-2k2 oder so, solltest dann natürlich nen halbwegsvernünftigen Programmer haben (mit HCT245 oder nen AN910 o.ä.) Siehe Anhang.
Oi, was mir da noch auffält: Der RESET vom ISP geht anscheinend NICHT zum RESET vom m8?
@Dave vielen Dank erst mal. Es sind beide RESET miteinander und am ISP verbunden. Am m8 fehlt nur die Leitungsbeschriftung. Jetzt muss ich erstmal sehen, wie und ob ich die zusätzlichen Teile auf der Platine unterkriege. :o( Den Takt habe ich nun geändert auf intern. Ich denke, für die Bearbeitung des Programms genügen 4 MHz und die serielle Schnittstelle brauche ich nur für Debug-Zwecke, also reichen hier auch 9600 Baud. Joline
Bitte melde dich an um einen Beitrag zu schreiben. Anmeldung ist kostenlos und dauert nur eine Minute.
Bestehender Account
Schon ein Account bei Google/GoogleMail? Keine Anmeldung erforderlich!
Mit Google-Account einloggen
Mit Google-Account einloggen
Noch kein Account? Hier anmelden.


