Hallo, nachdem ich im Forum leider keine passende Antwort für meine Frage gefunden hab, stell ich sie mal und hoffe, da mir jemand von euch helfen kann. Ich muß zugeben, daß das mein ersten richtiges Projekt mit einem Mikrocontroller und mit Bascom ist. Ich versuche mit einer lernbaren Fernbedienung 4 verschiedene Signale im RC5 Code bei einem Tastendruck zu senden und wenn sie empfangen werden, je nach Code einen der 4 Ausgänge zu schalten (an denen hängt später ein Funksender). Der Empfang der Daten und die Auswertung funktioniert so wie ich es mir vorstelle, leider komme ich mit dem Senden der Daten nicht klar. Am Oszi sehe ich zwar, daß über die IR Diode (die lernbare Fernbedienung akzeptiert das Signal auch beim Einlernen) Daten sendet, allerdings wenn das aufgezeichnete Signal wieder gesendet wird, erkennt es der Controller nicht. Die Sendediode ist wie in der Bascom Beschreibung angeschlossen. Kann es sein, daß ich das Signal invertieren muß? Vielen Dank, Christian
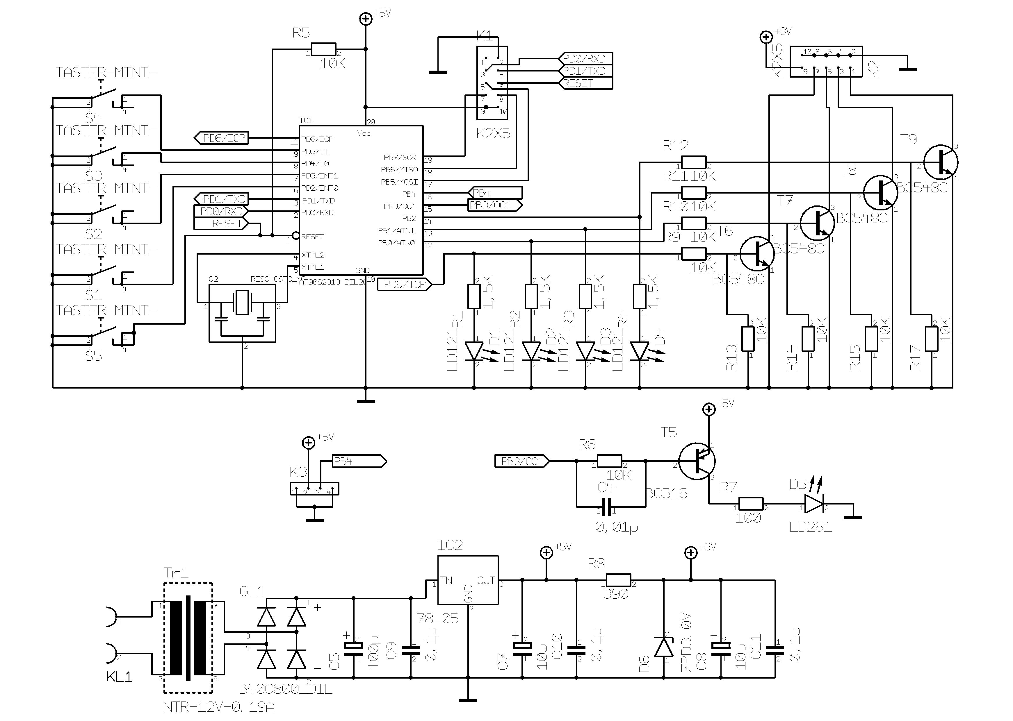
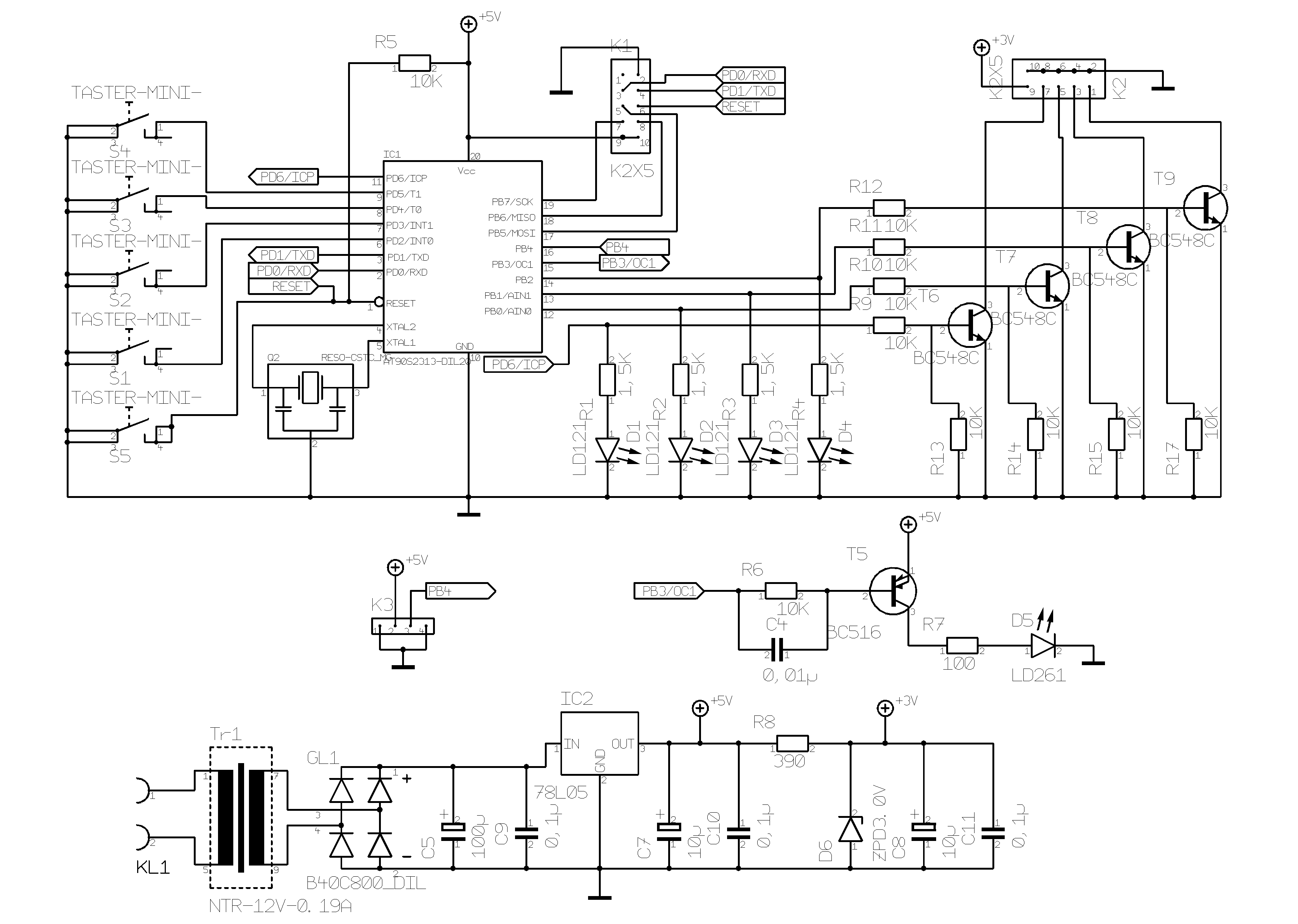
Hier noch der Schaltplan, zum besseren Verständniss. An K3 hängt der IR Empfänger.
Hallo, danke, aber das war nicht ganz das was mir gefehlt hat. Wie gesagt, der Empfang und die Auswertung von einer normalen Philips Fernbedienung funktionieren, allerdings wird beim Tasterdruck nicht das selbe Signal an eine lernbare Fernbedienung gesendet. Hab heute mal versucht das Signal an der IR Diode zu invertieren, leider auch ohne Erfolg. Hat keiner eine Idee oder einen Verbesserungsvorschlag? Danke, Christian
Hallo, mir ist gestern noch etwas eigenrtiges aufgefallen. Ich hab das Programm unverändert gelassen und nochmals in die Philips Pronto die Signale eingelernt, als ich die mit der Fernbedienung meine Schaltung steuern wollte, tat sich wieder nichts, allerdings kennt meine Philips HIFI Anlage die Signale ohne Probleme und macht genau das was sie soll. Die HIFI-Fernbedienung akzeptiert meine Schaltung aber problemlos. Hat jemand eine Idee? Könnte es am Timing liegen (verwende in der Schaltung einen 4MHz RC Schwinger)? Vielen Dank, Christian
Bitte melde dich an um einen Beitrag zu schreiben. Anmeldung ist kostenlos und dauert nur eine Minute.
Bestehender Account
Schon ein Account bei Google/GoogleMail? Keine Anmeldung erforderlich!
Mit Google-Account einloggen
Mit Google-Account einloggen
Noch kein Account? Hier anmelden.
