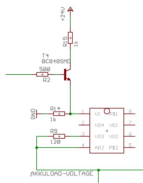
Hallöchen, (Schematic siehe Anhang) der LM317 fungiert als Konstantstromquelle zum laden eines 9V Akkus. ich möchte nun über einen Transistor (basis 5V) 12V auf den Input des LM schalten. Dazu der 1:1 Spannungsteiler der mir meine 24 halbiert. Mein problem ist nun das ich in der Schaltung nur einen extrem geringen Basisstrom habe (0.03mA) und somit noch fast 15V am VBE abfallen weil der Transistor kaum schaltet. das wundert mich allerdings, der BE Strom müsste doch über R2+R14 nach Ground fliessen oder ? Kann mir jemand eine bessere Schaltungsvariante für diesen zweck vorschlagen ? Danke im vorraus.
Arf... ich glaub ich seh schon selber. Ich schätze mal das mein Emitter Potential 12V ist das Problem wenn der Transistor "versucht" durch zu schalten ?
Bitte melde dich an um einen Beitrag zu schreiben. Anmeldung ist kostenlos und dauert nur eine Minute.
Bestehender Account
Schon ein Account bei Google/GoogleMail? Keine Anmeldung erforderlich!
Mit Google-Account einloggen
Mit Google-Account einloggen
Noch kein Account? Hier anmelden.
