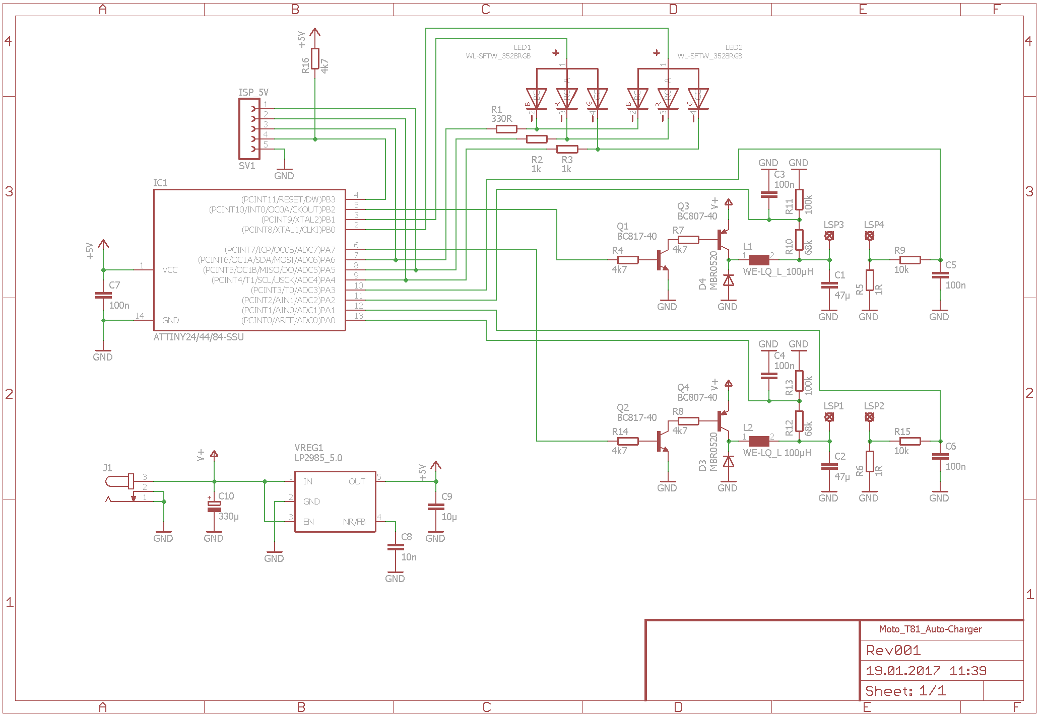
Hallo liebe Leser, vor einiger Zeit habe ich mir einen Satz PMR-Funken T81 Extreme von Motorola zugelegt. Mit den Teilen bin ich für meine Anbwendungen voll zufrieden. Die mitgelieferten Ladegeräte mit je 2 Ladeschalen sind allerdings etwas old-school und besitzen weder eine Abschaltung noch eine Anzeige dafür, wenn die Akkus voll geladen sind. Das war mir zu wenig und so habe ich mich daran gemacht, die originale "Ladeschaltung", die aus 2 60mA-Konstantstromquellen besteht, durch etwas mehr Intelligenz zu ersetzen. Herausgekommen ist eine Schaltung, die in das originale Ladegerät passt (nur kleine Modifikationen am Kunststoff-Innenleben nötig) und mit dem originalen Stecker-Schaltnetzteil verwendet werden kann. Die Features sind im Moment: - Einzelschachtüberwachung - Automatischer Ladestart beim Einsetzen des Funkgerätes in den Ladeschacht - Δ-U Abschaltautomatik mit Timer, Konstantstromladung - Kennzeichnung des jeweiligen Ladezustands mit 1 RGB-LED pro Ladeschacht (rot: Slot leer, blau: Laden, grün: Akku voll - Ladestrom 100mA statt 60mA original, schnelleres Aufladen bei besserer Ausnutzung des Steckernetzteils - Schaltreglerprinzip anstelle Linearkonstantstromquelle, besserer Wirkungsgrad - Echtzeitdebugging über MOSI-Pin (proprietäres Protokoll), default abgeschaltet Als Rechen- und Messknecht kommt ein Tiny44A zum Einsatz, der genügend Speicherreserven für künftige Erweiterungen bietet. Ein Tiny24A oder -84A kann ebenfalls verwendet werden. Die Weichware ist in ASM und momentan noch recht rudimentär (weil ich das Zeug gerade dringend brauche). Weitere Fotos und Doku folgen.
Hier die Weichware - Fehler sind nicht beabsichtigt aber zu erwarten, da noch fleißig getestet wird.
So, hier mal oben links die alte Platine und die geätzte neue. Die Netzteilbuchse habe ich von der alten Platine recycled, da sie von guter Qualität ist und alles gleich wieder zusammenpasst. Wichtig ist hierbei, dass die Pins der Buchse oben sowie unten verlötet werden, damit die Masse-Planes verbunden werden und die (+)Leitung angeschlossen wird.
Hier noch die Batterieanschlüsse, auch beidseitig zu verlöten, um den Kontakt zu den Anschlüssen herzustellen. Dann noch ein paar Bilder von dem Lader in Aktion.
Neue Firmware: Init angepasst, einige Register waren noch nicht initialisiert, somit kam es bei einem Wechsel der Akkus in einem Schacht zu einem vorzeitigen Ladeende, wenn das Gerät schon eingeschaltet war.
So, hier noch ein paar Bilder von den Umbauarbeiten am Gehäuse. Die ersten Bilder bescheiben die Kunststoffteile, die im Gehäuse entfernt (abgeknipst) werden müssen, um den notwendigen Platz zu schaffen. Dies sind die zwei nutzlosen Pfosten an der Unterschale, sowie 2 Abstandhalter, 1x an der Unterschale für die ISP-Buchse und einmal an der Oberschale, auch für die Buchse. Die folgenden Bilder zeigen den Einbau von Lichtleitern, die das Licht der SMD-LEDs in die Gehäusefront transportieren. Der Schrumpfschlauch puffert den etwas zu kleinen Durchmesser der Lichtleiter auf, da die Originalbohrung gut 3.2mm im Durchmesser ist. Wer hat, kann natürlich auch gerne schwarzen Schrumpfschlauch nehmen ;-)
Nö, Q3 oder Q4 werden nicht warm, nicht bei 100mA. Die Spulen werden etwas warm, 10K über Umgebung. Schaltfrequenz ist 31,250kHz.
Die Software wurde aktualisiert. Ich habe einen Bug gefunden und noch 2 Schönheitsfehler beseitigt.
Hallo, ich habe mal den Staub von der Firmware gewischt und noch eine Anpassung vorgenommen. Die Akkus lassen mit zunehmendem Alter die Ladekurve etwas abflachen, deshalb wurden sie zu früh abgeschaltet. Das ist jetzt geändert.
Bitte melde dich an um einen Beitrag zu schreiben. Anmeldung ist kostenlos und dauert nur eine Minute.
Bestehender Account
Schon ein Account bei Google/GoogleMail? Keine Anmeldung erforderlich!
Mit Google-Account einloggen
Mit Google-Account einloggen
Noch kein Account? Hier anmelden.






















