Hallo, ich möchte einen Single Supply OP als invertierenden Verstärker betreiben (Ub=5V). Wie verhält sich die Ausgangsspannung bei dieser Schaltung? Das Eingangssignal das ich verstärken will ist immer pos. Laut der Verstärkungsformel müßte meine Ua negativ werden??? Der invertierende OP invertiert das Signal heißt es immer. Bedeutet das, das der Ausgang bei pos. Eingangssignal immer neg. wird? Gruß Andre
Ja, die wird bei positivem Signal am invertierenden Eingang soweit negativ wie es die Ub zulässt. Deshalb legst Du nicht den nichtinv. Eingang auf Gnd sondern auf Ub-x, wobei x etwas mehr als der Abstand der maximalen Ausgangsspannung zur Betriebsspannung ist. Nimm von mir aus 4 V oder sowas. Diese Referenzspannunf erzeugst Du am einfachsten mit einem Spannungsteiler aus zwei Widerständen und einem kondensator der den Spaß gegen Gnd puffert. 100nF sind prima. 100 k dürfte eine gangbare Dimension der Widerstände sein (kostet ja Leistung...) 3N
"Einen Single-Supply-OP kannst Du nicht invertierend betreiben!" Nee, is klar, deshalb läuft der neben mir auch nicht, nor? 3N
"Einen Single-Supply-OP kannst Du nicht invertierend betreiben!" ... und wieder ein Verständnisproblem mit Bezugspotentialen ...
Hallo, alles klar. Soweit ich das richtig verstanden habe gibt das Minuszeichen in der Formel nur an, in welche Richtung sich die Ausgangaspannung Ua Betragsmäßig ändert. Für mein eigntliches Problem hilft mir das doch leider nicht. Eigentlich möchte ich einem Sensorsignal einen Offset verpassen, damit ich auch bei kleinem Signal von Masse wegkomme. Deshalb wollte ich mit einem Addierverstärker was draufpacken. An den AD-Wandler wollte ich an den minus Eingang dann diese draufaddierte Spannung legen damit ich diff. messen kann. Da diese Addierschaltung invertierend arbeitet geht die Ganze Sache nicht. Hat jemand ne Idee wie ich das machen kann? Gruß Andre
Vielleicht stehe diesbezüglich auf dem Schlauch, aber IMHO ist egal, ob du ein Signal Masse-Nähe misst oder es mit einem Offset beaufschlagst. Was dir etwas bei kleinen Signalen bringt, ist eine Verstärkung grösser als 1. Dann hast du aber vermutlich ein Problem mit grossen Werten, da sie aus deinem Meßbereich herausfallen...
Hab gerade mal etwas experimentiert :)
Also die Aussage, das man nen Single-OP nicht invertierend betreiben
kann ist falsch. Ich hab hier gerade mal folgendes gebastelt:
Addierer:
pos. OP Eingang: Ref1 = 2,5V (Spannungsteiler)
neg. OP Eingang: 1x Ref2 = > 2,5V (Spannungsteiler)zB 3V
1x Signal x
Alle Widerstände für den Addierer (!!) zB 100k
der Offset ergibt sich so zu Ref2-Ref1 = 0,5V. Die musst du dann
natürlich nicht von 0V aus, sondern von den 5V Versorgung abziehen.
Wenn das Signal x also 0V hat, dann macht der Ausgang 4,5V, wenn x =
1V, dann hat der Ausgang 3,5V etc. Geht also, und wenn du das auf nen
µC gibst muss man das Register nur einmal invertieren und man hat alles
wie gewohnt. Sonst nochmal auf nen Subtrahierer und Ausgang von 5V
abziehen
Leg die Vref mal an die nichtinv Eingänge an und probier dann nochmal. Reichen Dir 2,5 V Dynamikumfang? Oder Du nimmst einen rail 2 rail oder einen CMOS der bis GND runtergeht und baust einen ganz einfachen Impedanzwandler nichtinvertierend. Sehe ich kein Problem... 3N
Sorry, das Posting sollte eigentlich gar nicht rausgehen, weil ich keine Zeit hatte, das detaillierter auszuführen (Blöde Reflexreaktion mit dem Submit-Button...). Stimmt so natürlich nicht. Was ich eigentlich sagen wollte, ist, dass die Spannung bei Single-Supply natürlich nicht negativ werden kann. Wenn Du Dir ein anderes Bezugspotenzial wählst... OK, aber das haben andere ja mittlerweile hinreichend erläutert. Also noch mal Sorry.
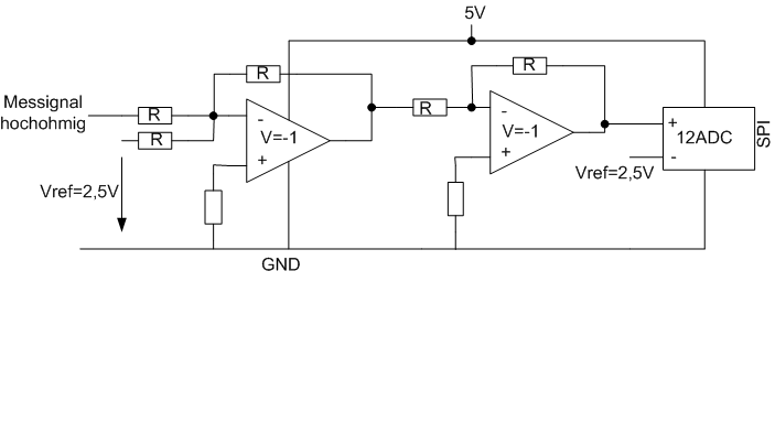
Also wenn du es mit nem Offset von 2,5V haben willst dann so (im Bezug auf deinen Anhang): Vref am neg. Input (-) des linken OP auf +5V, nicht auf +2,5V. Den pos. OP Input (+) auf +2,5V. Am rechten OP hat der pos. Input ein Widerstand zur Masse. Der bekommt ebenfalls den Wert R. Zusätzlich schaltest du vom pos. Input des Zweiten OP noch nen Widerstand mit dem Wert R auf +5V. Das wars. Eingangssignal darf dementsprechend aber nicht grösser als +2,5V werden. Das wäre dann die OP Schaltung. Wenn du etwas nachdenkst, wirst du aber merken das du dir den zweiten OP schenken kannst
Die +5V am ersten neg. Input natürlich über den Widerstand R anlegen..sonst gehts nicht ;)
Bitte melde dich an um einen Beitrag zu schreiben. Anmeldung ist kostenlos und dauert nur eine Minute.
Bestehender Account
Schon ein Account bei Google/GoogleMail? Keine Anmeldung erforderlich!
Mit Google-Account einloggen
Mit Google-Account einloggen
Noch kein Account? Hier anmelden.
