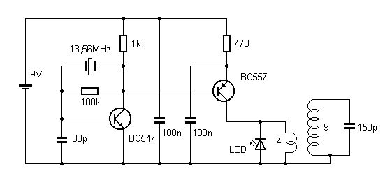
Hi, ich habe zuletzt einen Quarzoszillator mit einem Transistor gebaut (mit angehängter Schaltung). Bei einer vorherigen Schaltung des Franzis Lernpakets "Tesla-Energie" wurde ein Kondensator an den Kollektor mit 2LEDs dahinter (entgegengerichtet) gegen GND geschaltet, wobei durch Leuchten eine Wechselspannung nachgewiesen wird. Ohne den Quarzkristall parallel zum 100k R oszilliert die Schaltung scheinbar mit der maximalen Schaltgeschwindigkeit des Transistors... Ich erkläre es mir so: Wenn über die Basis ein Basisstrom fließt und die CE-Strecke leitend wird, wird GND zur Basis durchgeschaltet. Die CE-Strecke sperrt durch fehlenden positiven Basisstrom und die Basis erhält wieder ein positives Potenzial.. Ist das so richtig? Oder war da nicht was mit den unerwünschten Schwingungen durch parasitäre Kapazitäten, was mit der Basisschaltung vermieden wird? Ich bitte um Hilfe... Danke im Voraus Pascal
Transistor Oszillator (nicht Avalanche NPN Kippgenerator)mit nur einem Transistor (bipolar) und 2 Wi
Ursache der Oszillation ohne Quarz ist wohl eher der Schwingkreis aus L9W und 150pF der auf L im Emitterzweig einkoppelt (rechne mal die Frequenz mit Hern Thomsons Formel) und vergleiche sie mit einer Messung. mfg Weiss_Nix
Der Schwingquarz hat eine frequenzbestimmende Wirkung, aber die Schaltung selbst – der Rückgekoppelte Verstärker – muss schon instabil sein, d.h. zur Oszillation geneigt. https://de.wikipedia.org/wiki/Oszillatorschaltung#Schwingungsbedingung
Bitte melde dich an um einen Beitrag zu schreiben. Anmeldung ist kostenlos und dauert nur eine Minute.
Bestehender Account
Schon ein Account bei Google/GoogleMail? Keine Anmeldung erforderlich!
Mit Google-Account einloggen
Mit Google-Account einloggen
Noch kein Account? Hier anmelden.

