Folgende Idee: ich möchte einen Chemiezusatz (Reinigungsmittel) in eine Wasserleitung einbringen. Die Menge an Chemiezusatz sollte zw. 0,05-0,1 L/min liegen. Der Druck in der Leitung liegt bei ca. 4-8 bar. Je nach der Wassermenge die entnommen wird. Ich dachte daran eine Düse nach Venturi-Prinzip einzusetzen und die Chemie mit einer Kraftstoffpumpe einzubringen. Die Menge dann über PWM regeln. Momentan arbeitet das System rein nach dem Venturi-Prinzip wo jedoch die Reinigungsmittelmenge mit dem Druck in der Wasserleitung schwankt. Oder hat jemand noch eine andere Idee?
Sieh dir mal die Pumpen von Standheizungen an, die kannst du mit Impulsen ansteuern. Christian_RX7
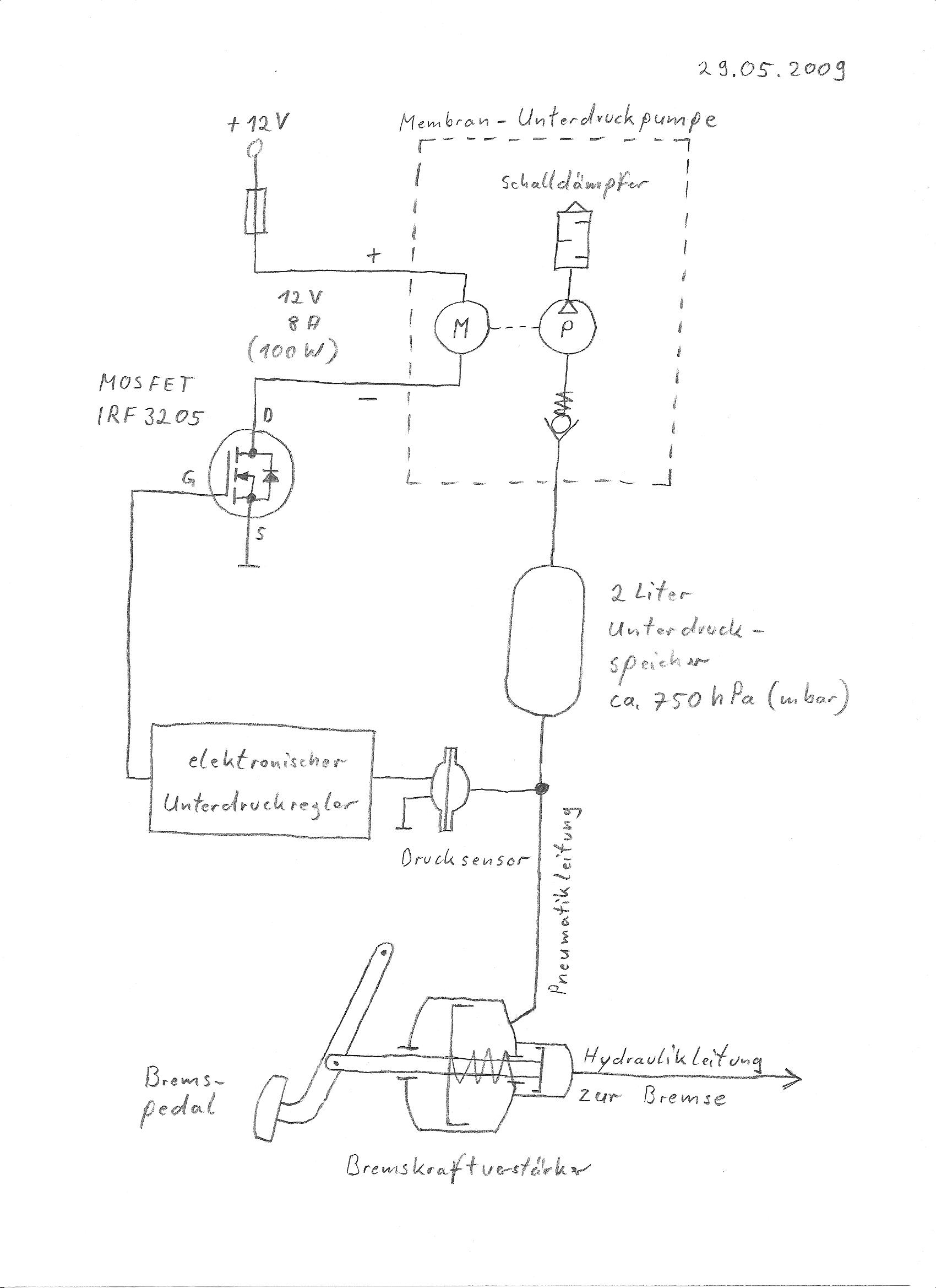
Hatte mal ein ähnliches Problem mit einem Bremskraftverstärker. Da ich keine Drosselklappe mehr hatte, die normalerweise Unterdruck für den Bremskraftverstärker erzeugt, musste ich eine 12V / 100 Watt elektrische Pumpe einbauen, die über eine PWM gesteuert wurde. Eventuell kannst du Teile vom Schaltplan übernehmen.
@Ralf: Welcher Schaltplandesigner macht denn so einen schönen Output? ;) Sauber gezeichnet, Respekt. :-)
Habe Früher mal als Maschinenbautechniker im Zeichenbüro gearbeitet. Erst zum Schluss haben die alles auf EDV umgestellt.
Bitte melde dich an um einen Beitrag zu schreiben. Anmeldung ist kostenlos und dauert nur eine Minute.
Bestehender Account
Schon ein Account bei Google/GoogleMail? Keine Anmeldung erforderlich!
Mit Google-Account einloggen
Mit Google-Account einloggen
Noch kein Account? Hier anmelden.


