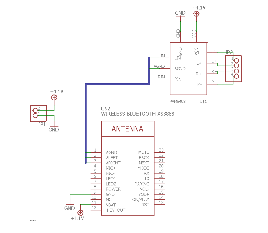
Hallo, ich habe das gleiche Problem wie anscheinend viele Nutzer von Modulen mit dem OVC3860. Dieses besteht einmal darin, dass generell Störgeräusche von dem Modul ausgehen, wenn man nicht einen Leiter hinter der Antenne hat oder einen weiteren Kondensator an der Antenne hinzufügt. Zweitens, ist es jedoch auch so, dass wie hier beschrieben: https://forum.allaboutcircuits.com/threads/portable-bluetooth-speaker-audio-amplifier-noise-problem-tips-needed.110662/ bei einem Anschluss von einem Verstärker, ADC etc. und nicht direkt einem Kopfhörer (wie bei dem ersten Bild), es sehr laute Geräusche gibt, die sich nach Daten anhören. Sorgt man jetzt aber für einen separaten Stromanschluss (wie in Bild 2), sind diese Geräusche weg. Meine Frage ist nun: Wie kann diese Störung zustande kommen? Wie lässt sie sich verhindern? Wenn sie mit einem gemeinsamen Stromanschluss nicht funktioniert: Wie kann man die Stromversorgung des Moduls trennen mit der gleichen Stromquelle? Trafo? Danke im Voraus
Vermute: AOM darf nicht mit GND verbunden sein, ist als Common-Ausgang für einen Kopfhörer gedacht. Dein PAM-Modul macht das aber implizit, wenn PAM-GND mit Bluetooth-GND verbunden ist.
Nachtrag: mit AOM meine ich Pin 16 vom Chip. Vermute dass dein Modul diesen in AGND umbenennt. Halte ich für stark sinnentstellend.
Wie wäre, denn jetzt die Lösung um die Verbindung zu unterbinden? Ich kann ja nicht einfach AOM weglassen. Würde wohl ein isolierter DC/DC Wandler helfen?
Ideal wäre ein Verstärker-Chip mit differentiellen Audio-Eingängen. Da Audio-In-Minus (links+rechts) parallel an AOM, die Audio-In-Plus-Eingänge an AOL/AOR. Solche Eingänge haben zwar viele der Class-D-Chips, aber die Chinaboards basteln da wohl ¿immer? einen Kurzschluss gegen GND dran. Ansonsten: Audio-Übertrager, DC/DC-Wandler, oder per Audio-OpAmp-Schaltung versuchen, die Differenz AO(L/R) - AOM in ein GND-bezogenes Signal umzumünzen. Operationsverstärker-Grundschaltungen -> #Der_Subtrahierer_(Differenzverstärker)
Bitte melde dich an um einen Beitrag zu schreiben. Anmeldung ist kostenlos und dauert nur eine Minute.
Bestehender Account
Schon ein Account bei Google/GoogleMail? Keine Anmeldung erforderlich!
Mit Google-Account einloggen
Mit Google-Account einloggen
Noch kein Account? Hier anmelden.


