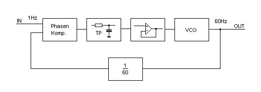
Hi, Ich möchte mit dem 4046 eien PLL mit eiern eingangsfrequenz von 0,3 bis 3Hz arbeiten, ist das mit dem ding möglich? Ich habe den Tiefpass der das Signal vom Phasenkomparator glättet auf diese niedrige Frequenz laut Datenblatt dimensioniert, doch da sich die Zustände am Komperatorausgang so langsam ändern kann das RC Glied das einfach nicht glätten (lediglich die Flanken werden angewinkelt, es sollte sich die Spannung hier ja langsam ändern) und daher springt der VCO immer zw. max. und min. frequenz umher, statt langsam nachzuregeln :( Kann man so etwas überhaupt bei einer so niedrigen Frequenz machen, oder gibt es irgend einen Trick wie man das besser angehen kann? Ich habe meine Schaltung jetzt so aufgebaut das bei einer Eingangsfrequenz von 1Hz genau 60Hz aus der VCO kommen (bei 3Hz sind es 180Hz), und ich teile diese Frequenz wiederum mit einem Zähler durch 60 und führe sie an den Eingang des Komparators.
Blöde Frage, wozu soll das gut sein ? Bei so kleinen Frequenzen, macht man sowas besser mit nem MC: Die Periodendauer messen und dann die PWM dem gewünschten Faktor entsprechend initialisieren. Peter
Das ganze ist für ein Schulprojekt und es soll ohne µC gelöst werden (würde ich sonnst auch mit nem avr machen ;), da unser Regelungstechnikprofessor mit dem Problem selber überfragt ist hab ich den Prof. nebenan gefragt, was man da machen kann, hat gemeint ich sollte den Ausgang des RC Glieds mit einem OPV puffern, da sich der Kondensator sicher über den VCO Eingangswiderstand ändert, nur hat das auch eine kleine Besserung gebracht .. ich werde morgen mal einen 1000µF reinpflanzen und schauen ob der vlt. die Spannung so lange genug halten kann.. bin weiterhin dankbar für jegliche Lösungsvorschläge :)
*edit: Der Kondensator entlädt sich natürlich über den Einganswidersatand (nicht ändert)
Vorschlag: Bringe die Schaltung für 300Hz bis 3kHz zum laufen. Möglichst hohe Widerstände benutzen, um später kleine Cs zu erhalten. Wenn alles soweit funktioniert, ersetzt Du alle Kondensatoren durch den 1000-fachen Wert. Du solltest Kondensatoren guter Qualität einsetzen, z.B. Polystyrol und auf einen "sauberen" Aufbau achten.
jaja, sowas hat nicth jeder :p @Christian: ok, werde ich Morgen ausprobieren, danke für den Vorschlag!
Bitte melde dich an um einen Beitrag zu schreiben. Anmeldung ist kostenlos und dauert nur eine Minute.
Bestehender Account
Schon ein Account bei Google/GoogleMail? Keine Anmeldung erforderlich!
Mit Google-Account einloggen
Mit Google-Account einloggen
Noch kein Account? Hier anmelden.
