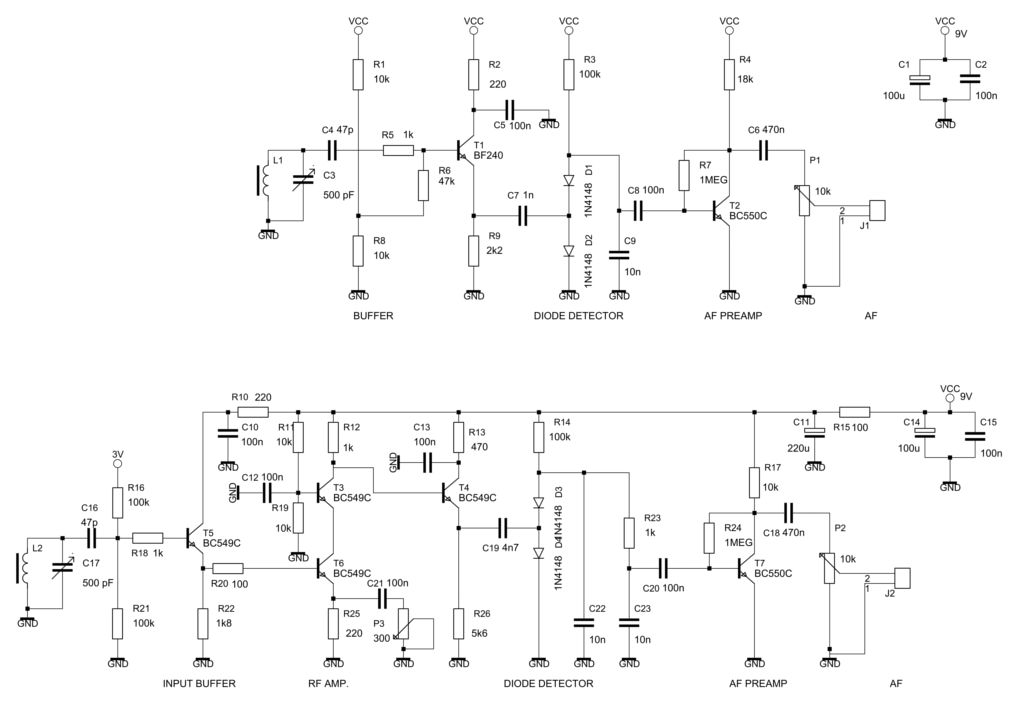
Hier auf http://theradioboard.com/rb/viewtopic.php?f=4&t=7770 habe ich einen Thread gestartet mit dem Namen "BJT square-law detectors versus biased full-wave diode detectors". Hier folgt meinen Beitrag in der Startpost dieses Threades auf Englischen: "I have done some experiments with BJT square-law detectors and a biased diode detector with an RF amplifier ahead of the diode detector stage. I used an emitter-coupled Q-multiplier for receiving weak signals, in the circuit diagrams below the Q-Multiplier has been omitted. I have noticed that a BJT square-law detector suffers from AF noise which is generated inside the BJT square-law detector stage itself. When the coupling capacitor from the tank circuit to the BJT detector stage has a small value, there is excessive AF noise at the AF output of the BJT detector and detector efficiency is lost. Using a large coupling capacitor from the tank circuit to the detector stage gives much less AF noise at the AF output of a BJT square-law detector, but then this stage is susceptible for picking up mains hum when a medium wave ferrite bar antenna is used as a tank circuit coil. The statement that a BJT square-law detector should be very sensitive, seems not to be true. What must be done to avoid excessive AF noise at the output of any BJT square-law detector? A biased full-wave diode detector with an RF amplifier ahead of it (see lowermost circuit diagram) gives almost no AF noise at the diode detector output, because generated AF noise isn't transferred from the RF amplifier stage to the diode detector stage at all due to the small coupling cap between the amplifier stage and the diode detector. And a diode detector with an RF amplifier ahead of it is very sensitive for receiving AM signals below oscillating threshold of a Q-Multiplier stage, also very important when using small antennas like a whip antenna on Shortwave and a ferrite loop stick on Medium Wave. To have a sensitive detection of AM signals with a diode detector two things are very important: Firstly, the diode detector has to be driven from a low-Z source for a good impedance matching between the RF amplifier stage and the diode detector stage , hence an emitter follower is inserted between the RF amplifier stage and the diode detector stage. Secondly the diodes of the diode detector has to be biased with a small bias current, especially when small-signal silicon diodes are used."
Hallo Mast Brummeinstreuung kann mit Hilfe eines Vorverstärkers und anschließender Induktivität nach GND oder Vcc entfernt werden. Die 50Hz werden kurzgeschlossen, während HF durchkommt. Beim angehängten Ausschnitt aus dem Datenblatt des 2N3904 kann man erkennen, dass das Rauschen bei einer Quellimpdanz zwischen 500 Ohm und 1k am kleinsten ist. Ähnliche Kleinsignaltransistoren verhalten sich sicherlich kaum anders. Beim typischen SLD (Square Law Detektor) ist die Basis unterhalb der Grenzfrequenz des Basiskondensators nicht richtig abgeschlossen, die Basis sieht nur den 1MOhm Widerstand zum Kollektor, welcher zusätzlich zum Rauschen beiträgt. IMO handelt es sich bei der ersten Schaltung nicht um einen SLD, sondern eine Art von Infinite Impedanz Detektor mit einem BJT Transistor. Dieser sollte ähnlich effektiv arbeiten wie die Dioden-Spannungsverdopplung. Die beiden anderen SLDs sind auch schon bezüglich Rauschen optimiert, keine Ahnung warum die trotzdem rauschen sollen. Ich benutze oft den BC549C, weil ich mal 100 Stück davon gekauft habe. Da ist immer mal wieder einer dabei, welcher vor sich hin blubbert. Mit dem Nächsten gehts dann wieder. Falls es trotzdem noch zu stark rauscht, sollte ein HF-Verstärker vor dem Detektor eine Verbesserung bringen. Damit habe ich jedenfalls gute Erfahrungen gemacht. Nach einer Verstärkung um Faktor 10 bringt ein Detektor bei schwachen Signalen ein um Faktor 100 höheres NF-Signal, deshalb heist er ja Square Law Detektor! Das Selbe gilt allerdings auch für den Diodendetektor. Gruß, Bernd
Bitte melde dich an um einen Beitrag zu schreiben. Anmeldung ist kostenlos und dauert nur eine Minute.
Bestehender Account
Schon ein Account bei Google/GoogleMail? Keine Anmeldung erforderlich!
Mit Google-Account einloggen
Mit Google-Account einloggen
Noch kein Account? Hier anmelden.


