Hallo, ich habe mir soweit eine Experimentierplatine aufgebaut. und möchte verschiedene Arbeits und Beschaltungsmöglichkeiten experimentel vergleichen. Ein Relais ist wie folgt geschaltet. vom Port in Reihe über R4,7k an Basis von einem BC637. Relaisspule an Collector, andere Seite der Spule an +12V, paralell eine Diode mit K an + Emiter auf GND. Jetzt möchte ich vergleichsweise die Schaltfunktion mit einem hier vorhandenem IRF540 aufbauen. Wie erfolgt die diskrete Ansteuerung? Also ohne z.B. ein ULN2803. Danke für eure Antworten. Alea
Das ist ein MOSFET oder? Ich würde schauen ob die 5V Pegel des µCs ausreichen ihn voll auszusteuern. Ansonsten kannst du ihn einfach ohne Vorwiderstand an den PORT hängen vielleicht noch einen 100k als Pulldown. Aufpassen musst du nur bei hohen Schaltfrequenzen da die Gatekapazitäten dann ansteigen und du eine Treiberstufe benötigst.
Ja ist ein MOSFET, welcher Wert im Datenblatt läßt erkennen , daß der MOSFET bei 5V durchschaltet? Als Treiberstufe habe ich bisher nur Anwendungen gefunden mit einem IC als 8-fach Baustein. Kann ich denn für den einen die gleiche Ansteuerschaltung wie mit dem Relais verwenden?
MOSFET-Treiber (ich denke mal Low-Side) gibt es doch wie Sand am Meer... Der IRF540 ist ja ein richtige Kraftprotz. Bei 5V am Gate ist er aber noch etwas müde. Lt. Datenblatt sind dann 10A-20A Strom möglich. Besser wäre sicher eine ordentliche Ansteuerung mit z.B. 10-12V. Ich habe hier einen ICL7667 "zweckentfremdet", damit kann man prima MOSFETs ansteuern. (In das Gate muß schnell richtig Strom rein und raus!). Such mal nach Logik-Level-Mosfets. Dann gibt es noch "intelligente" MOSFETs. Ich bin jetzt dabei, den BTS640 einzusetzen (ist jetzt bei Reichelt ausverkauft!, die haben wohl nur noch die BTS62x). Kurzschlußsicher, High-Side, Logic-Level-Eingang, verpolungssicher, etc. blabla.... Der Relais-Ersatz !
Ja, habe soweit verstanden und würde ja in einer richtigen Anwendung auch ein BTS640 oder ähnliches Teil einsetzen. Hier möchteich doch nur auf meinem Experimentierboard das Relais durch den MOSFET "ersetzen". Dazu habe ich hier den Transistor BC637 oder BC566 und den irf540 liegen.
die Gatekapazität steigt an? Würde sagen das die immer gleich ist nur das die Zeit nicht mehr ausreicht um das Gate umzuladen wenn die Frequenz die ans Gate gelangt höher wird.
@Alea Wenn Du nur das Relais erstzen willst, wirst du ja nicht mit hohen Frequenzen arbeiten. Dann kannst Du ruhig den IRF540 nehmen. Der läßt laut Datenblatt bei 4,5 Volt UGS 10 Ampere Drainstrom fließen. MfG Paul
Ein Relais hat aber auch Vorteile z.B. bewirkt eine kurzzeitige Überspannung im Arbeitsstromkreis nicht das es leitend dauerhaft leitend wird. Habe schon viele Geräte gesehen die PWM einsetzen aber immer ein Relais mit drin haben um den Verbraucher sicher ausschalten zu können.
Äh natürlich ist die Gatekapazität immer gleich. Ich habe mich da satzbautechnisch etwas verhaspelt und wollte damit nur ausdrücken, dass man bei hohen Schaltfrequenzen Probleme bekommt die Kapazität schnell umzuladen. Man kann sich so einen MOSFET-Treiber durch zwei komplementäre bipolare Transistoren ganz einfach aufbauen. einfach mal SUFU benutzen!
Ist es richtig, daß das Relais Masse schaltet zum Verbraucher? Was ist, wenn ich aber 12V zum Verbraucher schalten will, geht das auch mit einem N-Kanal-Mosfet?
Hallo, bitte kann mir jemand die Schaltung für den diskret aufgebauten Mosfet-Treiber zeigen oder darstellen. Ich finde mit der Sufu nichts. Bzw. nur Spezialsachen oder alle möglichen Varianten von ICs die alles können.Klar. Danke!
@thomas ja,aber ich will 12V per Mosfet leiten. und das geht wohl nicht per N-Kanal?
Aha, weg von der Low-Side, hin zur High-Side! Jetzt mußt Du eine Spannung haben, die ca. 12Volt über Deiner 12Volt liegt, um den N-Kanal-MOSFET in der High-Side anzusteuern. Dafür gibt es auch richtige Ansteuer-ICs. Gib mir Deine Adresse und ich schick Dir mal einen BTS621 zu, dann weißt Du, aus was Träume sind !
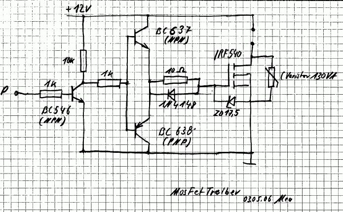
Hallo, könnt Ihr da mal nachsehen ob das so gehen kann? mit der Schutzdiode paralell zum 10Ohm Widerstand bin ich mir nicht Sicher ob der Widerstand mit einem so kleinen Wert richtig ist.
ist er.. den 1K vor den Komplementärtransistroren würde ich etwas kleiner machen
@Alea Sacari: Welche Frequenzen strebst du den an. Ich habe im Moment einen BUZ11 so beschaltet, allerdings fahre ich nur ca. 1 kHz erwärmen tut er sich dabei nicht. Wenn ich ich mit 5V am Gate betreibe wird er sehr schnell sehr heiss weil er nicht vollständig durchschaltet. Das sollte so mit nem IRF540 genauso gehen. Den Wiederstand zum Optokoppler kann man beim Atmega bis runter ca. 150 Ohm setzen so werden die max. 40mA pro Pin eingehalten.
Hallo Thomas ich habe mir ein Experimentierboard mit einem AT90S2313 zusammengestellt inkl. einer Relaisstufe. Die tickt recht langsam. Da möchte ich ein wenig erweitern. Die genaue Frequenz kenne ich noch nicht.Ich experimentiere halt und vergleiche. So nun werde ich mir einmal die von mir vorgeschlagene Schaltung MosFet_Treiber 01 aufbauen und ein weiteres mal den IRF540 direkt ansteuern(mal sehen wie warm der wird) und auch die Idee mit dem Optokoppler testen. Dabei aber versuchen mit 12Volt am gate zu schalten, um die Erwärmung zu vermeiden.
Hallo, suche gerade nach geeignetem Optokopler. Gibt es hier eine Übersicht über geeignete Typen die mit dem Portstrom 20mA arbeiten? Oder suche ich hier nach dem falschen Kriterium?
20mA ist schon in Ordnung, der max. zugesicherte Wert ist ja bei den AVRs 40mA. Also 30 mA kannste da ruhigen Gewissens rausziehen und damit wirst du jede Optokoppler LED betrieben k�nnen meist d�rfen da eh nur 50mA Dauerstrom durch. Wenns aber um sehr kurze Impulse geht auch einige Amperes dann w�rde ich noch einen Transistor davorschalten
habe heute mit diesem Optokoppler etwas gespielt (Sharp PC847x). Das Teil scheint sehr empfindlich zu sein sogar mit 2,2kOhm(ca. 2 mA) an der LED schaltet das Teil ausreichend durch. Habe nochmal die genaue Schaltung angehängt und jetzt auch wirklich die Diode antiparallel zur Lampe reingemacht, weil mir bei 32 kHz im Netzteil ein kleiner Elko explodiert ist. Der hat die Induktionsspannungen anscheinend nicht verkraftet war nur ein 16V Typ alle anderen Elkos im Netzteil sind 25V Typen, habe den jetzt ersetzt und es funktioniert wieder. Also Schaltung mit 32 kHz ist jetzt erprobt und funktioniert einwandfrei, der FET erwärmt sich nicht da hängt nichtmal ein Kühlkörper dran. Und falls mehr Leistung geschaltet werden soll kann man der OptoLED mehr Strom geben damit der Transistor das Gate des FET's kräftiger gegen Masse zieht, falls es ja zu einer erwärmung kommen sollte.
Bitte melde dich an um einen Beitrag zu schreiben. Anmeldung ist kostenlos und dauert nur eine Minute.
Bestehender Account
Schon ein Account bei Google/GoogleMail? Keine Anmeldung erforderlich!
Mit Google-Account einloggen
Mit Google-Account einloggen
Noch kein Account? Hier anmelden.



