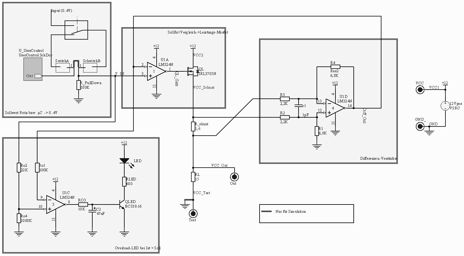
Hallo, vielleicht hat ja einer von euch einen Tip für mich. Meine Schaltung hab ich als Bild angehängt. Es ist eine spannungsgesteuerte Stromquelle. Diese funktioniert in der Simulation auf dem Rechner auch wunderbar. Jetzt habe ich sie in der Realität aufgebaut und sie funktioniert eigentlich garnicht wie sie soll. Der Strom lässt sich zwar wunderbar einstellen, aber sobald man den Lastwiederstand ändert...ändert sich auch der Strom (ziemlich genau antiproportional zum Wiederstand) - genau das soll die Schaltung ja eben nicht machen! In der Simulation funktioniert dies einwandfrei...vielleicht sieht ja jemand auf Anhieb was das Problem sein könnte? Habe schon alles durchgemessen... und komme einfach nicht drauf. Wenn ihr noch Fragen zu funktionsweise habt...einfach fragen. Gruß, Nikias
Nach meiner Überlegung benötige ich auch keinen Rail2Rail !? An welcher Stelle siehst du dies bzgl. die Problematik? Gruß, Nikias
Sorry, das war ein Schuss ins Blaue - ist ein Standardfehler. Wozu dient eigentlich der 1pF Kondensator? Da dürfte schon die Kapazität der Pins grösser sein.
servus, ich denke, daß der LM324 als Differenzverstärker nicht die beste Figur macht...Wie genau funktioniert dieser ? Kommt da wirklich der Strom raus, der durch den Meßwiderstand fließt ? Gruß Thomas
> Nach meiner Überlegung benötige ich auch keinen Rail2Rail Falsch überlegt. Z.B. Dein V_in ist GND bezogen (0 bis 4 Volt). Und noch was: Hat der LM324 nicht einen Open-Kollektor-Ausgang?
GND kann er schon, nur VCC nicht. An beiden Enden, am Ausgang allerdings etwas schwach - was hier kein Problem darstellen sollte. Rein gefühlsmässig macht mir die starke kapazitive Belastung etwas Sorgen.
Hallo, also nochmal zur Rail2Rail Problematik...ich hatte mich da etwas unsauber ausgedrückt. Es ist KEIN Rail2Rail OpAmp im eigentlichen Sinne...wenn man ihn mit +/- Spannung versorgt kann er nicht ganz bis hin...wenn man ihn aber mit +/GND versorgt kommt er sehr wohl bis GND! Das kann ja eigentlich auch nicht das Problem sein! Die Schaltung funktioniert im Grundprinzip ja schon...man stellt ein paar mV vorne ein...und hinten kommen ein paar mA raus...die beiden hängen voneinander ab...und es geht über den vollen Bereich für den ich das ganze dimensioniert habe (0..4V,0..500mA)! Nur leider ist der Ausgangsstrom nicht ausschließlich von der Eingangsspannung abhängig, wie geplant und simuliert, sondern auch vom Lastwiederstand. Und das verstehe ich nicht! Der Kondensator ist da eigentlich quatsch...das war nur mal aus Testzwecken was ausprobiert. Gruß, Nikias
Auch mal mit Oszi kontrolliert? Vielleicht schwingt was.
In der Realität hast Du reale Widerständ, d.h. sie haben eine Toleranz und einen TK und das macht Deinen Differenzverstärker zur Sau. Nimm 0,1% Widerstände oder ein Abgleichpoti oder gleich einen fertigen Differenzverstärker. Peter
Ja, hab auch schon mit Oszi durchgemessen...es schwingt auch was...wie auch simuliert...allerdings im 3-Stelligen KHz Bereich. Das liegt daran das im Regelkreis von OP A ziemlich viel drinnhängt und dem seine Kompensation nicht dafür ausgelegt ist! ...sollte sich allerdings nicht auf die Lastabhängigkeit auswirken! Die Grundfunktion der Schaltung ist wie gesagt OK...alles was ich Messen kann, Differenzen, Shunt-Abfall...Soll/Ist-Spannung und Gate-Spannung machen Sinn. Es muss ein grundlegenderes Problem mit meinem Mos-Fet sein. Ich habe das ganze mit Protel DXP simuliert...mit den original Hersteller-Spice Modellen und da hat es ja auch funktioniert! Gruß, Nikias
Na wenns schwingt, dann ist natürlich alles zu spät. Peter
@Peter Ist diese Aussage nicht zu pauschal? Was kann die Lastabhängigkeit mit einer 100KHz Schwingung bei einer Amplitude von 10mV am Gate vom MosFET zu tun haben? Selbst am Shunt kann ich keine Schwingungen mehr messen...die werden schon vom MosFET gedämpft (vermute ich). Und wie gesagt...die Strom-Regelung FUNKTIONIERT ja soweit...der Regelkreis ist ja stabil! Nur leider eben von der Last abhängig... Der Differenzenverstärker ist ein guter Hinweis...ich werde mir dazu mal die Theorie bzgl. ungleicher Wiederstände genauer durchlesen. Gruß, Nikias
Was bislang noch fehlt: Wie gross ist denn die Abhängigkeit?
Wie gesagt ... etwa antiproportional... wenn ich 20mA bei 15 Ohm einstelle und dann auf 33 Ohm erhöhe fließen noch 11mA
Auch bei grösserem Strom? In diesem Bereich bist du ja schon recht nah an der Offset-Spannung des Opamps.
jo...bei 200mA verhält es sich genauso! ich glaube, dass es sich da um ein systematisches Problem handelt... ..hab mal meinen TietzeSchenk rausgeholt...mal sehen was der dazu meint. Gruß, Nikias
Hallo, in der Schaltung sehe ich nur einen Regelkreis für den Strom. Wo vergleichst Du die Ausgangsspannung mit dem Sollwert? Arno
Die Ausgangsspannung wird ja auch nicht geregelt... es ist eine Spannungsgesteuerte STROMquelle!
Hi! In der Simulation sind die R's deines Diff-Verstäkers auch gleich. Real sind sie das aber nicht und da schnippt dir das Ding davon. Ich benutze soetwas auch mit 4x47K/0,1% und zum Abgleich 47R. Verändere mal in der Simulation einen R um wehnige Ohm, du wirst staunen was da rauskommt. Viel Erfolg, Uwe
Faktor 2 bei den Toleranzen von 1% Widerständen?
Hallo, also Peter und Uwe habens erkannt! Der Differenzenverstärker, bzw. seine Wiederstände sind das Problem. Hab das mal simuliert...mit nur kleinen Abweichungen. Es passiert genau das, was man auch in der Realität erhält! Nun hab ich mir mal den TietzeSchenk zu diesem Thema durchgelesen...dort wird ziemlich genau auf diese Problematik eingegangen (Stichwort "Gleichtaktunterdrückung"). Nun stellt sich mir die Frage wie ich meine Schaltung retten kann !? Hab mal versucht das ganze mit nem Poti anstatt R1 abzugleichen...keine Chance! Einen teueren "Instrumentenverstärker" will ich mir aber nicht zumuten - der TietzeSchenk schlägt z.B. einen AD620 vor - Reichelt 7 - und der ist noch BILLIG! Die einzige Lösung, die ich grade sehe, ist einen "Elektrometer-Subtrahierer" Diskret selbst auf zu bauen...auch nicht grade Prickelnd... ...vielleicht hat jemand von euch noch ne gute Idee? Nikias
Hi! Wie retten? Na einfach 0,1% R's benutzen und dann abgleichen. Das reicht in einem Teiler zu. Die R's eine 10 Potenz höher also 22/68K und dazwischen 47R Zehngangtrimmer. Der Schleifer kommt dann an den jeweiligen Eingang. Wichtig ist nur ein gleiches Teilerverhältnis herzustellen. Zum Abgleichen konstanten Strom durch deinen Mess-R jagen und mit 2, recht unterschiedlichen, RL's auf gleiches Ausgangssignal trimmen. Viel Erfolg, Uwe
Hallo, die Schaltung hatte mich etwas verwirrt wegen des Sensorwiderstands im Lastkreis. Warum baust Du die Stromquelle nicht von +12V aus auf mit dem Messwiderstand von Plus nach der Source eines P-FET und die Last am Drain. Allerdings ist dann der Einsatz des LM324 eventuell nicht mehr möglich und Du benötigtst einen OPV mit npn-Eingängen. Die Referenzspannung des Vergleichers auf Plus umzustricken ist ja auch kein Akt, oder? So würde aber der schwimmende Sensorwiderstand wegfallen, der ja wirklich bei jeder Laständerung die Gleichtaktunterdrückung des Differenzverstärkers testet. Arno
Bitte melde dich an um einen Beitrag zu schreiben. Anmeldung ist kostenlos und dauert nur eine Minute.
Bestehender Account
Schon ein Account bei Google/GoogleMail? Keine Anmeldung erforderlich!
Mit Google-Account einloggen
Mit Google-Account einloggen
Noch kein Account? Hier anmelden.
