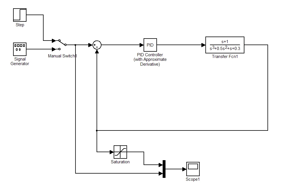
Hallo ihr alle, leider schaffe ich es nicht, die Reglerparameter für die Strecke im Anhang (SIMULINK, stammt aus einer Übungsaufgabe ohne Kösung) zu bestimmen. Um die Reglerparameter zu bestimmen, habe ich das Ziegler-Nichols-Verfahren verwendet. Dabei kamen folgende Werte heraus: Kpkrit: 0,4 frequenz der Schwingung bei kpkrit: 0,18 Hz Da die Pole der Strecke nahe der Achse liegen, habe ich einen PID-Regler verwendet (PI geht noch schlechter). Die Parameter sind laut ZN: Kp: 0,24 Tn: 2.78 Tv: 0,66 Leider bekomme ich die Strecke mit diesen Parametern nur extrem langsam, nicht wie bei ZN üblich leicht überschwingend, ausgeregelt. Zum Testen verwende ich ein Sollwertsignal mit einer Amplitude von 5 und einer Frequenz von 0,1 Hz. Besser wären laut Test z.B. Kp: 5 Tn: ? Tv: 3 Nun meine Frage: Wieso ist mein Ergebnis so schlecht? Mit welchem Verfahren erhalte ich bessere Ergebnisse? Oder ist mein Test einfach zu hart? Viele Grüße und danke im Voraus, Bernhard
Bitte melde dich an um einen Beitrag zu schreiben. Anmeldung ist kostenlos und dauert nur eine Minute.
Bestehender Account
Schon ein Account bei Google/GoogleMail? Keine Anmeldung erforderlich!
Mit Google-Account einloggen
Mit Google-Account einloggen
Noch kein Account? Hier anmelden.

