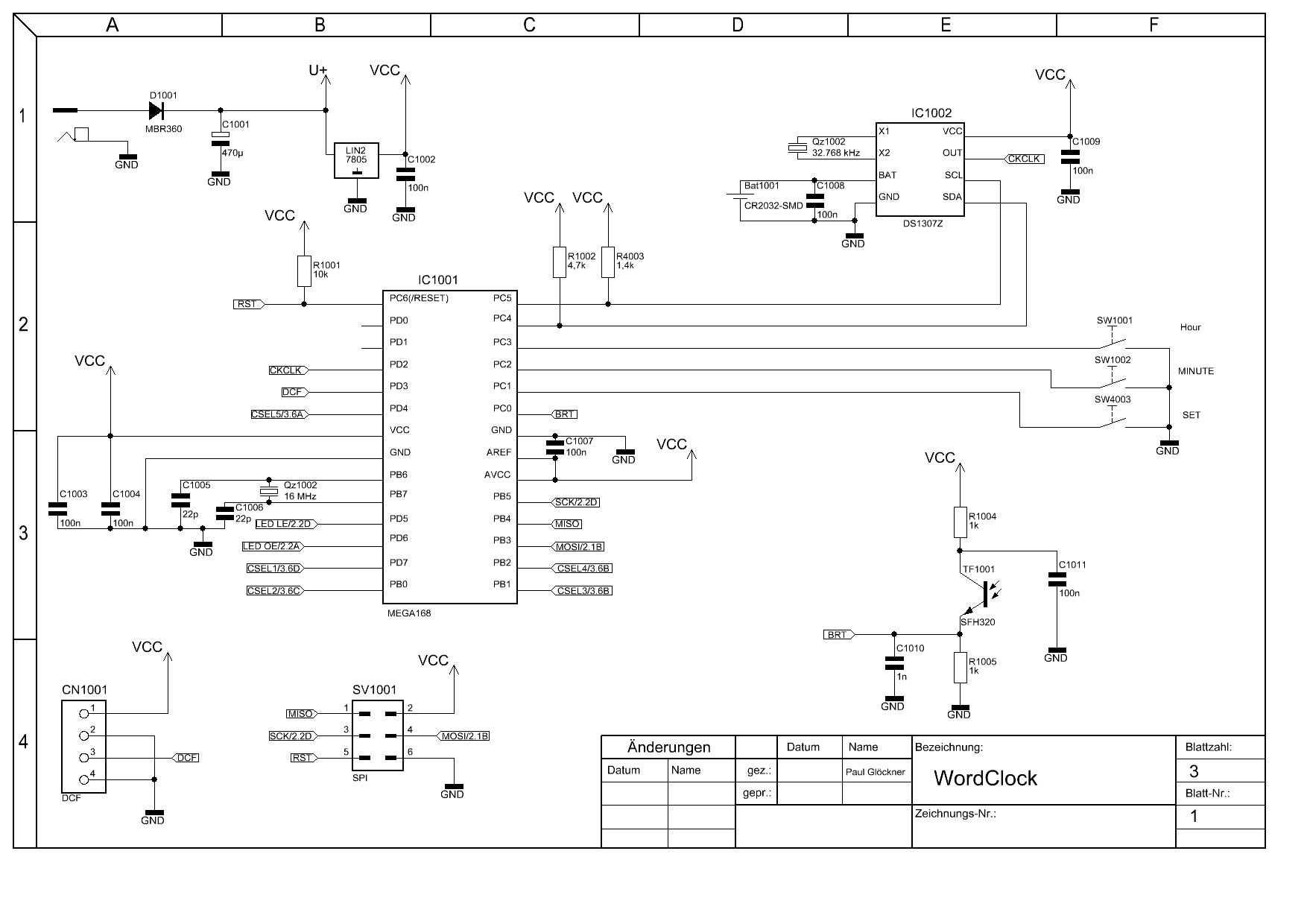
Im Ramen eines Elektronikprojectes wurde hier die Wordclock in der 3. Variante (Word Clock Variante 3) nachgebaut. Der Schaltplan wurde weitesgehend übernommen, nur ein paar kleinigkeiten geändert: - Schieberegister wurden zu TPIC_6B595 plus Vorwiderstände - die FZT Transistoren sind durch eine Kombi aus BD135 und BC239 ersetzt worden Die DCF Anbindung, sowie der Helligkeitssensor zum dimmen bei Dunklen umgebungen, wurden zwar vorgesehen, aber im Code noch nicht berücksichtigt. Da der Link zum Code auf der Projectseite nicht mehr funktioniert und die Zeit dann drängte, habe ich kurzerhand den Code für neu geschrieben. Deshalb auch hier der Beitrag, damit andere die vieleicht die Variante im Auge hatten, darauf zurück greifen können.
Und immer wieder wird Aref mit Avcc/Vcc verbunden. An Aref gehört ein C bzw wirklich eine externe Referenzspannung, wenn die vom Programm verlangt wird und sonst nix.
Die Kommentare im Code sind auch teilweise Spitze:
1 | void clearANZ() { // leeren des Puffers |
2 | for (int i=0; i<5; i++){ // 5 Zeilen |
3 | for (int j=0; j<3; j++){ // 3 Byte |
4 | LEDArray[i][j] = B00000000; // auf 0 setzen |
5 | }
|
6 | }
|
7 | }
|
8 | |
9 | int BCDtoint(int BCDWert) { // Wandlung BCD zu Int |
10 | int WERT = BCDWert & 0x0F; // Separieren der Einer |
11 | WERT = WERT + ((BCDWert/16)*10); // Zehner Wert in Hex und zu den einer dazu rechnen |
12 | return WERT; // Zurückgeben |
13 | }
|
Bitte melde dich an um einen Beitrag zu schreiben. Anmeldung ist kostenlos und dauert nur eine Minute.
Bestehender Account
Schon ein Account bei Google/GoogleMail? Keine Anmeldung erforderlich!
Mit Google-Account einloggen
Mit Google-Account einloggen
Noch kein Account? Hier anmelden.


