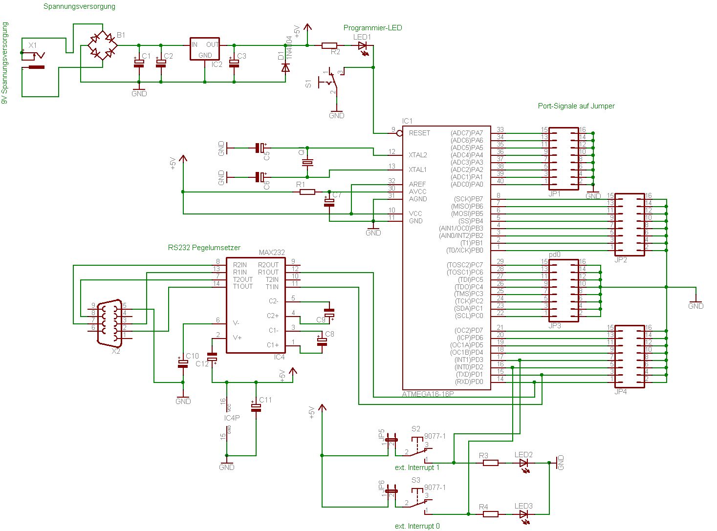
moin, ich bin grad dabei ein eigenes board zu entwerfen, um mit mega16/32 controller rumspielen zu können. im anhang befindet sich der schaltplan und ich wollt von euch nun wissen, ob das prinzip der schaltung stimmt oder ob das völliger humbuk ist :) angenommen wird, das auf dem µC ein bootloader aufgespielt ist, damit über rxd und txd progammiert werden kann der schaltplan ist noch nicht ganz leserfreundlich, wird er aber noch, wenn die schaltung ok ist ;)
Also was die LED am Reset soll weiß ich net... und vllt wär eine Pull up am Reset gut ^^ ´ Fällt mir auf die schnelle auf, hab aber net gründlich geschaut
gepolte und ungepolte c richtig zeichen entstör c fehlen c am quarz is auch nen ungepolter taster haben nix am iterrupt zu suchen es sei denn du willst wissen wie stark der prellt D1 welcehn zweck hat die keinen oder ? schau du dir mal lieber die sahen von anderen an und lerne
@... einen Taster kann man auch im Polling abfragen. Niemand zwingt einen den Pin/Port als Interrupt Eingang zu nutzen.
schau dir die schaltung an dann wirst du sehen das er aber genau das mit dem poling wohl nicht vorhat und genau deswegen rate ich ihm davon ab. zudem verbastetlt er sich damit angelegenheiten die den interrupt wirklich verwenden sollten. es ist halt immer so mit den leuten die unter .... schreiben die ahben keine ahnung und blubbern nur dumm rum is schon io
Das mit der LED am Reset ist nichts, Reset bekommt so keinen ordentlichen High-Pegel. Ein Pullup und unbedingt ein Kondensator gegen Masse gehört an Reset. AREF gehört nicht an VCC, sondern sollte über einen Kondensator gegen Masse entkoppelt werden. C8, C10 und C12 sind falsch gepolt, C5 und C6 sollten bipolare sein. Abblockkondensatoren an VCC fehlen. D1 macht wenig Sinn. Trotz Bootlader würde ich einen Programmierstecker vorsehen, damit du den Bootlader auch in den Prozessor bekommst. Nett wäre auch ein Anschluss für ein Display und etwas mehr Tasten, mit 4 oder 5 Tasten kann man schon recht gut ein kleines Menü auf dem Display bedienen. Uwe
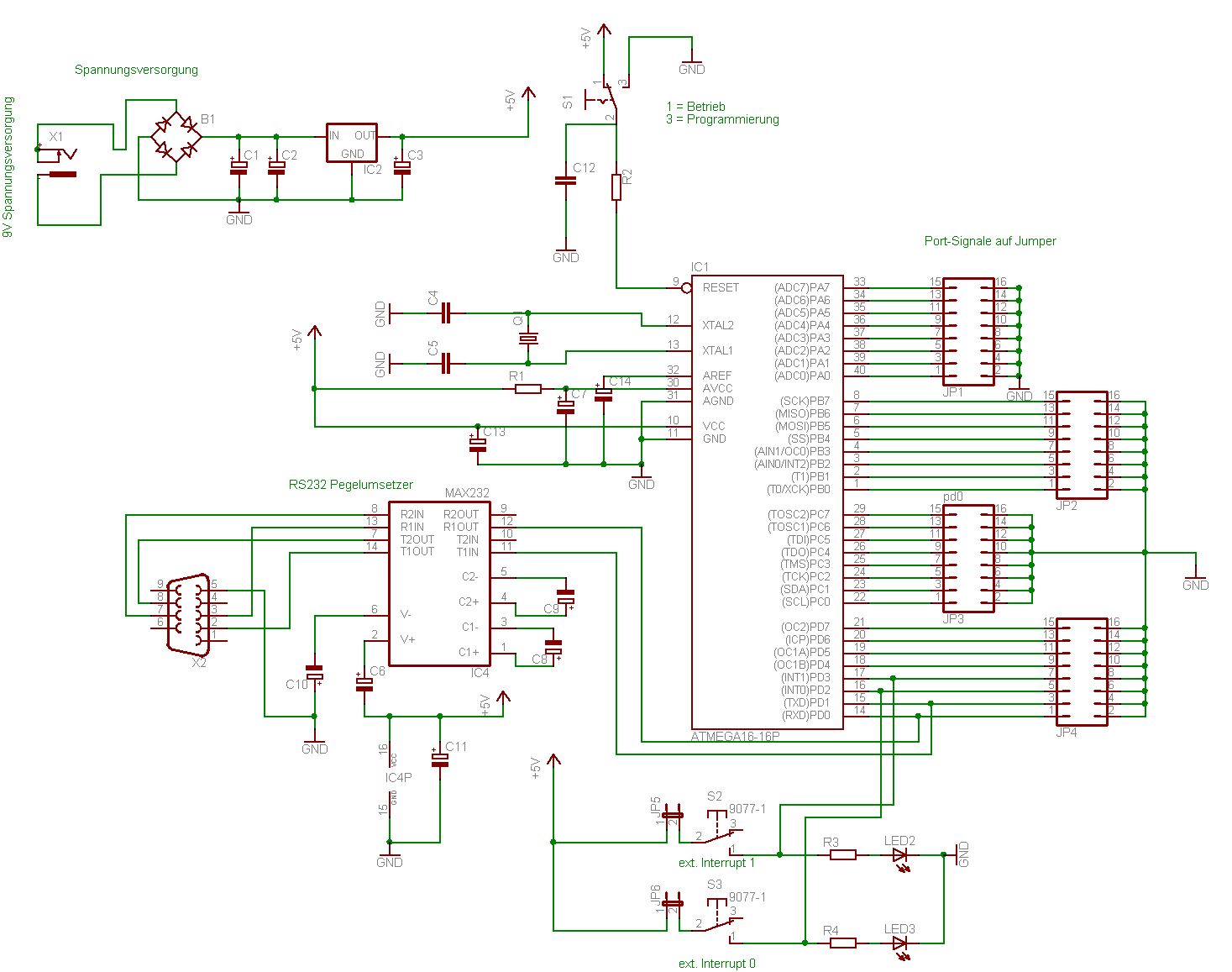
so jetzt die überarbeitete fassung.. danke für die qualitativ hochwertige antwort uwe, dass sollten sich andere anschauen und lernen... das sind meine ersten gehversuche auf dem gebiet µController. ich bin noch azubi (2.LJ) un habe bereits eine 8051 schulung hinter mir. µC schaltungen habe ich aber noch nicht entworfen. wenn ich das richtig verstanden habe soll A-Ref an VCC und mit einem kondensator gegen masse entkoppelt werden oder bekommt a-ref eine ganz andere spannung? im datenblatt steht "AREF is the analog reference pin for the A/D Converter" @uwe : "Trotz Bootlader würde ich einen Programmierstecker vorsehen, damit du den Bootlader auch in den Prozessor bekommst. Nett wäre auch ein Anschluss für ein Display und etwas mehr Tasten, mit 4 oder 5 Tasten kann man schon recht gut ein kleines Menü auf dem Display bedienen." du hast natürlich recht, das ist aber erst die naechste stufe, ich möchte erst einen schaltplan und eventuell ein board haben das überhaupt funktionieren würde. ich habe vorgesehen an portA ein LCD oder eine kleine poti platine anzuschliessen, damit die AD-Wandler genuzt werden können. portB bekommt einen dip-schalter spendiert, portc bekommt nen treiber ic und acht leds eventuell noch zwei 7-segmentanzeigen portD ist für interrupts und rs232 zuständig, aber wie gesagt das ist erst der naechste schritt gruss markus
Das mit dem Reset ist so nicht ok. Der Widerstand muss von Reset nach VCC, der Taster parallel zum Kondensator. Der ATmega32 hat verschiedene Möglichkeiten für die Referenz. Man kann AVCC oder eine 2,56V-Quelle als Referenz verwenden. Das kann intern geschaltet werden, die Referenzspannung kommt dann aus AREF raus und sollte über einen Kondensator entkoppelt werden. Alternativ kann man eine externe Referenzspannungsquelle anschliessen, aber das wirst du am Anfang nicht machen wollen. Also weg mit AVCC von AREF und einen Kondensator dran. Im Datenblatt heist das: Internal reference voltages of nominally 2.56V or AVCC are provided On-chip. The voltage reference may be externally decoupled at the AREF pin by a capacitor for better noise performance. Ansonsten sollte dem ersten Versuch nichts mehr im Wege stehen. Uwe
Also warum willst du für erste Versuche gleich mit einem Bootloader arbeiten? Da ist die Programmierung über ISP sicher einfacher.
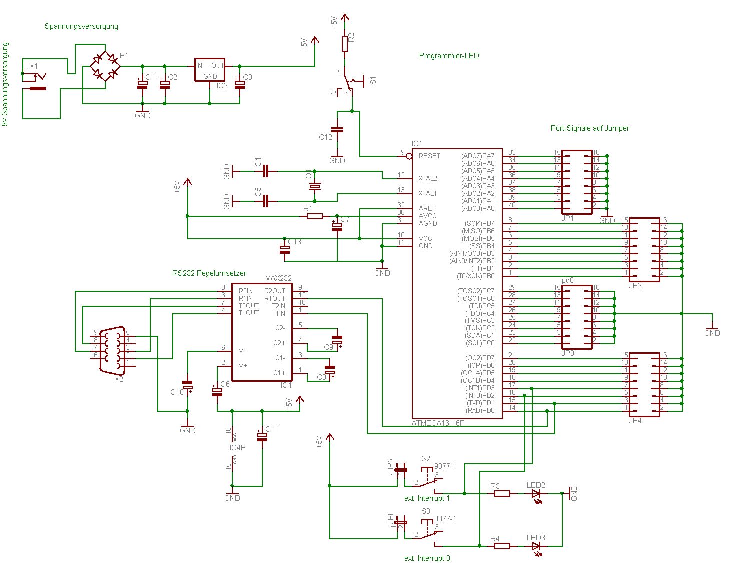
neue version der schematik im anhang @Daniel M. (usul27) ich finde, es ist bequemer mit einem bootloader zu arbeiten wie ohne. @Uwe Nagel ich hoff jetzt isses richtig :) schalterstellung 1 liegen 5 Volt an = kein reset schalterstellung 3 liegen 0 VOlt an = reset ich habe diese seite gefunden : http://www.elektronik-projekt.de/content/images/mega32cs.gif und dort ist die beschaltung genauso, nur das der PortPin noch auf einen ISP-STeckplatz geführt wird und von dort aus wohl auf masse gezogen wird gruss markus
Mal sehen, wieviele Versionen du noch braucht, bist du Reset korrekt hinbekommst. Es gibt genug Beispielse und Vorbilder, also werde ich mir nicht dir Mühe machen, dass in Text oder Bild zu erklären. Jedenfalls wird dieser Teil von mal zu mal kurioser. Die Beschaltung der Interrupts hat den gleichen Fehler wie die ursprüngliche Beschaltung Reset, sie wird so nicht funktionieren. Tip: ELKO (http://www.elektronik-kompendium.de/) lesen.
Das geht eventuell schon. Er muss die LED brücken, wenn er die Taste verwenden will und natürlich den Jumper stecken. Alternativ kann er den Jumper weglassen und die die Portleitung als Ausgang die LED schalten lassen. Wozu ist sonst der Jumper da? Die Resetbeschaltung hab ich mal angehängt, ein Bild sagt wohl doch mehr, als tausend Worte... Uwe
wieso gehen denn von der com schnittstelle 4 adern zum max232? hab sowas noch nie gesehn aber vielleicht is das ein tip vom profi gewesen
Er hat halt RTS und CTS schon mal an den MAX gelegt, kann man vielleicht mal brauchen... nur wohin damit am Prozessor, das ist wohl noch völlig unklar. Wird dann bei Bedarf mit ein bischen Draht nachgerüstet.
Bitte melde dich an um einen Beitrag zu schreiben. Anmeldung ist kostenlos und dauert nur eine Minute.
Bestehender Account
Schon ein Account bei Google/GoogleMail? Keine Anmeldung erforderlich!
Mit Google-Account einloggen
Mit Google-Account einloggen
Noch kein Account? Hier anmelden.



