Morgen, Ich hatte gestern abend so eine Dumme Idee als ich bei Plus einkaufen war. Dort hatten sie einen (Stand-)Ventilator für kleines Geld. (Hab mir bei den Temperaturen natürlich einen mit genommen ;) ) Dieser Ventilator hat 4 Tasten Stufe 0-3. Wobei die 0 einfach alle Taster rausspringen lässt. Um das ganze jetzt relativ einfach mit einen AVR ansteuern zu können sollte es doch reichen einfach die Taster gegen Relaise oder Triacs zu tauschen und somit dann die 3 Stufen zu verstellen (also nicht komplett geregelt sonder mit der alten Elektronik). Ich muss jedoch gestehen das ich noch nicht in die Elektrik rein geguckt hab und mich gerade auch auf der Arbeit befinde. Über den Sinn oder Unsinn lässt sich natürlich streiten, aber vielleicht kommt er ja dann ins Netzwerk oder bekommt eine Fernbedinung. Aber hauptsächlich geht es mir erst mal um die Tasten.
Schau Dir mal genau die Beschaltung der Tasten an, werden vielleicht Wicklungen umgeschaltet? Erstatte uns mal bitte Bericht. Bernhard
Ich hab mir vor nem Jahr ein ähnliches Gerät bei aldi gekauft. Hatte jedoch Infrarotfernbedinung dazu ;) Könnte man sicherlich auch ne nette Lösung basteln (am besten mit automatischer Eiswürfeleinsprit zung ^^)
Wie gesagt bin momentan (leider) noch auf der Arbeit werde es mir heut Abend genauer anschauen und Bericht erstatten.
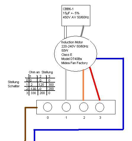
Entschuldigt das ich erst jetzt Antworte und das auch noch so spät ;) Aber hatte gestern einfach keine Zeit. Da ich von Motoren nicht allzuviel verstehe hab ich mal eine schöne Paintzeichnung gemacht ;) Die Ohmschenwerte müssen nicht 100% genau sein, da alles schön eingegoßen ist, kommt man kaum ran. Sollte ehe erschlagen werden wer die Mechanik von dem Ventilator geschaffen hat. Da passt auch wirklich nichts richtig von dem Gehäuse ;) Ich hoffe ihr könnt mir nun ein Stück weiter Helfen, ich muss gestehen Motoren sind nicht so mein Ding. Danke
Hallo Benny, wenn du sowieso vor hast mit Triacs zu arbeiten, kannst du ja gleich ´ne Phasenanschnittsteurung machen. Bauanleitungen für nen Phasenanschnitt musst du dir ergoogeln, gibt´s bestimmt wie Sand am Meer.Beim Lüftermotor benutzt du dann die Verkabelung, bei der er am schnellsten läuft. Phasenanschnittsteurung dran - und du kannst das Ding stufenlos steuern.
Eigentlich würds mir schon reichen wenn ich die 3Stufen + Aus per uC schalten kann. Nur die Funktionsweiße des Schalters bzw. die Werte stören mich bei der Umsetzung.
Bitte melde dich an um einen Beitrag zu schreiben. Anmeldung ist kostenlos und dauert nur eine Minute.
Bestehender Account
Schon ein Account bei Google/GoogleMail? Keine Anmeldung erforderlich!
Mit Google-Account einloggen
Mit Google-Account einloggen
Noch kein Account? Hier anmelden.
